GM Service Manual Online
For 1990-2009 cars only
Makes
🢒
GMC_Truck
🢒
2000
🢒
GMC C Pickup - 2WD (CNG)
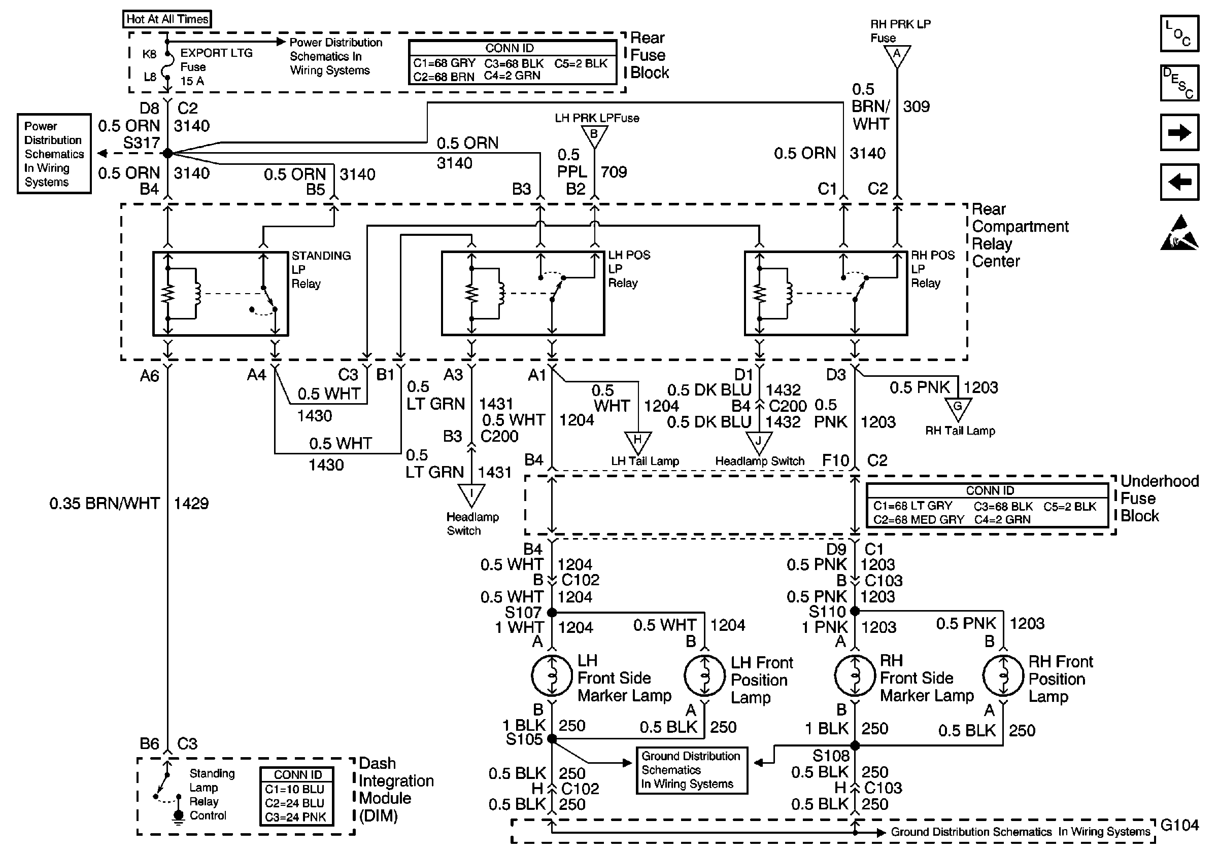
🢒 Standing and Position Lamp Relays
Standing and Position Lamp Relays
Standing and Position Lamp Relays
Lighting Systems Components
Exterior Lights Circuit Description
License and Cornering Lamps
Front Park/Turn and Repeater Lamps
Handling ESD Sensitive Parts Notice
Tail Lamps
Headlamp Switch, Park Lamp Relay
Tail Lamps
Headlamp Switch, Park Lamp Relay
G104 - Relays, Horns and Other Items
G104 - Relays, Horns and Other Items
AUDIO AMP and EXP LTG/LK Fuses
AUDIO AMP and EXP LTG/LK Fuses
Headlamp Switch, Park Lamp Relay