GM Service Manual Online
For 1990-2009 cars only
Makes
🢒
GMC_Truck
🢒
2003
🢒
GMC C Sierra - 2WD
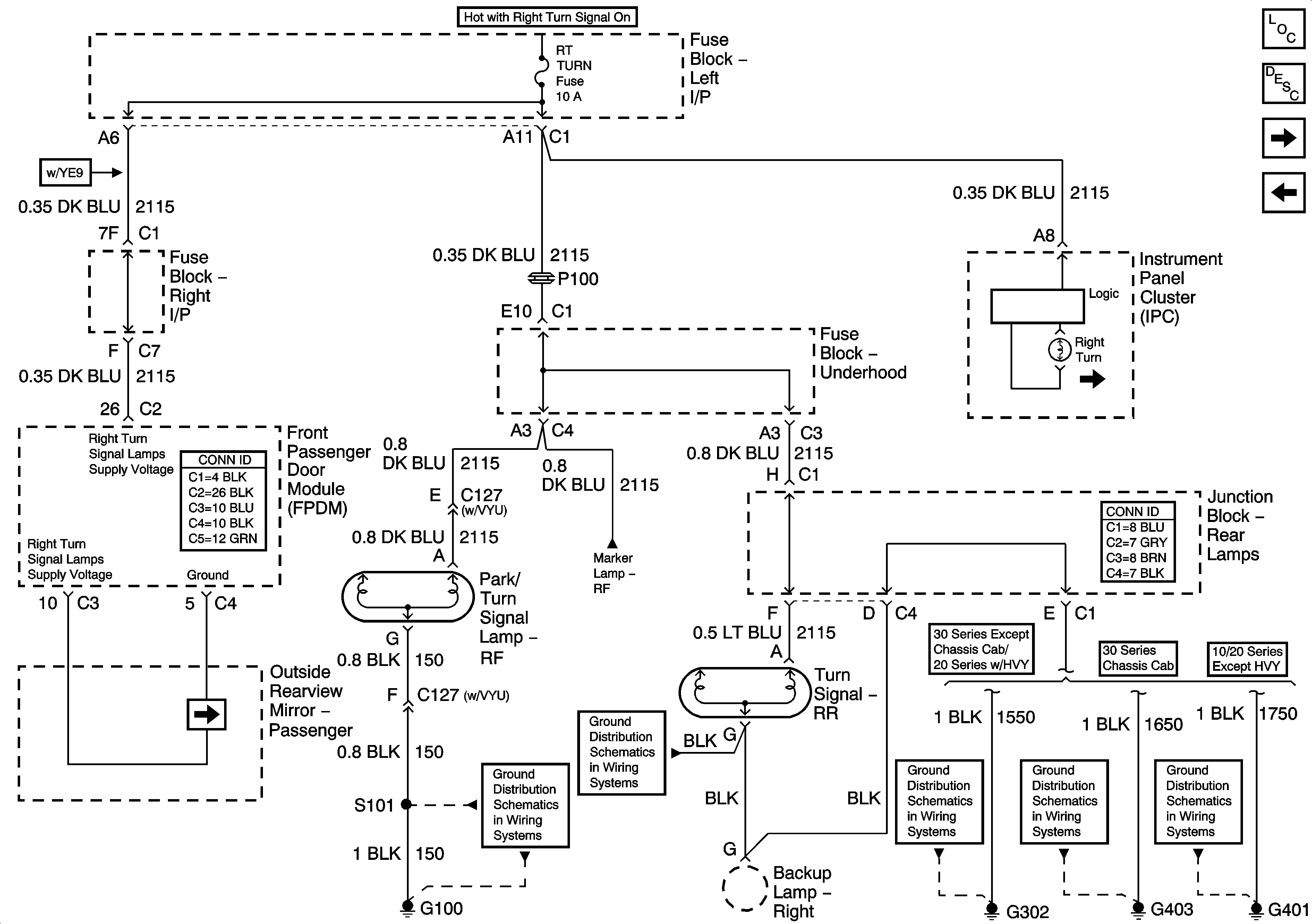
🢒 Right Turn Signals - Domestic - Chevrolet
Right Turn Signals - Domestic - Chevrolet
Right Turn Signals - Domestic - Chevrolet
Master Electrical Component List
Exterior Lighting Systems Description and Operation
Right Turn Signals - Export - Chevrolet
Right Turn Signals - Export - GMC
Front Park Lamps - Domestic
G100, G101, G105
G401, G402
G302
G403
G401, G402