GM Service Manual Online
For 1990-2009 cars only
Makes
🢒
GMC_Truck
🢒
2003
🢒
GMC C Sierra - 2WD
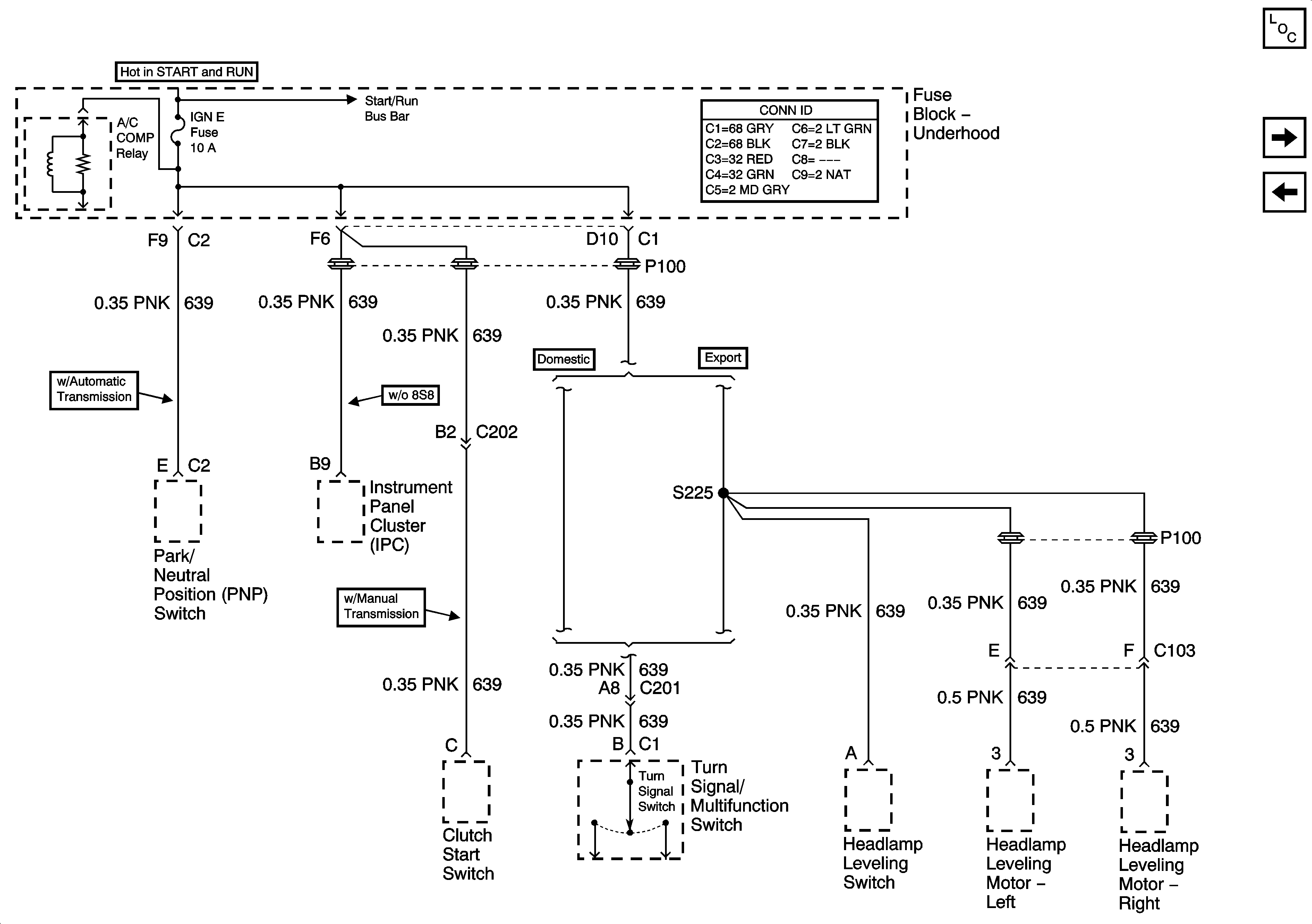
🢒 IGN E
IGN E
IGN E
Master Electrical Component List
SBA, ETC, PCM 1, BTSI, TRL B/U
O2A, O2B, TBC IGN 1, SEO IGN
Ignition, Run, Start, Accy Bus Bar