GM Service Manual Online
For 1990-2009 cars only
Makes
🢒
GMC_Truck
🢒
2003
🢒
GMC C Sierra - 2WD
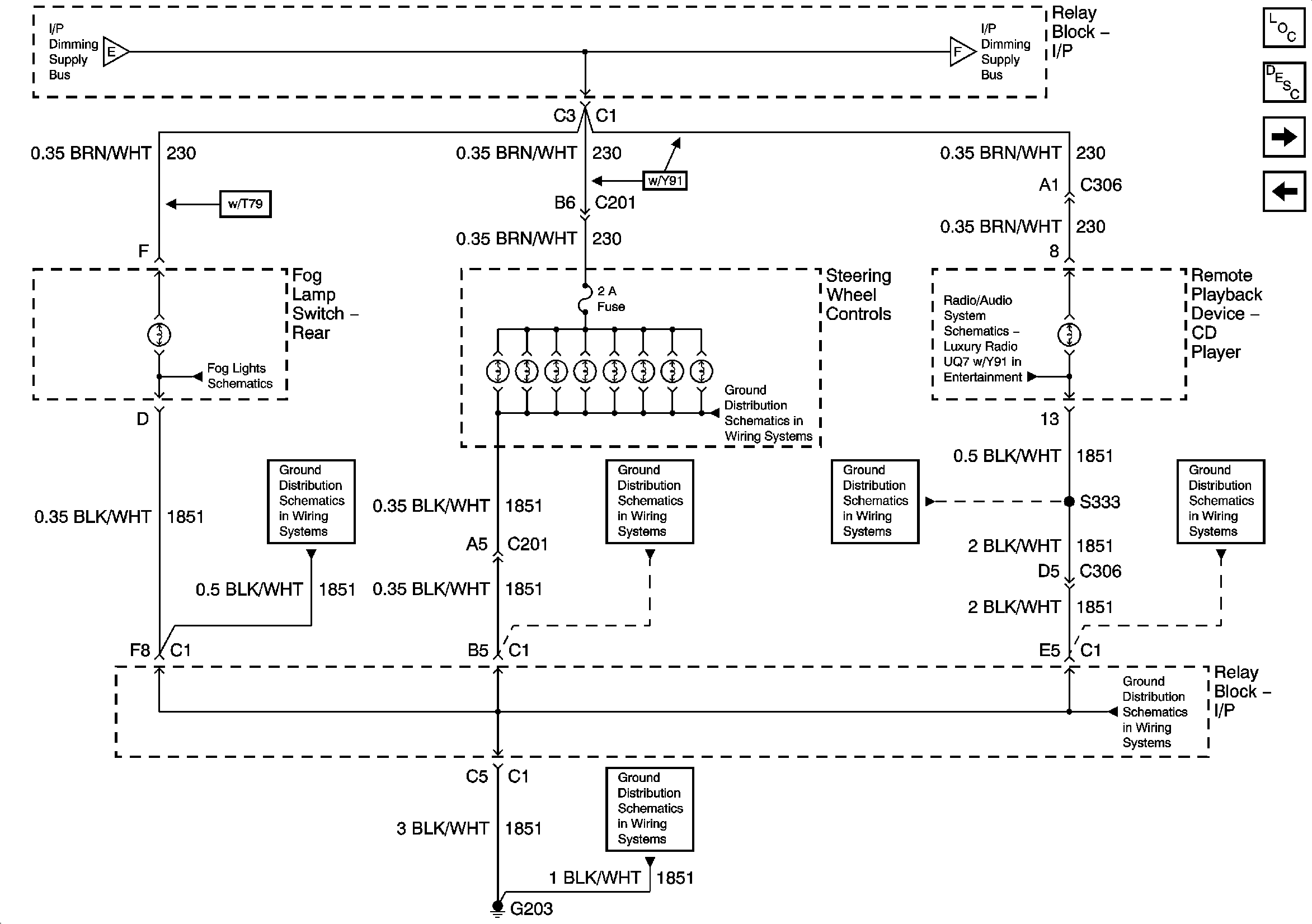
🢒 I/P Dimming Supply Voltage - 2 of 5
I/P Dimming Supply Voltage - 2 of 5
I/P Dimming Supply Voltage - 2 of 5
Master Electrical Component List
Interior Lighting Systems Description and Operation
I/P Dimming Supply Voltage - 3 of 5
I/P Dimming Supply Voltage - 1 of 5
I/P Dimming Supply Voltage - 1 of 5
I/P Dimming Supply Voltage - 3 of 5
Rear - Export Only
G203-3 of 3
Remote CD Player-UQ7 w/Y91-w/U1S
G203-2 of 3
G203-3 of 3
G203-1 of 3
G203-1 of 3
G203-1 of 3
G203-1 of 3