GM Service Manual Online
For 1990-2009 cars only
Makes
🢒
GMC_Truck
🢒
2003
🢒
GMC C Sierra - 2WD
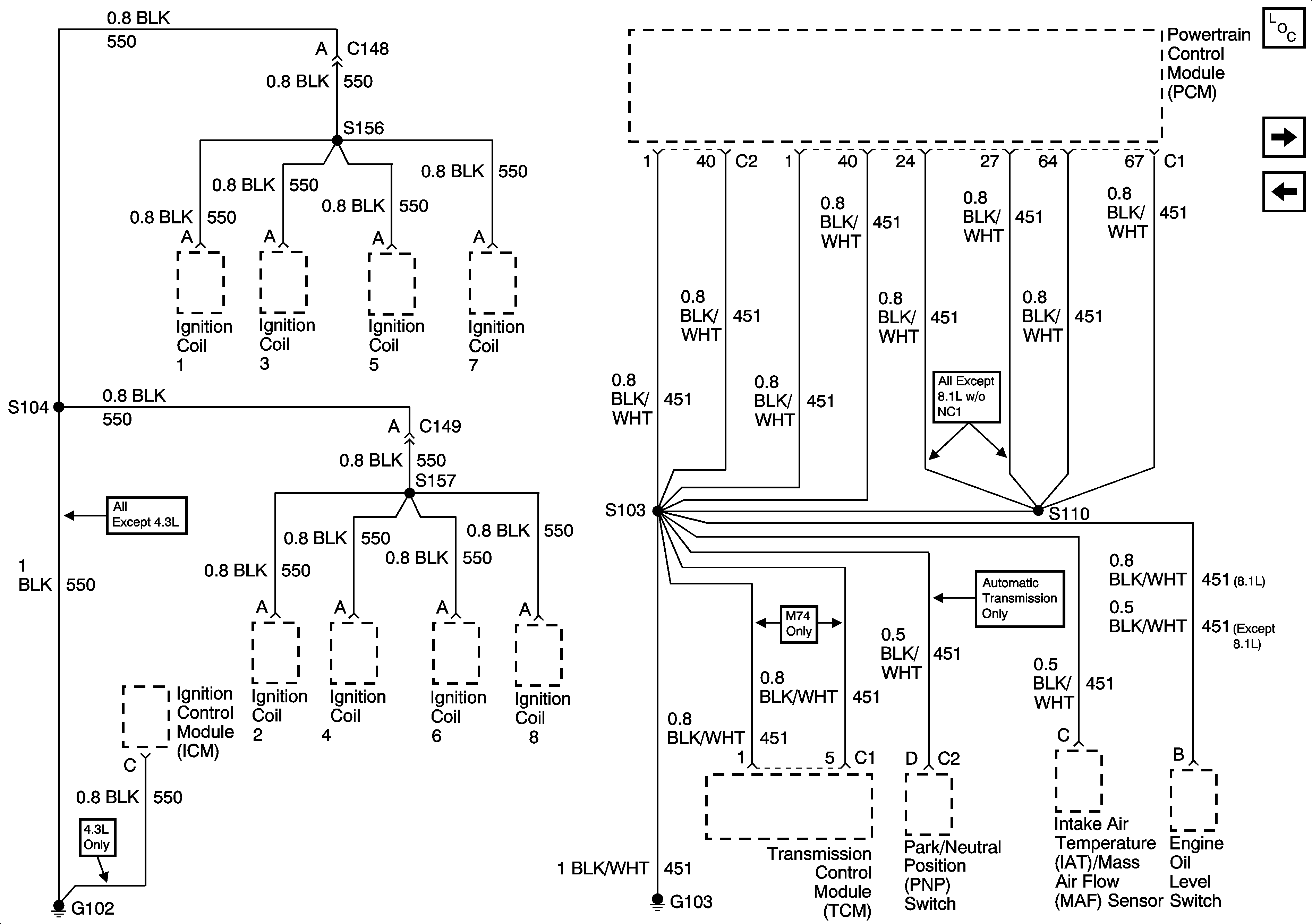
🢒 G102, G103-Gas
G102, G103-Gas
G102, G103-Gas
Master Electrical Component List
G102, G103, G108, and G109 - Diesel
S101-Export