GM Service Manual Online
For 1990-2009 cars only
Makes
🢒
GMC_Truck
🢒
2003
🢒
GMC C Sierra - 2WD
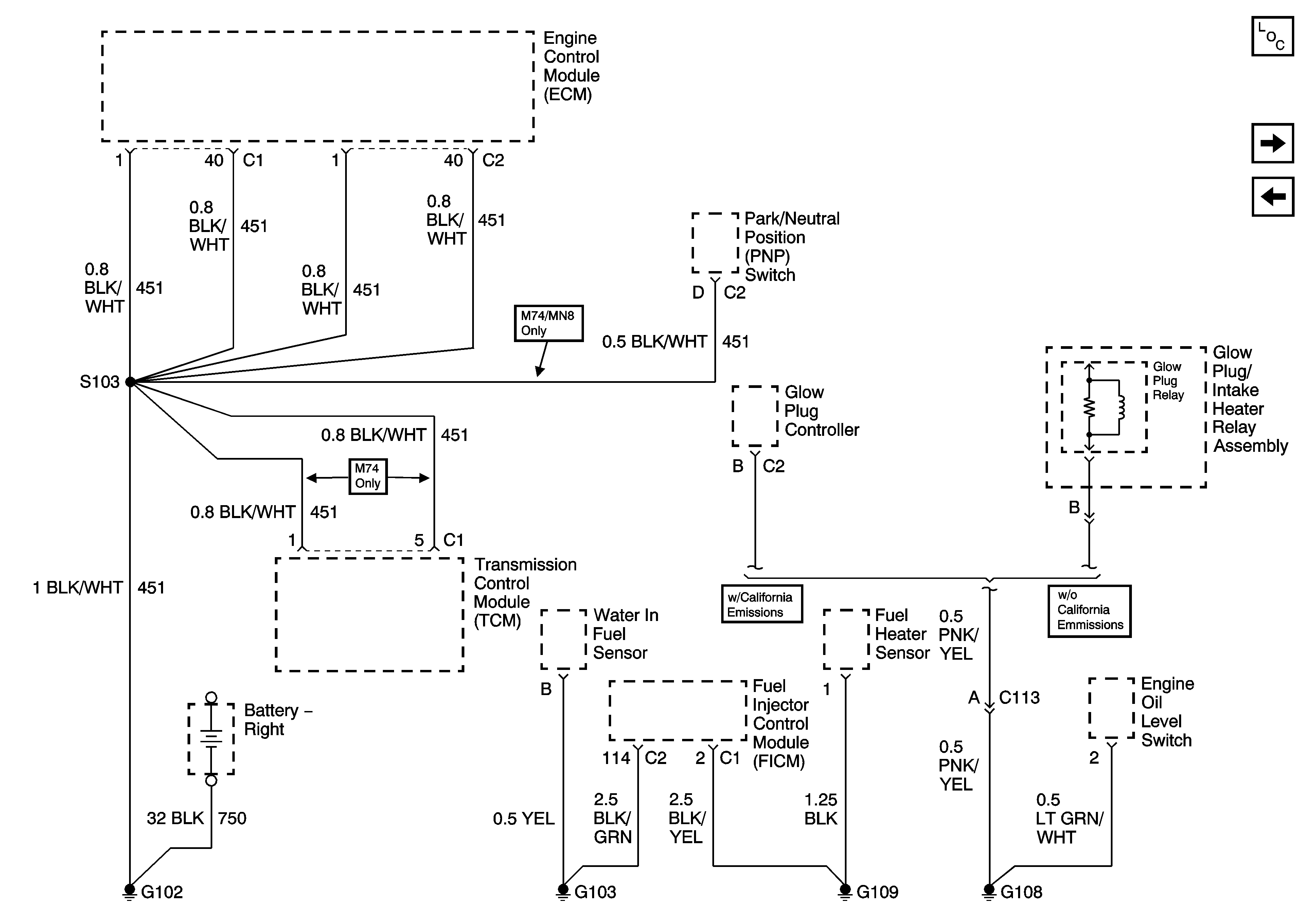
🢒 G102, G103, G108, and G109 - Diesel
G102, G103, G108, and G109 - Diesel
G102, G103, G108, and G109-Diesel
Master Electrical Component List
G104, G106, G107
G102, G103-Gas