GM Service Manual Online
For 1990-2009 cars only
Makes
🢒
GMC_Truck
🢒
2003
🢒
GMC C Sierra - 2WD
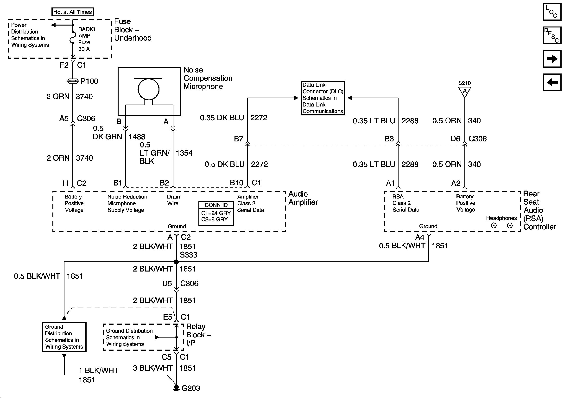
🢒 Amplifier, RSA Power, Ground, Subsystems-UQ7 w/Y91
Amplifier, RSA Power, Ground, Subsystems-UQ7 w/Y91
Amplifier, RSA Power, Ground, Subsystems-UQ7 w/Y91
Master Electrical Component List
Radio/Audio System Description and Operation
Speakers-UQ7 w/Y91
Audio Signals-2 of 2-UQ7 w/Y91
QS4, RADIO, RDO AMP
G203-1 of 3
G203-1 of 3
SP207 - Luxury
Power, Ground, Low Level Audio Signals-UQ7 w/Y91