GM Service Manual Online
For 1990-2009 cars only
Makes
🢒
GMC_Truck
🢒
2003
🢒
GMC C Sierra - 2WD
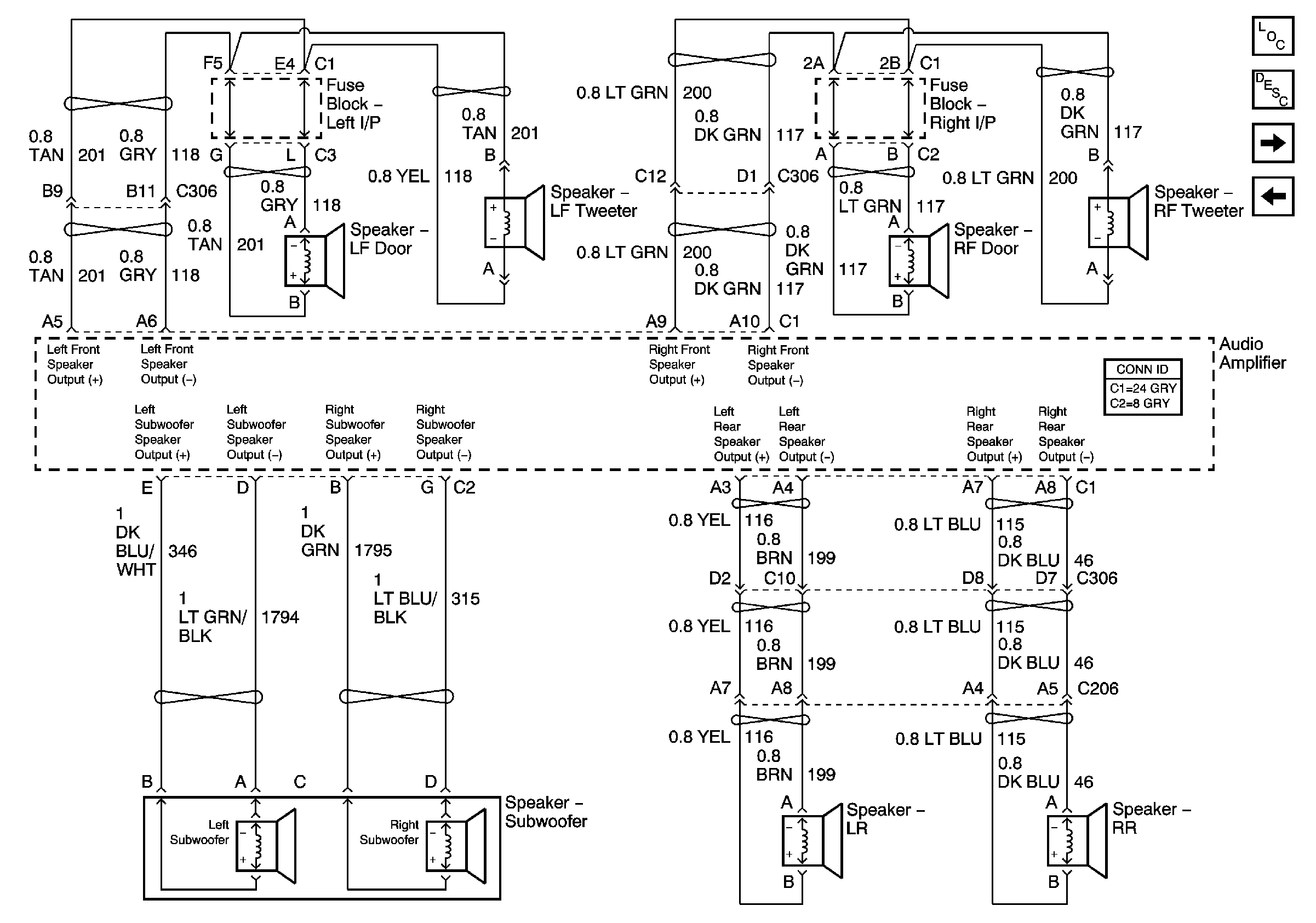
🢒 Speakers-UQ7 w/Y91
Speakers-UQ7 w/Y91
Speakers-UQ7 w/Y91
Master Electrical Component List
Radio/Audio System Description and Operation
Remote CD Player-UQ7 w/Y91-w/U1S
Amplifier, RSA Power, Ground, Subsystems-UQ7 w/Y91