GM Service Manual Online
For 1990-2009 cars only
Makes
🢒
GMC_Truck
🢒
2003
🢒
GMC C Sierra - 2WD
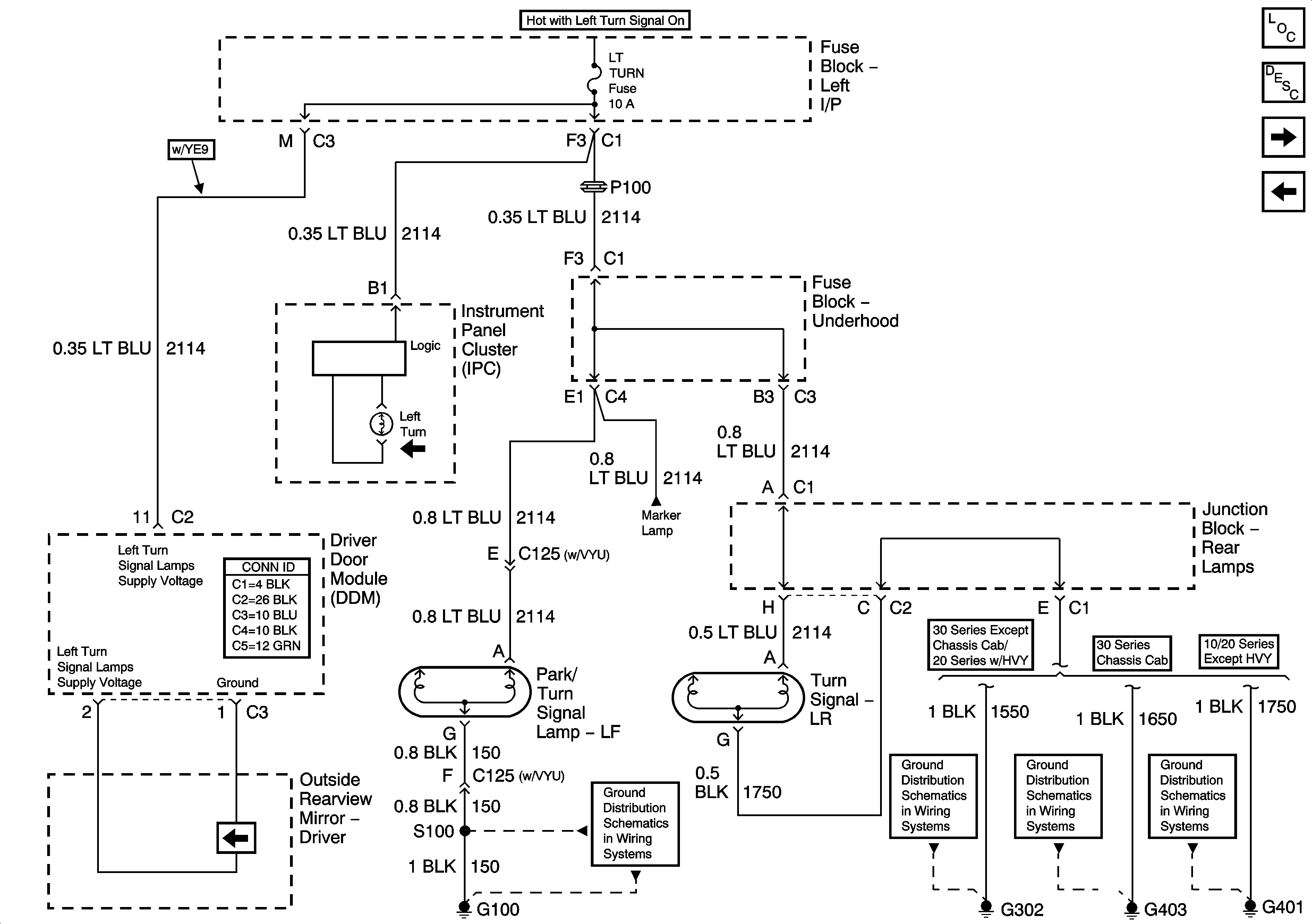
🢒 left Turn Signals - Domestic - GMC
left Turn Signals - Domestic - GMC
Left Turn Signals - Domestic - GMC
Master Electrical Component List
Exterior Lighting Systems Description and Operation
left Turn Signals - Export - GMC
Turn Signal Multifunction
Front Park Lamps - Domestic
G100, G101, G105
G302
G403
G401, G402