GM Service Manual Online
For 1990-2009 cars only
Makes
🢒
GMC_Truck
🢒
2003
🢒
GMC C Sierra - 2WD
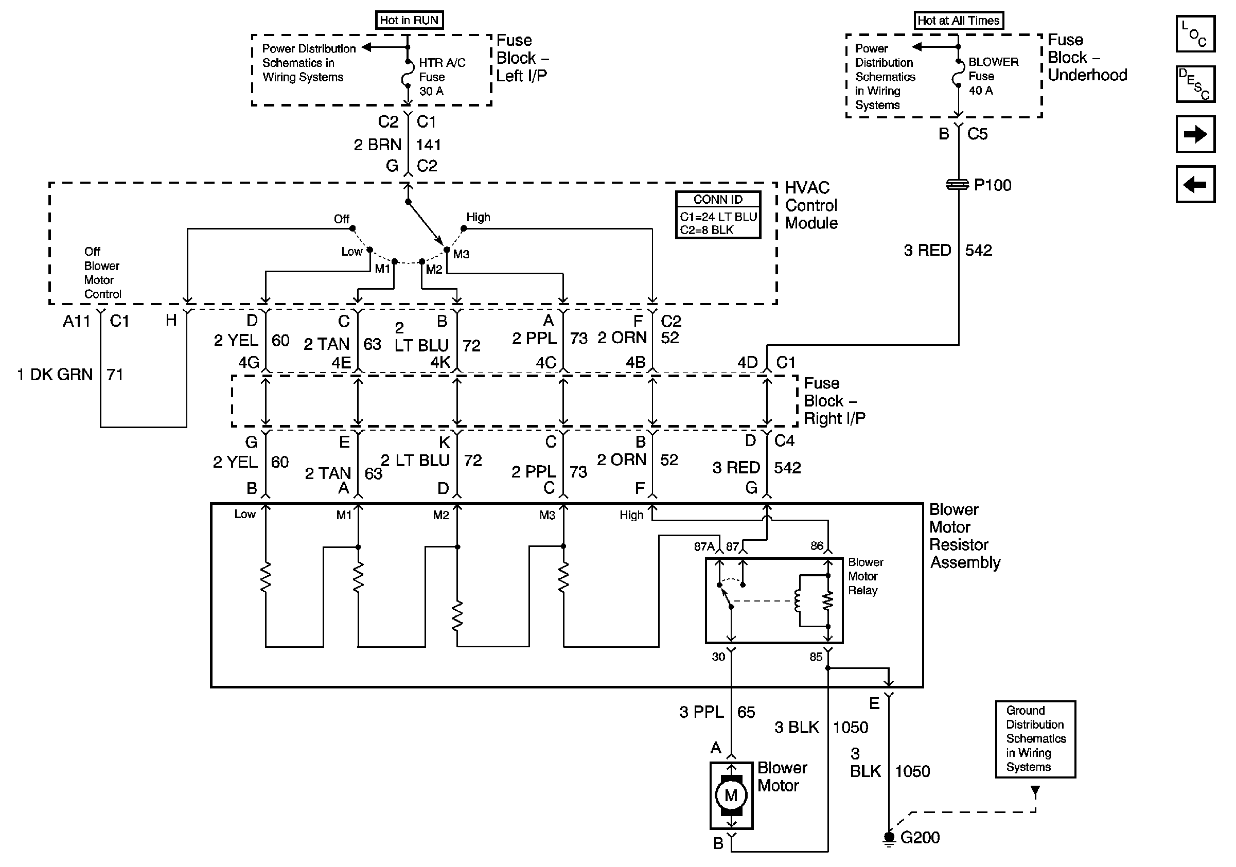
🢒 Front Blower Controls
Front Blower Controls
Front Blower Controls
Master Electrical Component List
Air Delivery Description and Operation
Front Left and Right Temperature Control
Power, Ground, Serial Data, and Ambient Light Sensor
BRAKE, HTR A/C, HVAC I
HVAC B, RR HVAC, BLOWER, RR DEFOG, STOP LP, TREC
G200-1 of 3