GM Service Manual Online
For 1990-2009 cars only
Makes
🢒
GMC_Truck
🢒
2003
🢒
GMC C Sierra - 2WD
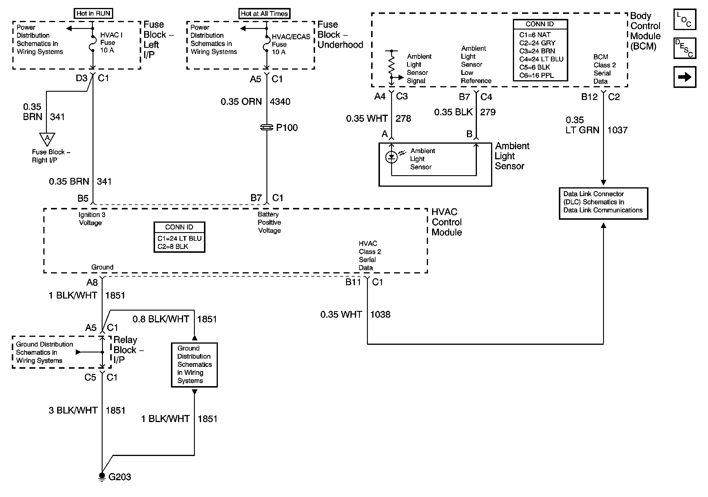
🢒 Power, Ground, Serial Data, and Ambient Light Sensor
Power, Ground, Serial Data, and Ambient Light Sensor
Power, Ground, Serial Data, and Ambient Light Sensor
Master Electrical Component List
Air Delivery Description and Operation
Front Blower Controls
BRAKE, HTR A/C, HVAC I
HVAC B, RR HVAC, BLOWER, RR DEFOG, STOP LP, TREC
Mode and Recirculation Door Controls
SP205 - 1 of 2
G203-1 of 3
G203-1 of 3