GM Service Manual Online
For 1990-2009 cars only
Makes
🢒
GMC_Truck
🢒
2003
🢒
GMC C Sierra - 2WD
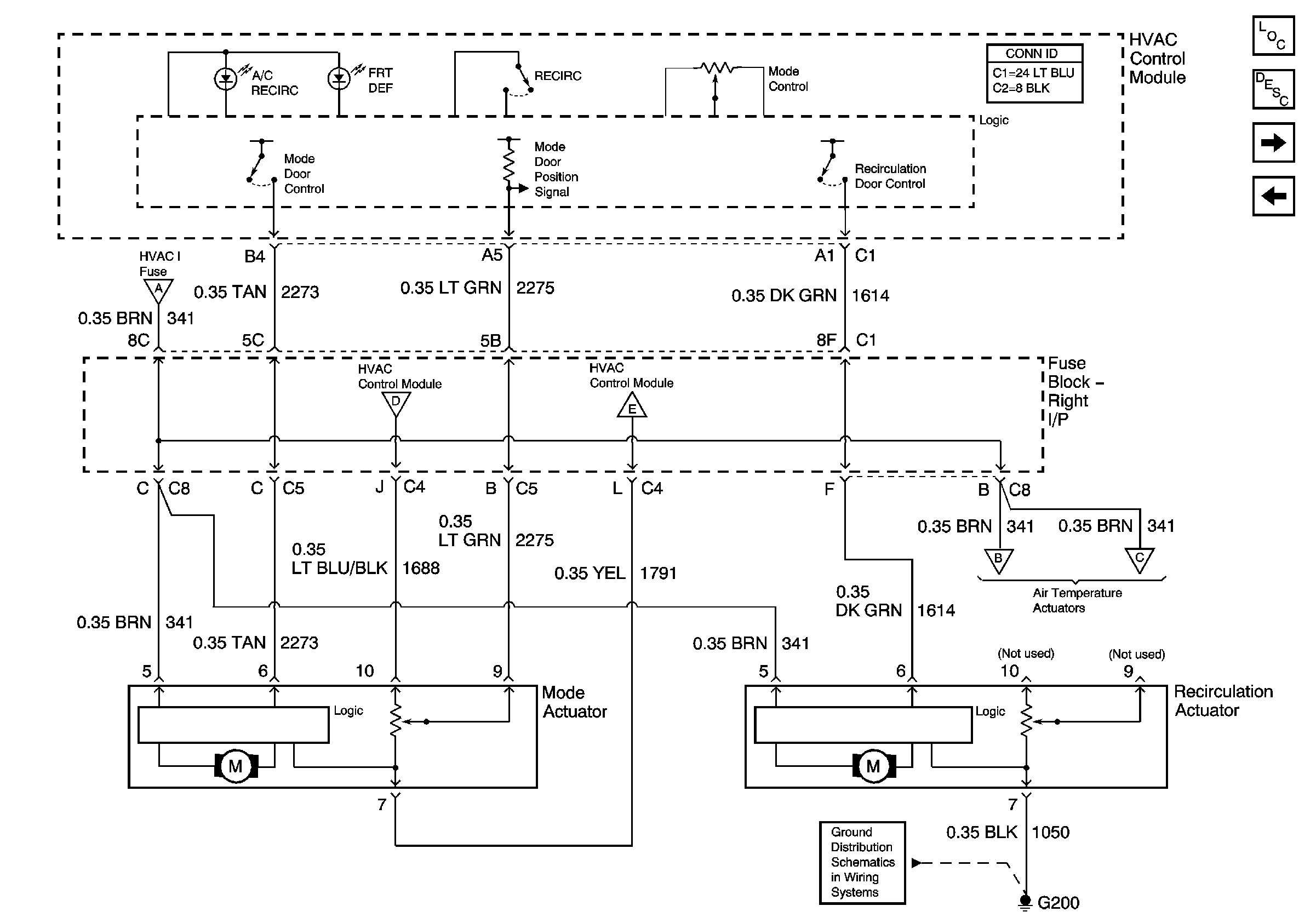
🢒 Mode and Recirculation Door Controls
Mode and Recirculation Door Controls
Mode and Recirculation Door Controls
Master Electrical Component List
Air Delivery Description and Operation
A/C Compressor Controls
Front Left and Right Temperature Control
Power, Ground, Serial Data, and Ambient Light Sensor
Front Left and Right Temperature Control
Front Left and Right Temperature Control
Front Left and Right Temperature Control
Front Left and Right Temperature Control
G200-1 of 3