GM Service Manual Online
For 1990-2009 cars only

Automatic Transmission Controls Schematics 6.5L Diesel

Figure 1:

PCM Power, Brake Switch, and Solenoid Valves


Object Number: 49880  Size: FS
Automatic Transmission Components 6.5L Diesel
Electronic Component Description
TFP Valve Position Switch, PC Sol. Valve, and A/T ISS Sensor
OBD II Symbol Description Notice
Handling ESD Sensitive Parts Notice
Figure 2:

TFP Valve Position Switch, PC Sol. Valve, and A/T ISS Sensor


Object Number: 49881  Size: FS
Automatic Transmission Components 6.5L Diesel
Electronic Component Description
Vehicle Speed Sensor (VSS)
PCM Power, Brake Switch, and Solenoid Valves
OBD II Symbol Description Notice
Handling ESD Sensitive Parts Notice
Handling ESD Sensitive Parts Notice
Figure 3:

Vehicle Speed Sensor (VSS)


Object Number: 49882  Size: FS
Automatic Transmission Components 6.5L Diesel
Electronic Component Description
TFP Valve Position Switch, PC Sol. Valve, and A/T ISS Sensor
OBD II Symbol Description Notice
Handling ESD Sensitive Parts Notice
Handling ESD Sensitive Parts Notice
Handling ESD Sensitive Parts Notice
Handling ESD Sensitive Parts Notice

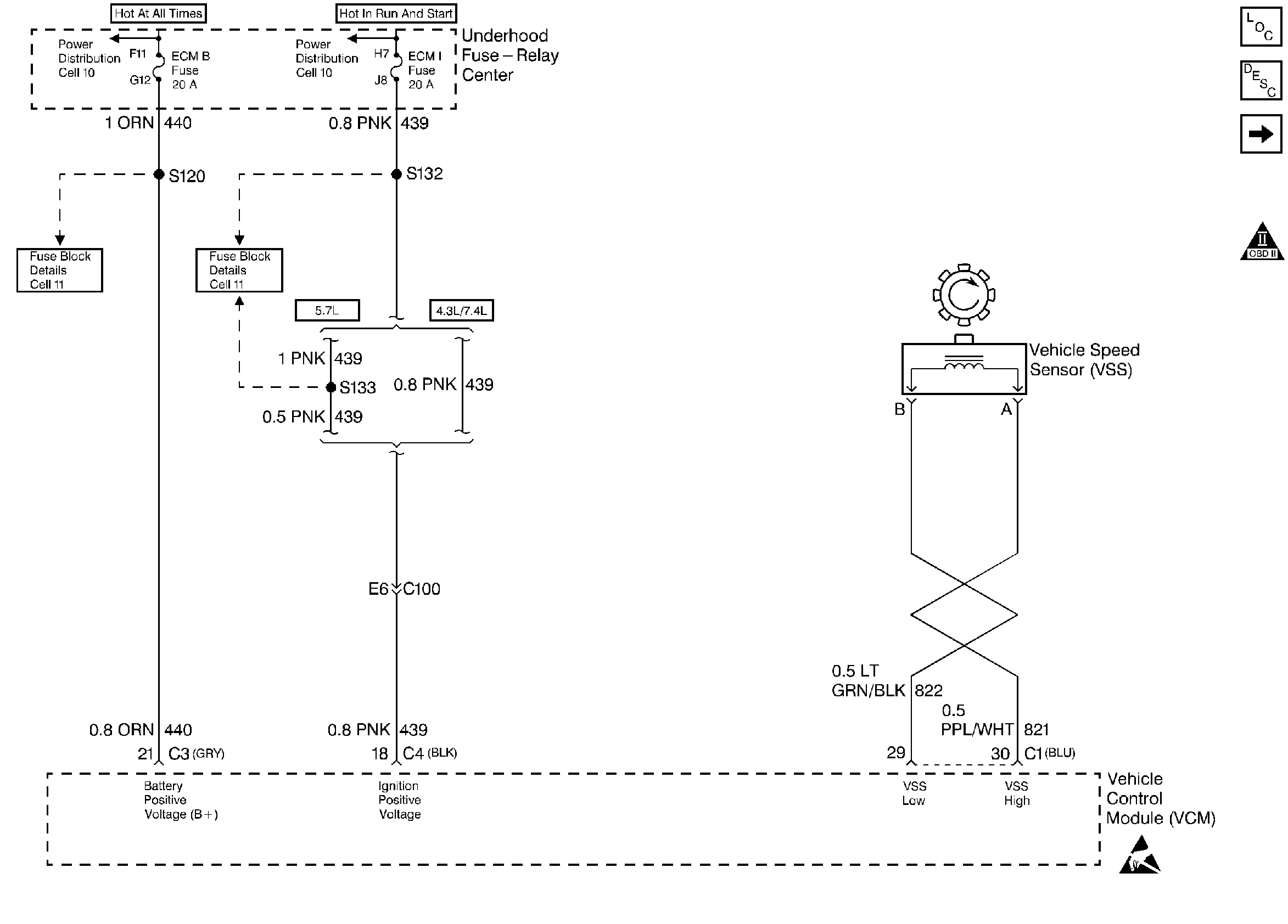
Automatic Transmission Controls Schematics 4.3L, 5.7L, and 7.4L Gas

Figure 1:

VCM Power and VSS Schematic


Object Number: 49875  Size: FS
Automatic Transmission Components 4.3L, 5.7L, and 7.4L Gas
Electronic Component Description
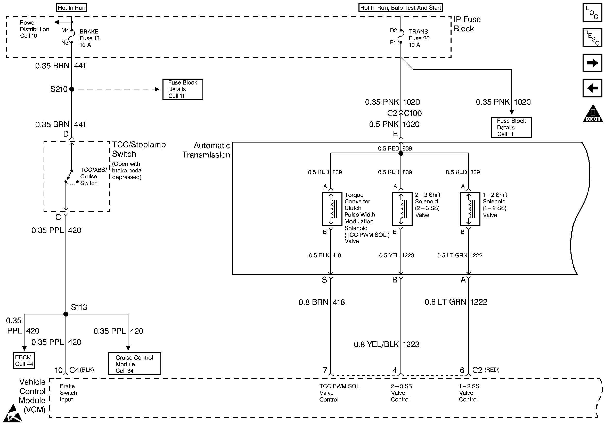
Brake Switch and Solenoid Valves
OBD II Symbol Description Notice
Handling ESD Sensitive Parts Notice
Figure 2:

Brake Switch and Solenoid Valves


Object Number: 49877  Size: FS
Automatic Transmission Components 4.3L, 5.7L, and 7.4L Gas
Electronic Component Description
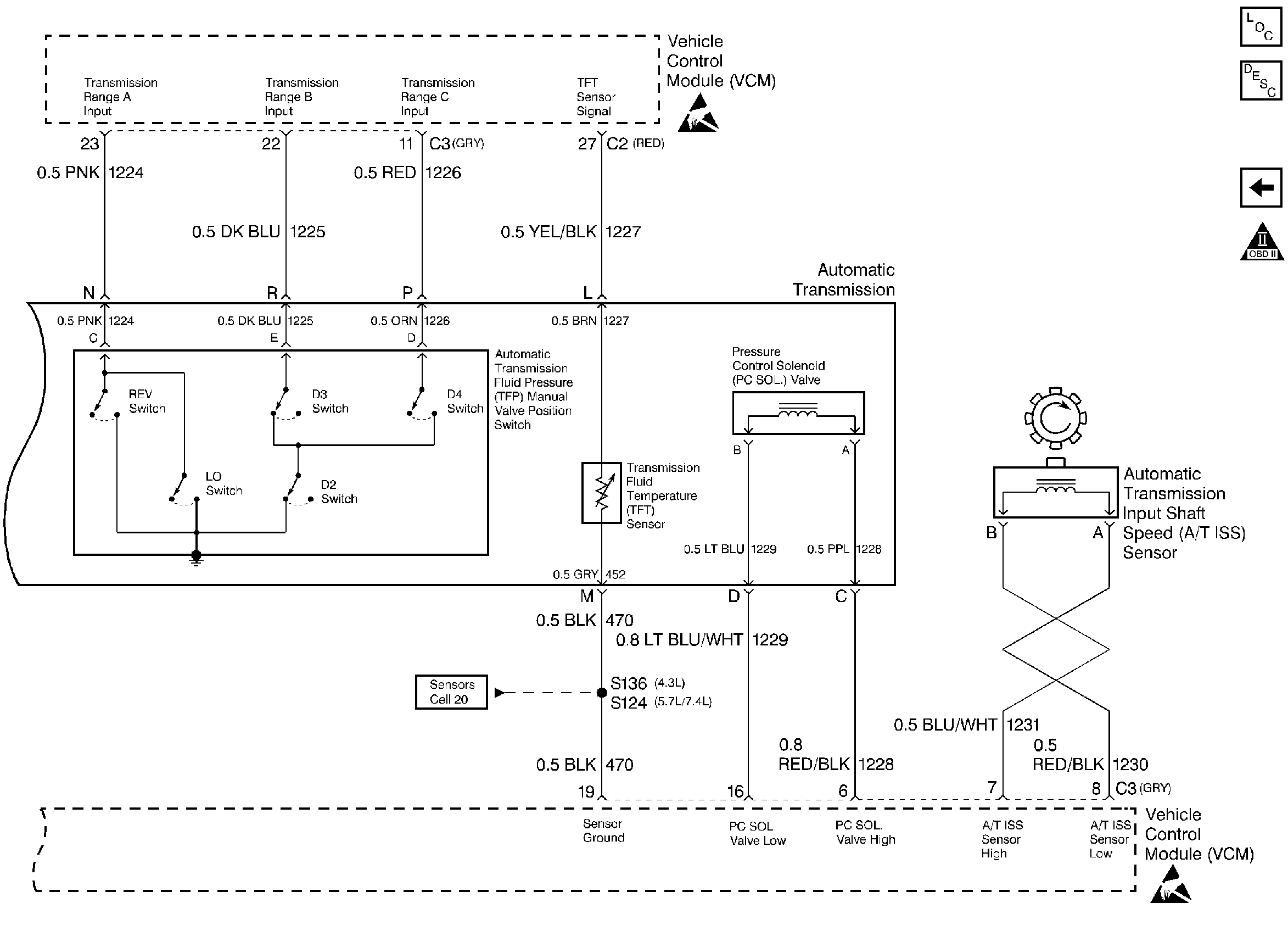
TFP Valve Position Switch and PC Sol. Valve
VCM Power and VSS Schematic
OBD II Symbol Description Notice
Handling ESD Sensitive Parts Notice
Figure 3:

TFP Valve Position Switch and PC Sol. Valve


Object Number: 49879  Size: FS
Automatic Transmission Components 4.3L, 5.7L, and 7.4L Gas
Electronic Component Description
Brake Switch and Solenoid Valves
OBD II Symbol Description Notice
Handling ESD Sensitive Parts Notice
Handling ESD Sensitive Parts Notice