GM Service Manual Online
For 1990-2009 cars only
Makes
🢒
GMC_Truck
🢒
2003
🢒
GMC MD Steel Tilt (W Model)
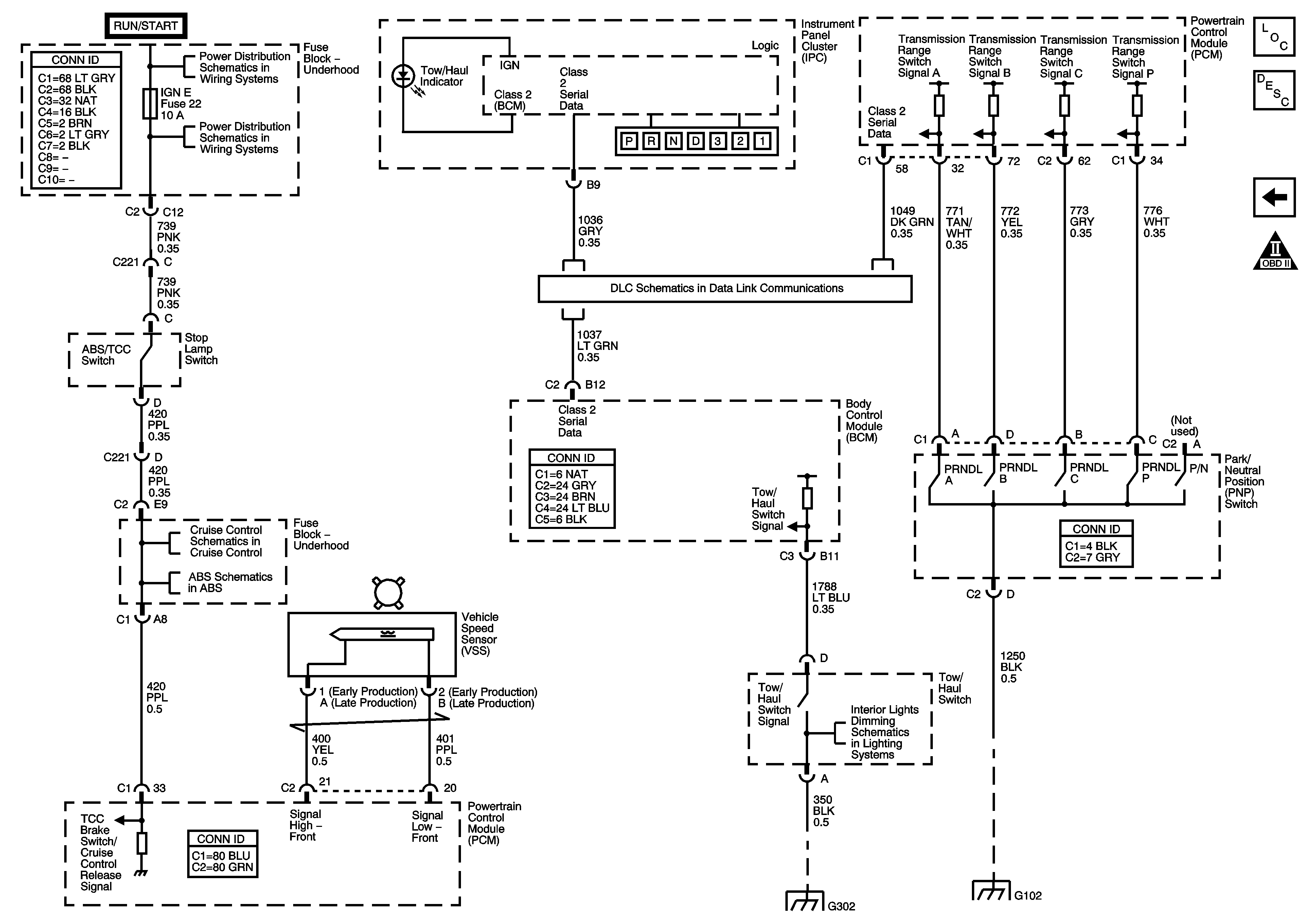
🢒 Temperature/Pressure/Range Switches, and VSS
Temperature/Pressure/Range Switches, and VSS
Switches, Indicator, and VSS
Master Electrical Component List
Transmission Component and System Description
Power, and Solenoid Valve Controls
OBD II Symbol Description Notice
Controls and Backlighting - 1 of 3
Data Link Schematics
G302
G102