GM Service Manual Online
For 1990-2009 cars only
Makes
🢒
GMC_Truck
🢒
2003
🢒
GMC MD Steel Tilt (W Model)
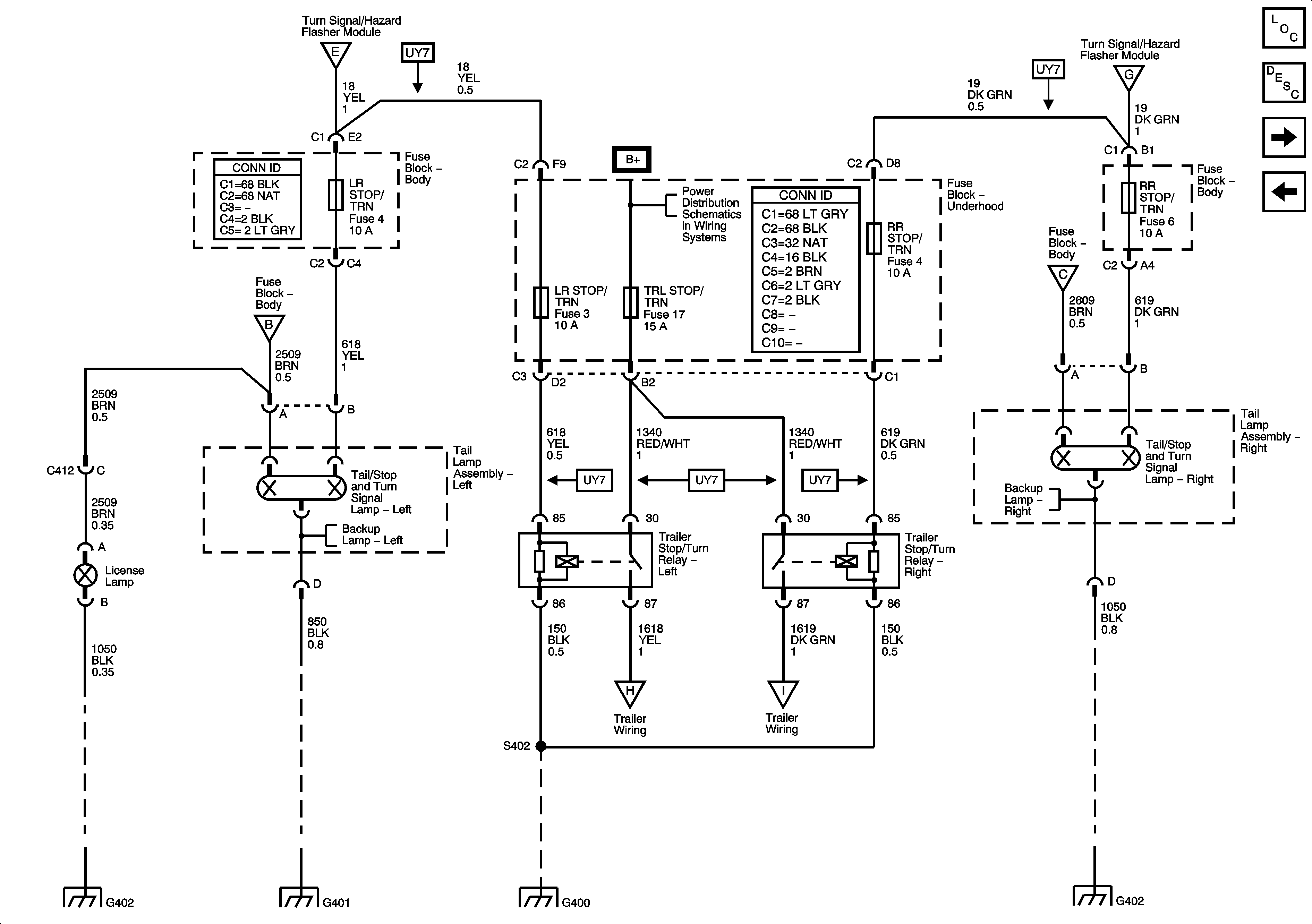
🢒 LR STOP/TRN, RR STOP/TRN, LR TURN, RR TURN, and TRLR STOP/TURN Fuses
LR STOP/TRN, RR STOP/TRN, LR TURN, RR TURN, and TRLR STOP/TURN Fuses
LR STOP/TRN, RR STOP/TRN, LR TURN, RR TURN and TRLR STOP/TRN Fuses
Master Electrical Component List
Exterior Lighting Systems Description and Operation
Backup Lamps (w/o Cutaway) and Front Park/Turn/Marker Lamps
Turn Signal/Hazard FLasher Module, and DR TRN MIR, PASS TRN MIR Fuses
Turn Signal/Hazard FLasher Module, and DR TRN MIR, PASS TRN MIR Fuses
Turn Signal/Hazard FLasher Module, and DR TRN MIR, PASS TRN MIR Fuses
Headlamp and Panel Dimmer Switch, Park Lamp Relay, and FR PRK, LR PRK, RR PRK, TRLR PRK, UPFTR PRK Fuses
B+ Bus - Underhood Fuse Block
Headlamp and Panel Dimmer Switch, Park Lamp Relay, and FR PRK, LR PRK, RR PRK, TRLR PRK, UPFTR PRK Fuses
Backup Lamps (w/o Cutaway) and Front Park/Turn/Marker Lamps
Backup Lamps (w/o Cutaway) and Front Park/Turn/Marker Lamps
Backup (Cutaway) and Trailer Wiring
Backup (Cutaway) and Trailer Wiring
G402 (Passenger/Cargo) and G403 (PRP)
G401 (Passenger/Cargo)
G400
G402 (Passenger/Cargo) and G403 (PRP)