GM Service Manual Online
For 1990-2009 cars only
Makes
🢒
GMC_Truck
🢒
2003
🢒
GMC MD Steel Tilt (W Model)
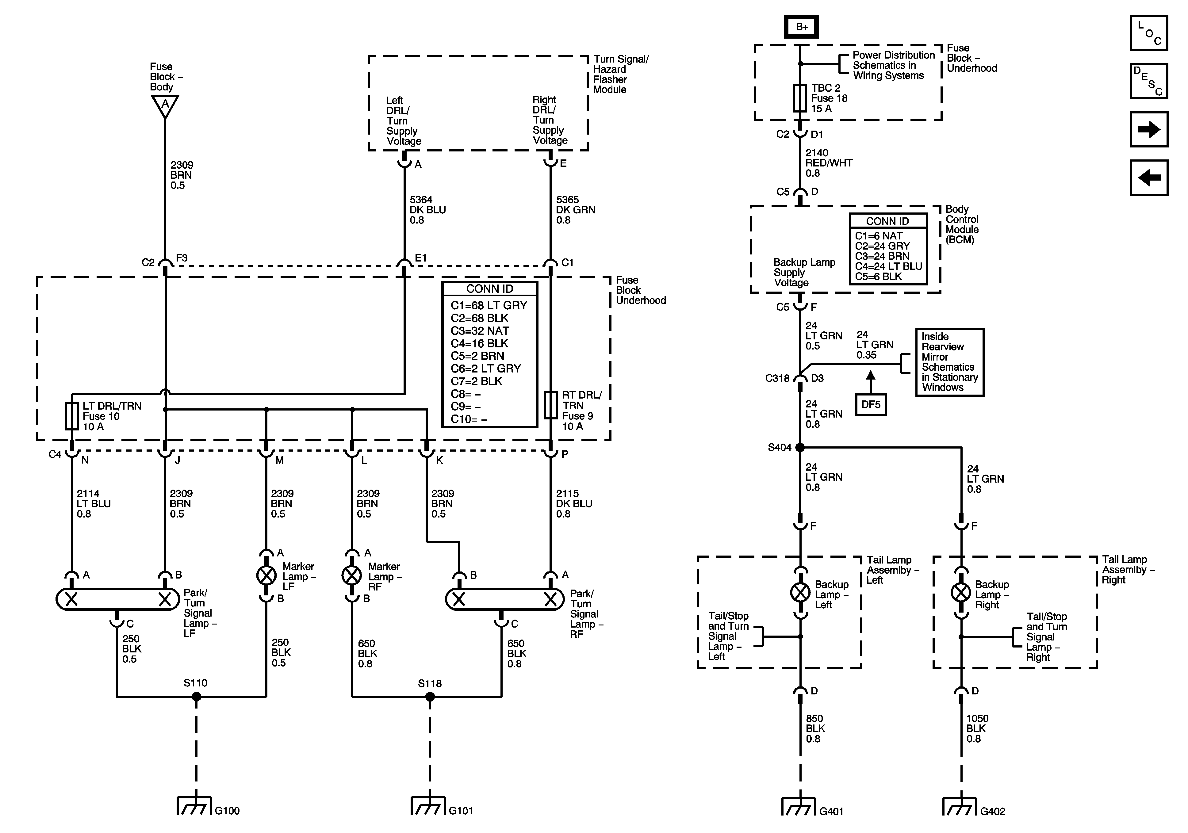
🢒 Backup Lamps (w/o Cutaway) and Front Park/Turn/Marker Lamps
Backup Lamps (w/o Cutaway) and Front Park/Turn/Marker Lamps
Backup Lamps - w/o Cutaway and Front Park/Turn/Marker Lamps
Master Electrical Component List
Exterior Lighting Systems Description and Operation
Backup (Cutaway) and Trailer Wiring
LR STOP/TRN, RR STOP/TRN, LR TURN, RR TURN, and TRLR STOP/TURN Fuses
Headlamp and Panel Dimmer Switch, Park Lamp Relay, and FR PRK, LR PRK, RR PRK, TRLR PRK, UPFTR PRK Fuses
Inside Rearview Mirror
LR STOP/TRN, RR STOP/TRN, LR TURN, RR TURN, and TRLR STOP/TURN Fuses
LR STOP/TRN, RR STOP/TRN, LR TURN, RR TURN, and TRLR STOP/TURN Fuses
G100, and G101
G100, and G101
G401 (Passenger/Cargo)
G402 (Passenger/Cargo) and G403 (PRP)