GM Service Manual Online
For 1990-2009 cars only
Makes
🢒
GMC_Truck
🢒
2003
🢒
GMC MD Steel Tilt (W Model)
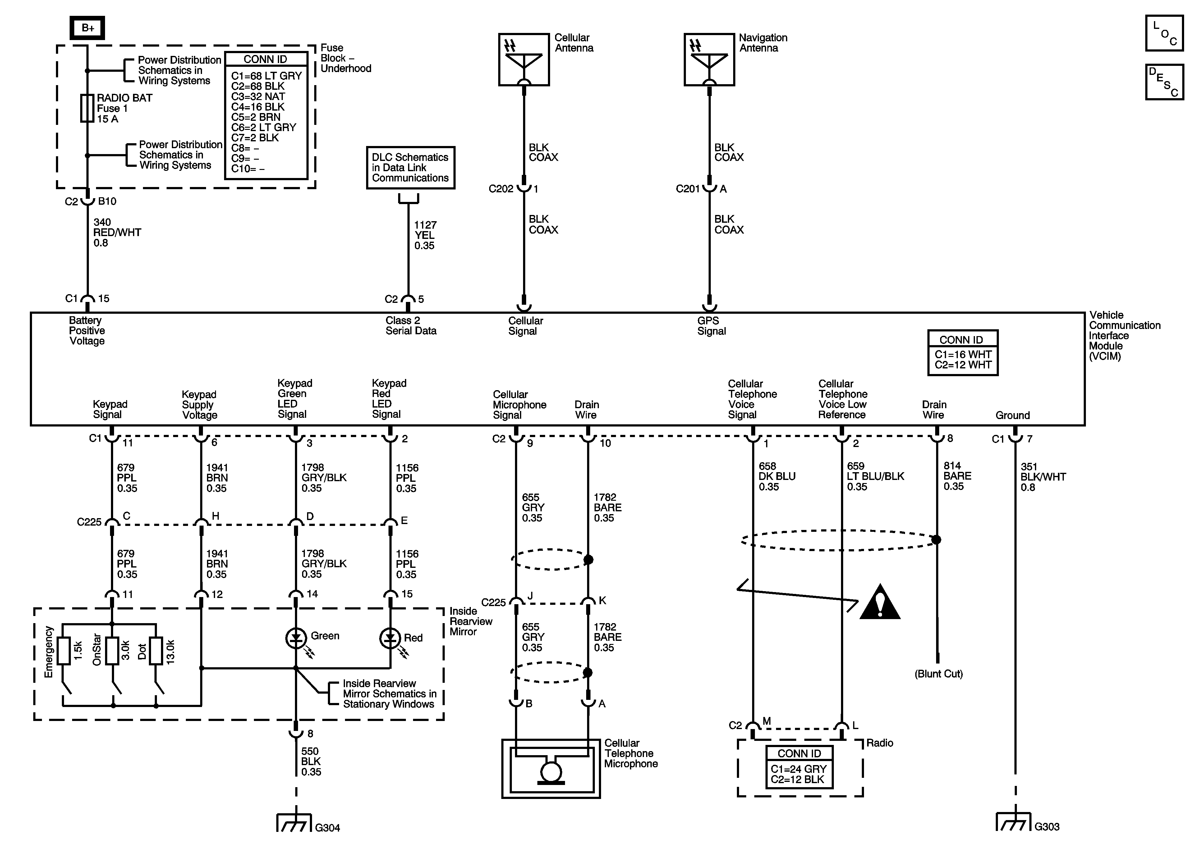
🢒 Cellular Communication Schematics
Cellular Communication Schematics
Master Electrical Component List
OnStar Description and Operation
B+ Bus - Underhood Fuse Block
TBC, TBC 2, TBC 3, TBC 4,RADIO BAT, RR DEF/HTD MIR, FLASHER, and RFA Fuses, and PWR SEAT Circuit Breaker
Data Link Schematics
Inside Rearview Mirror
G303, and G304
G303, and G304