GM Service Manual Online
For 1990-2009 cars only
Makes
🢒
GMC_Truck
🢒
2003
🢒
GMC MD Steel Tilt (W Model)
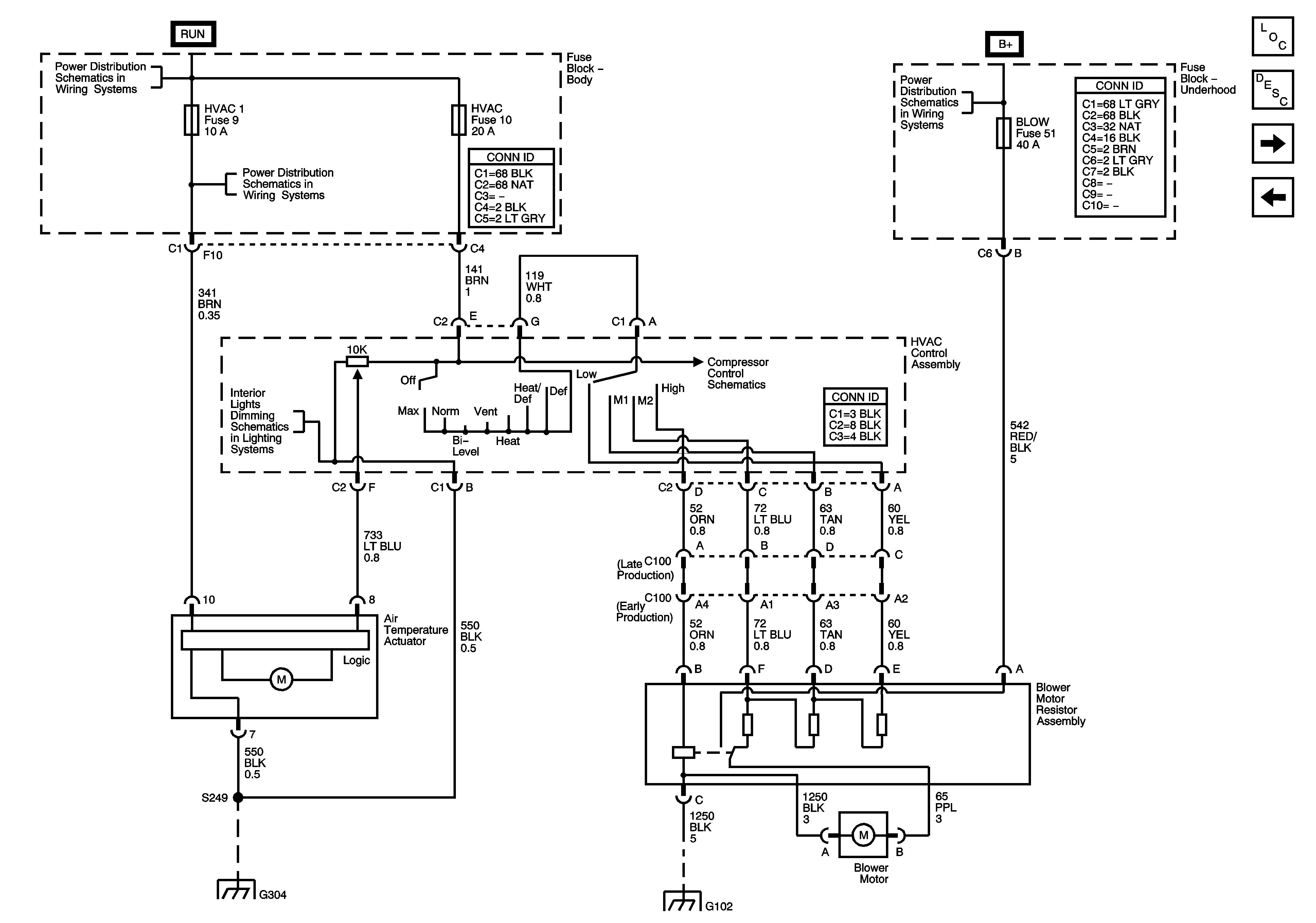
🢒 Primary Blower and Air Delivery Controls (C60)
Primary Blower and Air Delivery Controls (C60)
Primary Blower and Air Delivery Controls (C60)
Master Electrical Component List
Air Temperature Description and Operation
Compressor Controls (C60)
Primary Blower and Air Delivery Controls (C42)
IGN A Fuse
HVAC 1 Fuse
B+ Bus - Underhood Fuse Block
Controls and Backlighting - 1 of 3
Compressor Controls (C60)
G303, and G304
G102