GM Service Manual Online
For 1990-2009 cars only
Makes
🢒
GMC_Truck
🢒
2003
🢒
GMC MD Steel Tilt (W Model)
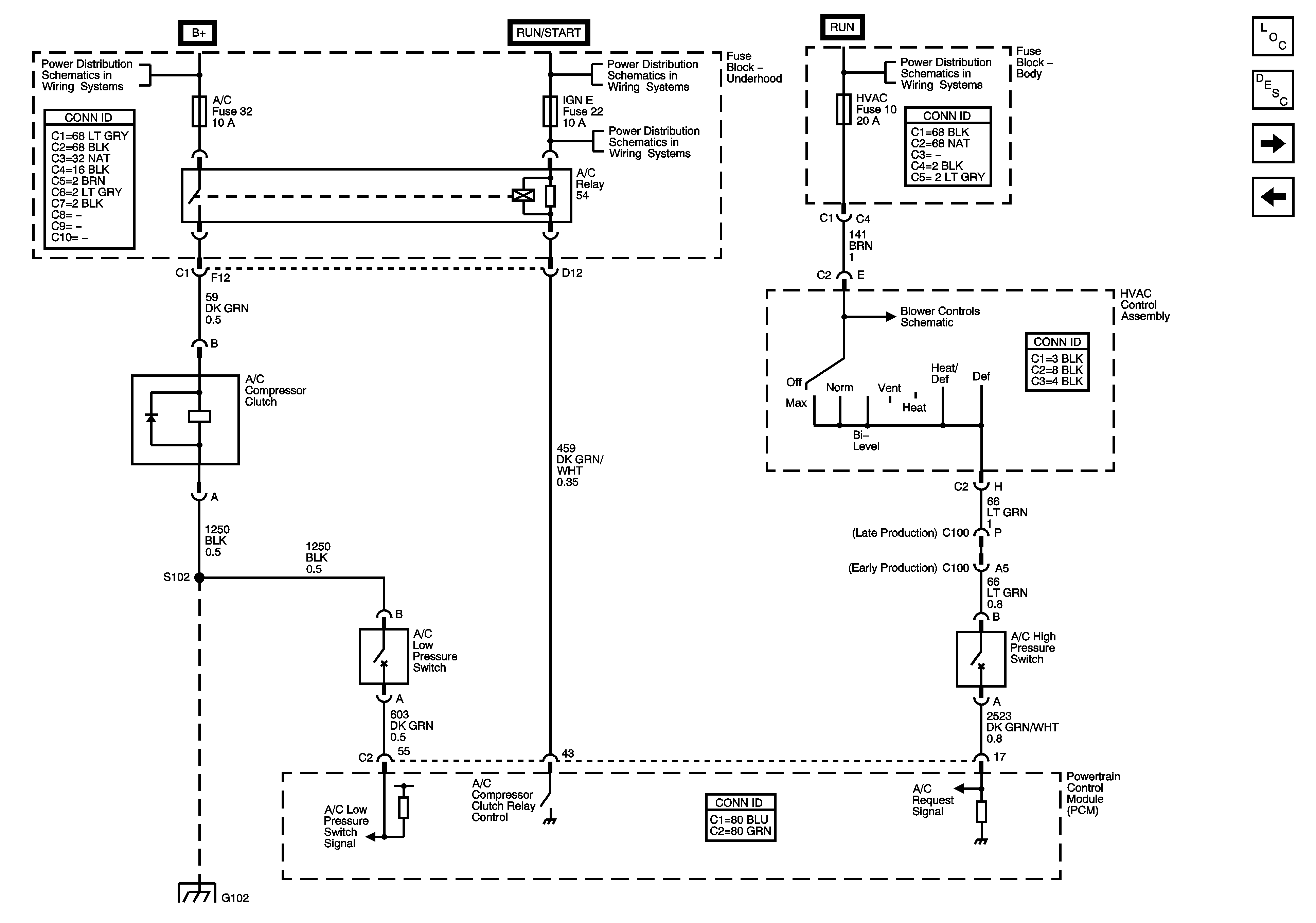
🢒 Compressor Controls (C60)
Compressor Controls (C60)
Compressor Controls (C60)
Master Electrical Component List
Air Temperature Description and Operation
Rear HVAC with Rear Auxiliary Controls 1 of 3 (C69)
Primary Blower and Air Delivery Controls (C60)
B+ Bus - Underhood Fuse Block
IGN B Fuse
SPARE, IGN E, SIR, TBC IGN 1, and ISRV Fuses
Primary Blower and Air Delivery Controls (C60)
IGN A Fuse
G102