GM Service Manual Online
For 1990-2009 cars only
Makes
🢒
GMC_Truck
🢒
2003
🢒
GMC MD Steel Tilt (W Model)
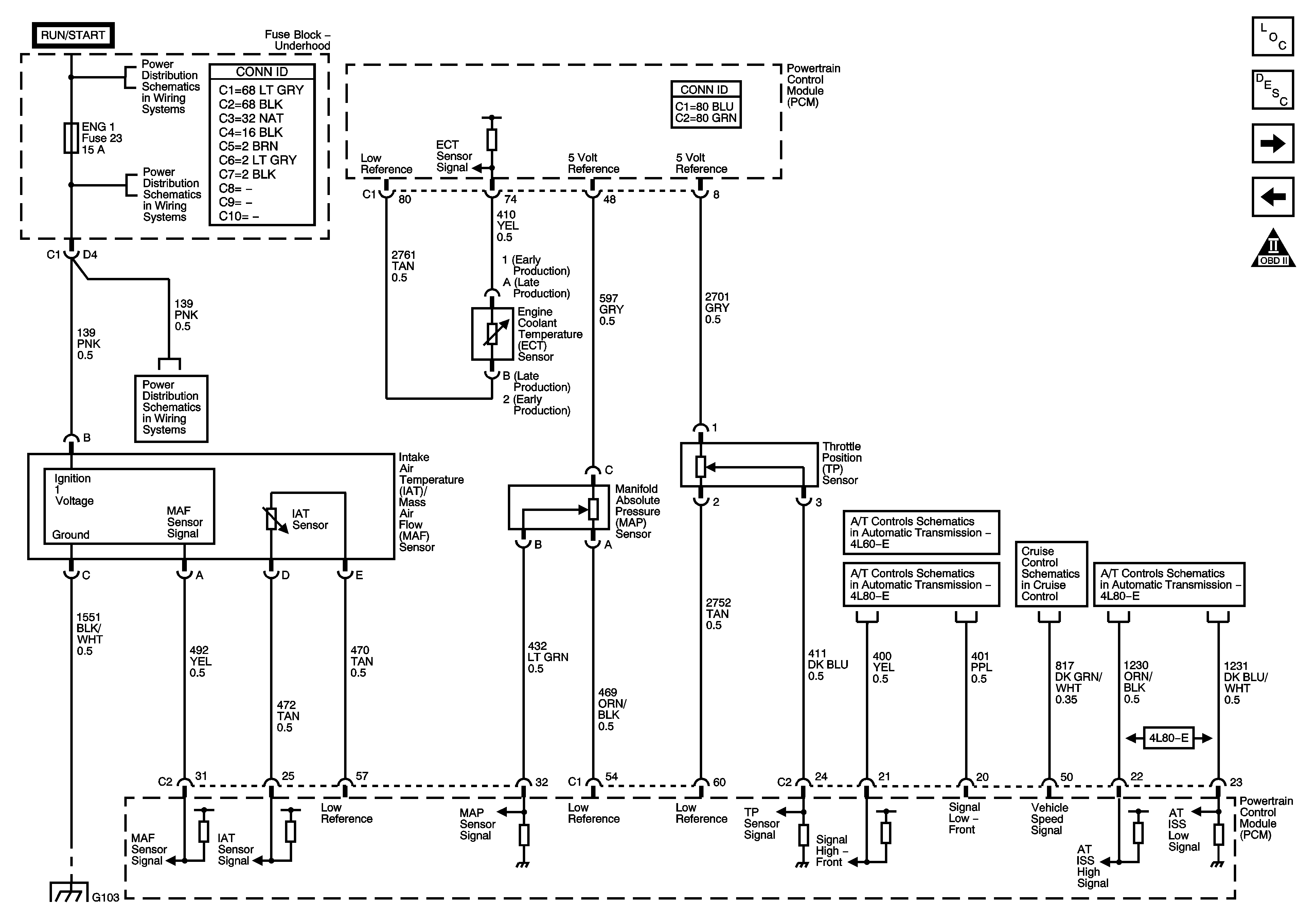
🢒 Engine Data Sensors
Engine Data Sensors
Engine Data Sensors
Master Electrical Component List
Powertrain Control Module Description
Oxygen Sensors
5 Volt Reference (4.8L, 5.3L, and 6.0L)
OBD II Symbol Description Notice
IGN B Fuse
ENG 1, and ENG 2 Fuses - 4.8L, 5.3L, and 6.0L
ENG 1, and ENG 2 Fuses - 4.8L, 5.3L, and 6.0L
Temperature/Pressure/Range Switches, and VSS
Temperature/Pressure/Range Switches and VSS
Cruise Control
G103, G104, G105, G106, G300, and G301
Temperature/Pressure/Range Switches and VSS