GM Service Manual Online
For 1990-2009 cars only
Makes
🢒
GMC_Truck
🢒
2003
🢒
GMC MD Steel Tilt (W Model)
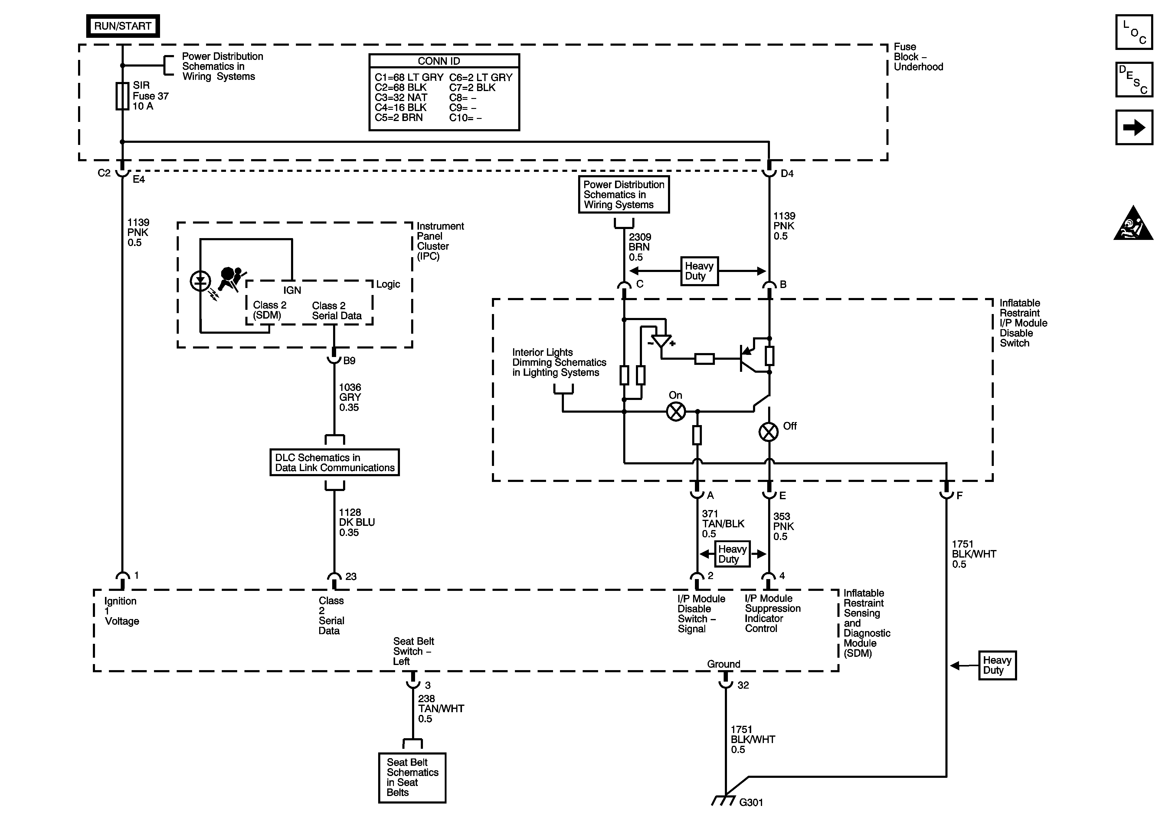
🢒 Inflatable Restraint Steering Wheel Module
Inflatable Restraint Steering Wheel Module
Module Power, Ground, Serial Data, Indicator and Disable Switch
Master Electrical Component List
SIR System Description and Operation
Inflatable Restraint I/P Module
SIR Caution for Zoning
IGN B Fuse
Data Link Schematics
FRLR PRK, RR PRK, TRLR PRK, and UPFTR PRK Fuses
Controls and Backlighting - 1 of 3
Seat Belt Schematics