GM Service Manual Online
For 1990-2009 cars only
Makes
🢒
GMC_Truck
🢒
2004
🢒
GMC MD Steel Tilt (W Model)
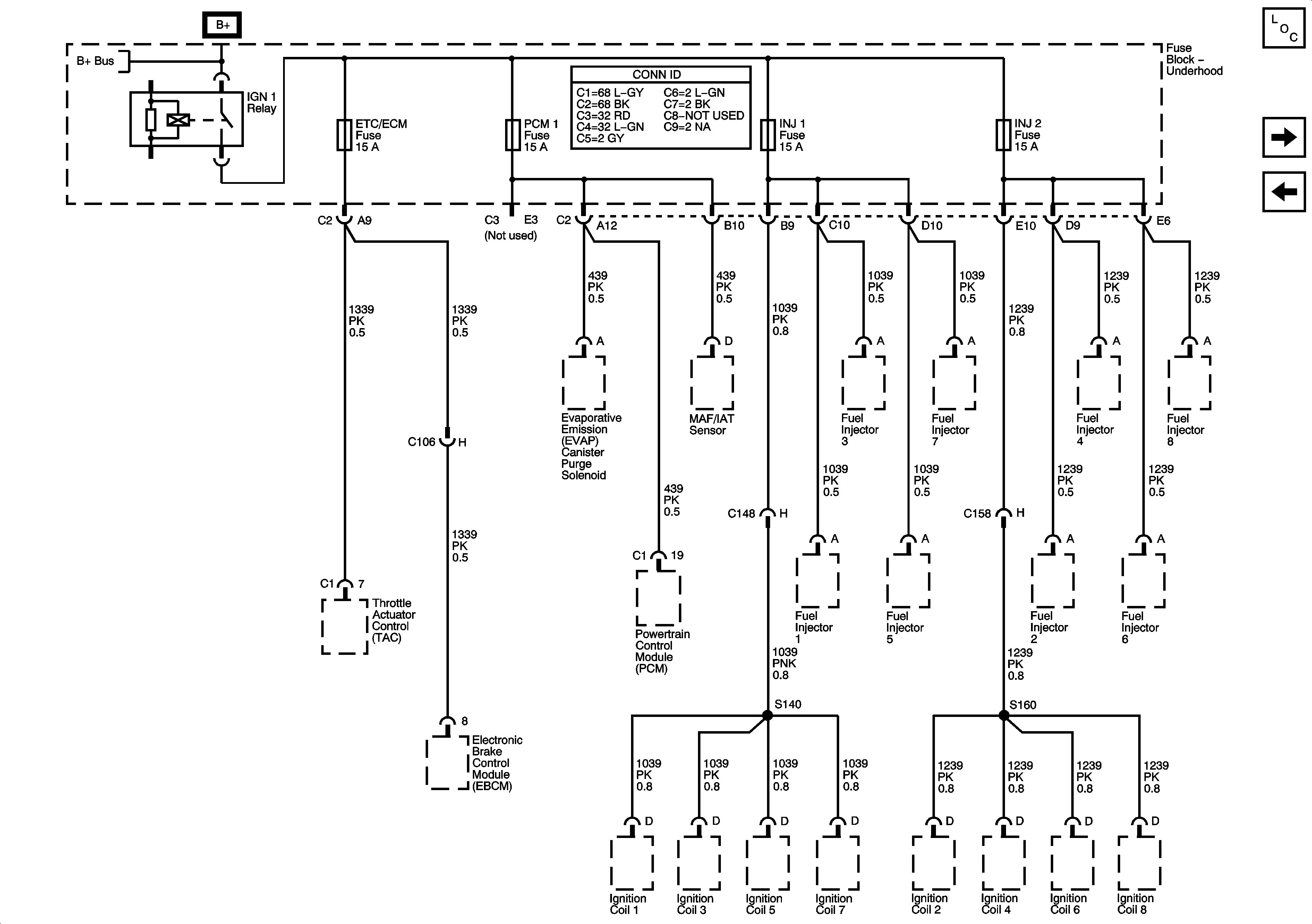
🢒 ETC/ECM, PCM I, INJ 1, and INJ 2 Fuses
ETC/ECM, PCM I, INJ 1, and INJ 2 Fuses
ECT/ECM, PCM 1, INJ 1, and INJ 2 Fuses
Master Electrical Component List
WS WPR, SEO ACCY, RR WPR, TBC ACCY, TBC IGN 0, and IGN 0 Fuses
SEO IGN, SIR, and IGN E Fuses
B+Bus