GM Service Manual Online
For 1990-2009 cars only
Makes
🢒
GMC_Truck
🢒
2004
🢒
GMC MD Steel Tilt (W Model)
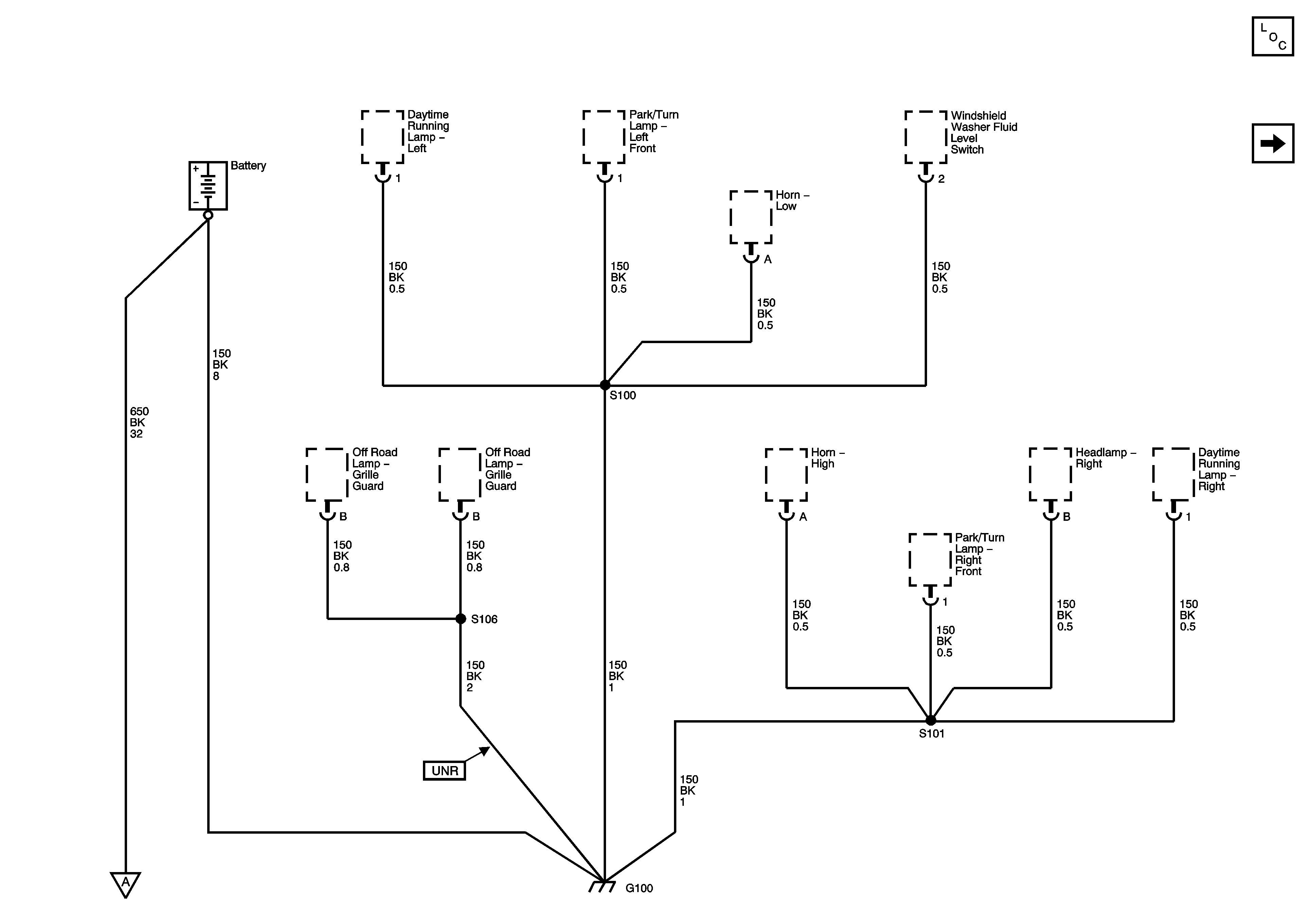
🢒 G100
G100
G100
Master Electrical Component List
G102 and G103
G102 and G103