GM Service Manual Online
For 1990-2009 cars only
Makes
🢒
GMC_Truck
🢒
2004
🢒
GMC MD Steel Tilt (W Model)
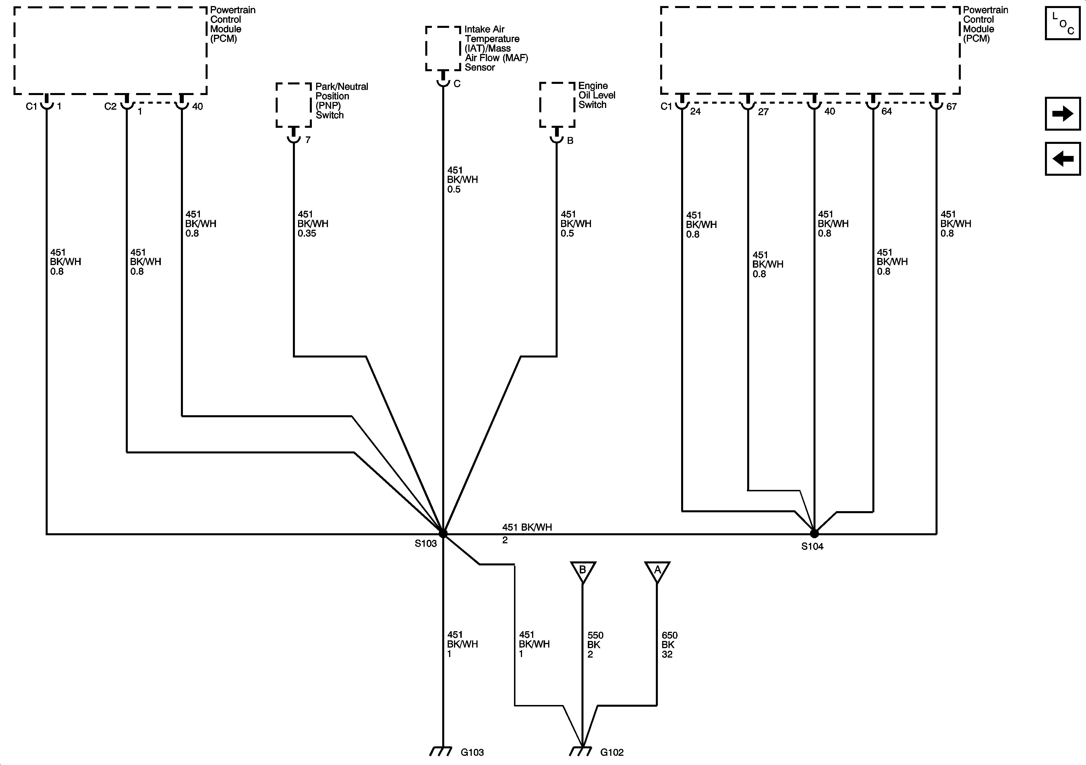
🢒 G102 and G103
G102 and G103
G102 and G103
Master Electrical Component List
G104 and G106
G100
G104 and G106
G100