GM Service Manual Online
For 1990-2009 cars only
Makes
🢒
GMC_Truck
🢒
2004
🢒
GMC MD Steel Tilt (W Model)
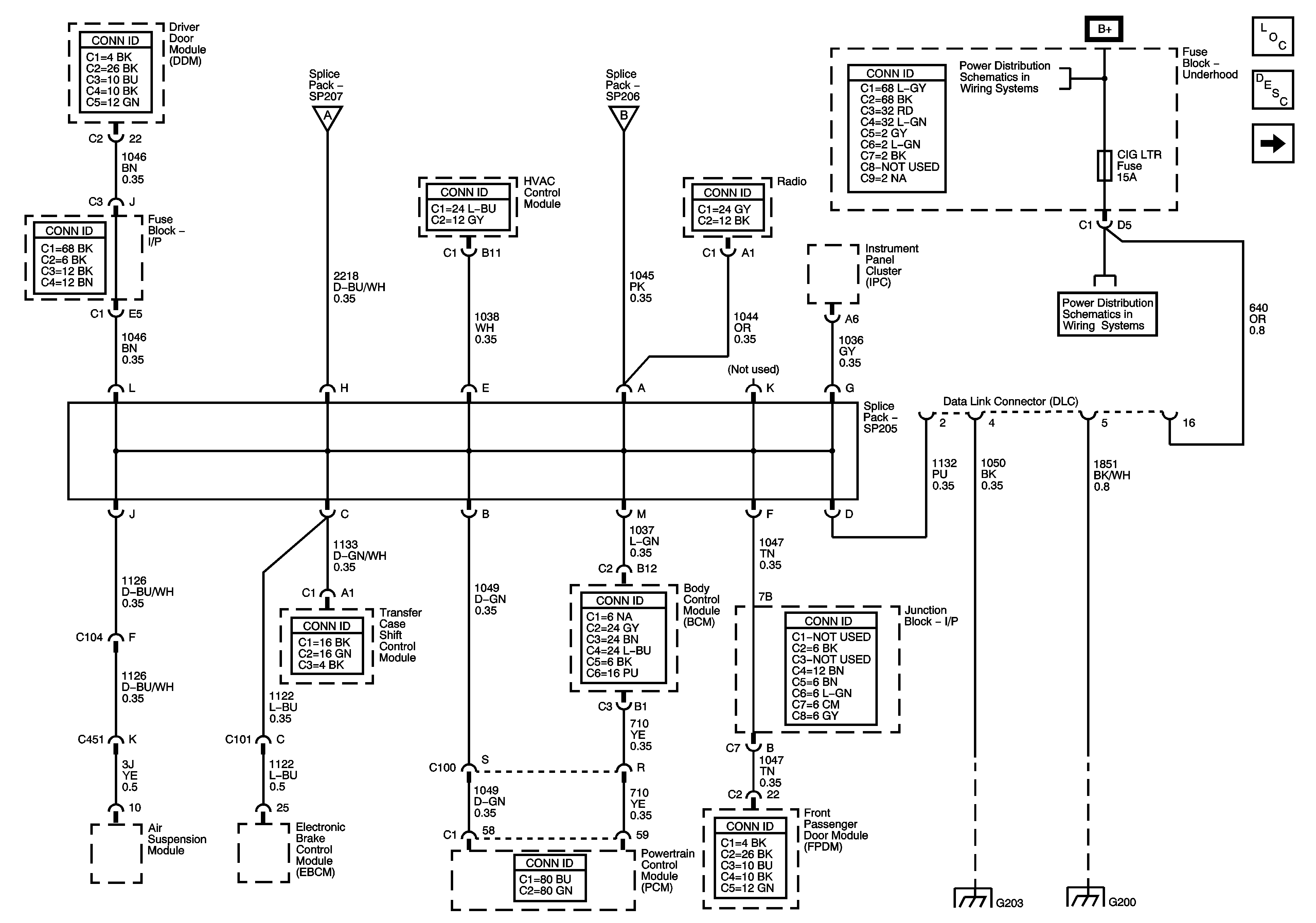
🢒 Power, Ground, DLC, and Splice Pack SP205
Power, Ground, DLC, and Splice Pack SP205
Power, Ground, DLC, and SP205
Master Electrical Component List
Splice Packs SP 206 and SP 207, and Dedicated TAC Serial Data Circuits
Splice Packs SP 206 and SP 207, and Dedicated TAC Serial Data Circuits
Splice Packs SP 206 and SP 207, and Dedicated TAC Serial Data Circuits
B+Bus
CIG LTR, AUX PWR 1, SUNROOF, RADIO, RADIO AMP, and RR HVAC Fuses
G200
CKT 1050: S301 and S213