GM Service Manual Online
For 1990-2009 cars only
Makes
🢒
GMC_Truck
🢒
2004
🢒
GMC MD Steel Tilt (W Model)
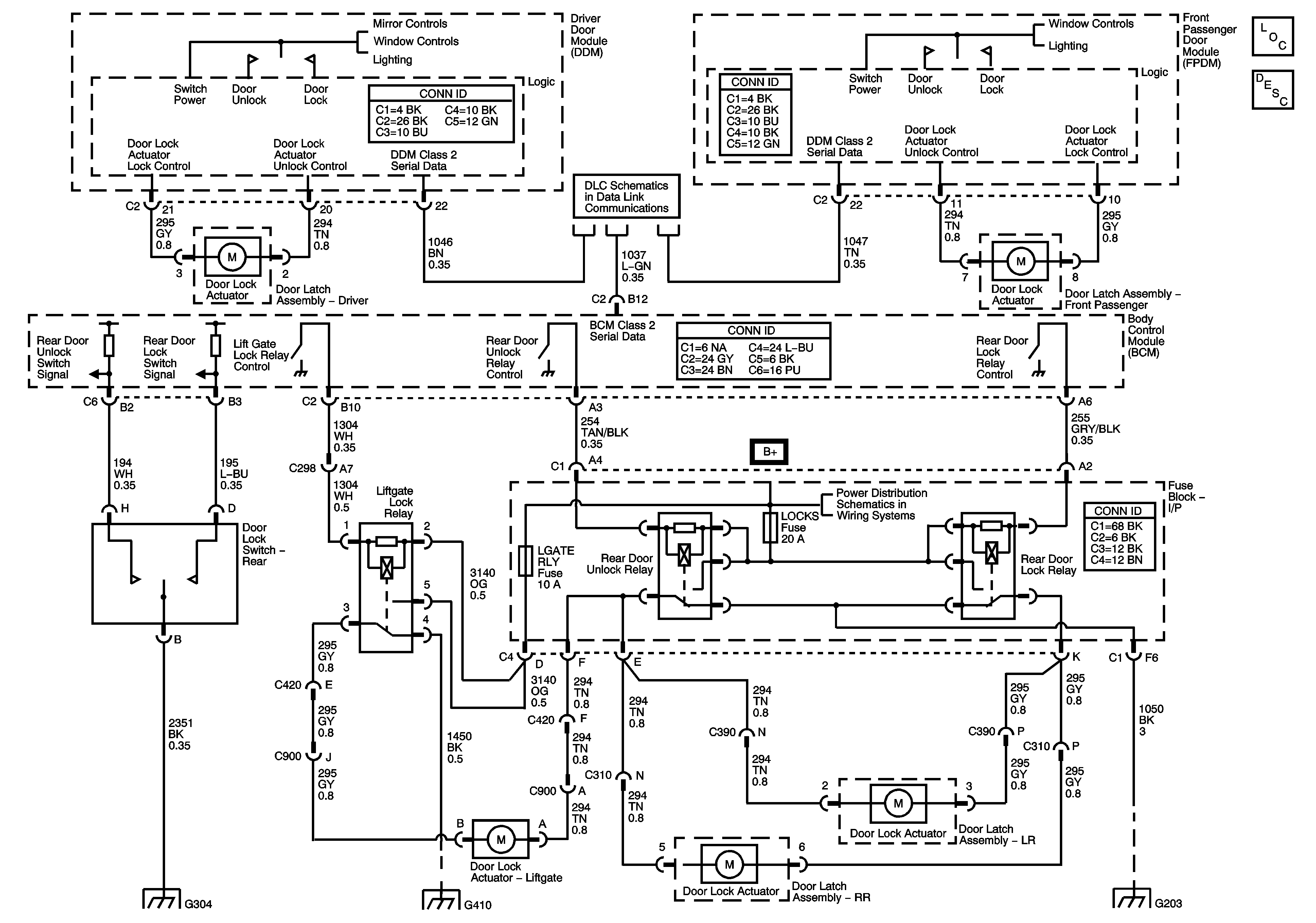
🢒 Door Lock/Indicator Schematics
Door Lock/Indicator Schematics
Master Electrical Component List
Power Door Locks Description and Operation
Outside Mirror Schematics
Front Door Windows
Driver Window, Door, and Seat Switches
Power, Ground, DLC, and Splice Pack SP205
Front Door Windows
Front Passenger Window, Door, and Seat Switches
CKT 1050: G203, S302, S303, S351, and S215
LBEC 1, LBEC 2, INFO, FPDM, AUX PWR, DDM, LOCKS, TBC 2A, 2B, and 2C, and LT DOORS Circuit Breaker
G402, G405, and G410
G302, G304, and G306