GM Service Manual Online
For 1990-2009 cars only
Makes
🢒
GMC_Truck
🢒
2004
🢒
GMC MD Steel Tilt (W Model)
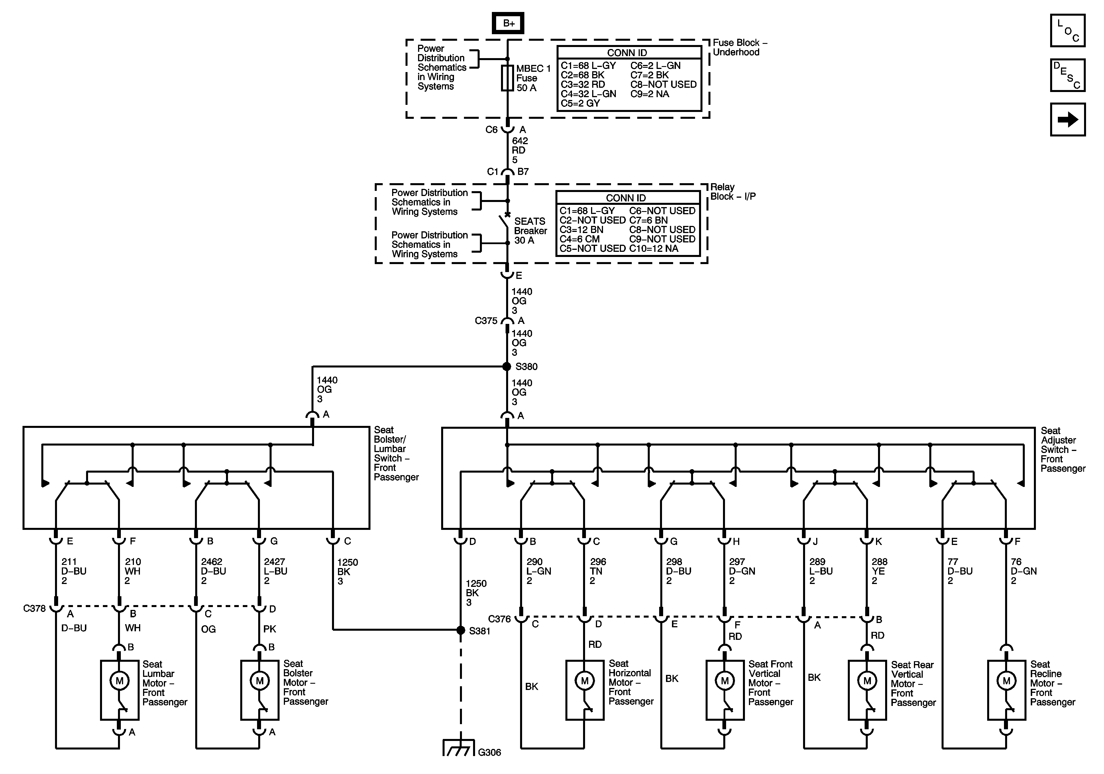
🢒 8-Way Power and Lumbar Controls
8-Way Power and Lumbar Controls
8-Way Power and Lumbar Controls
Master Electrical Component List
Power Seats System Description and Operation
HORN, LO HDLP LT, LO HDLP RT, HI HDLP RT, and HI HDLP LT Fuses
B+Bus
STUD 1, STUD 2, VSES/ECAS, BLOWER, ABS, MBEC 1 Fuses, RT DOORS and SEATS Circuit Breakers
G302, G304, and G306