GM Service Manual Online
For 1990-2009 cars only
Makes
🢒
GMC_Truck
🢒
2004
🢒
GMC MD Steel Tilt (W Model)
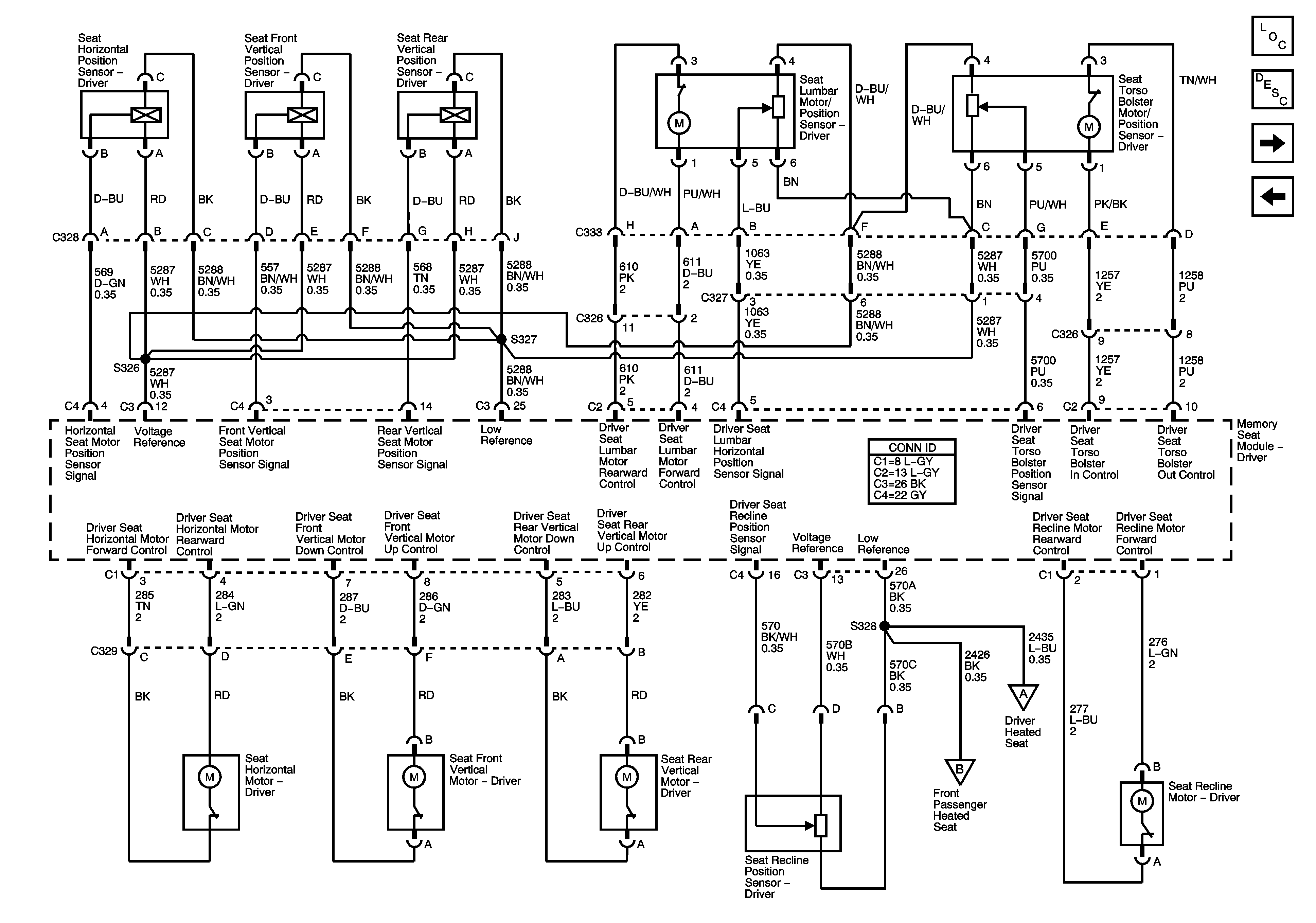
🢒 Power and Lumbar Motors and Sensors
Power and Lumbar Motors and Sensors
Driver Memory Lumbar, Torso Bolster, and Recline
Master Electrical Component List
Memory Seats Description and Operation
Heat Controls
Power, Ground, and Power and Lumbar Controls
Heat Controls
Heat Controls