GM Service Manual Online
For 1990-2009 cars only
Makes
🢒
GMC_Truck
🢒
2004
🢒
GMC MD Steel Tilt (W Model)
🢒 Heat Controls
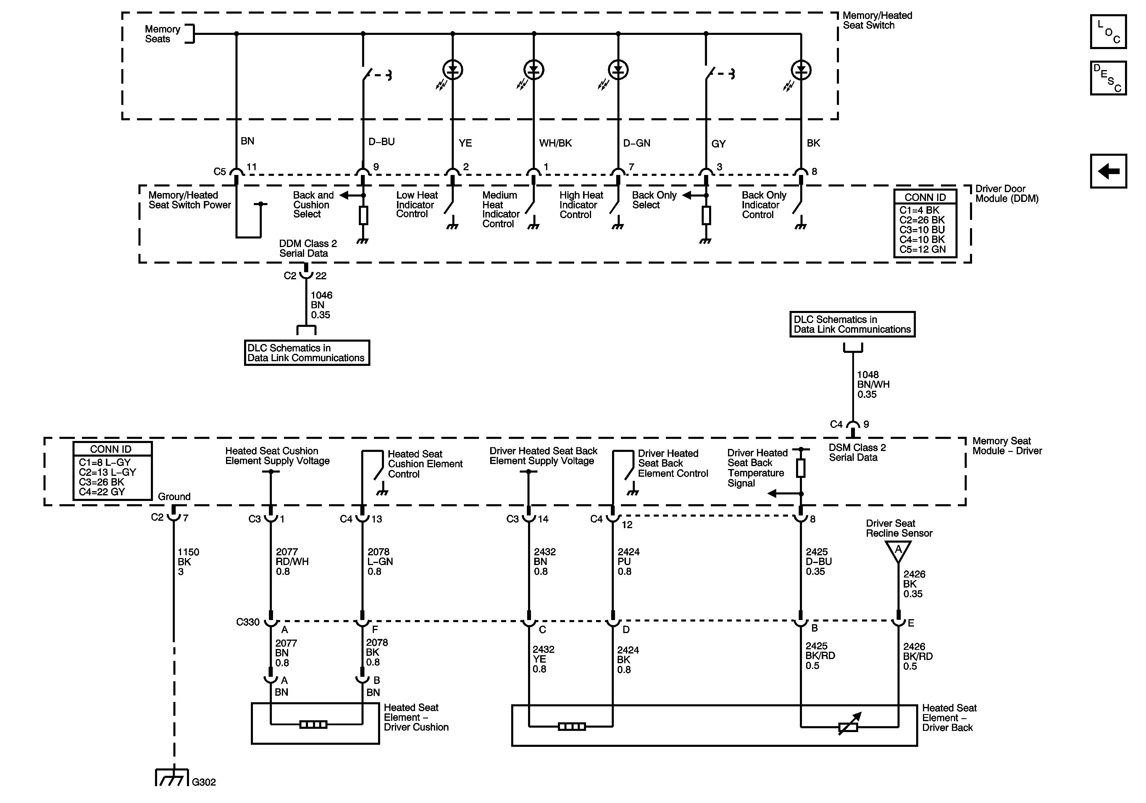
Heat Controls
Driver Heated Seat
Master Electrical Component List
Heated Seats Description and Operation Front
Power and Lumbar Motors and Sensors
Power, Ground, and Power and Lumbar Controls
Power, Ground, DLC, and Splice Pack SP205
Splice Packs SP 206 and SP 207, and Dedicated TAC Serial Data Circuits
Power and Lumbar Motors and Sensors
G302, G304, and G306