GM Service Manual Online
For 1990-2009 cars only
Makes
🢒
GMC_Truck
🢒
2000
🢒
Jimmy - 2WD
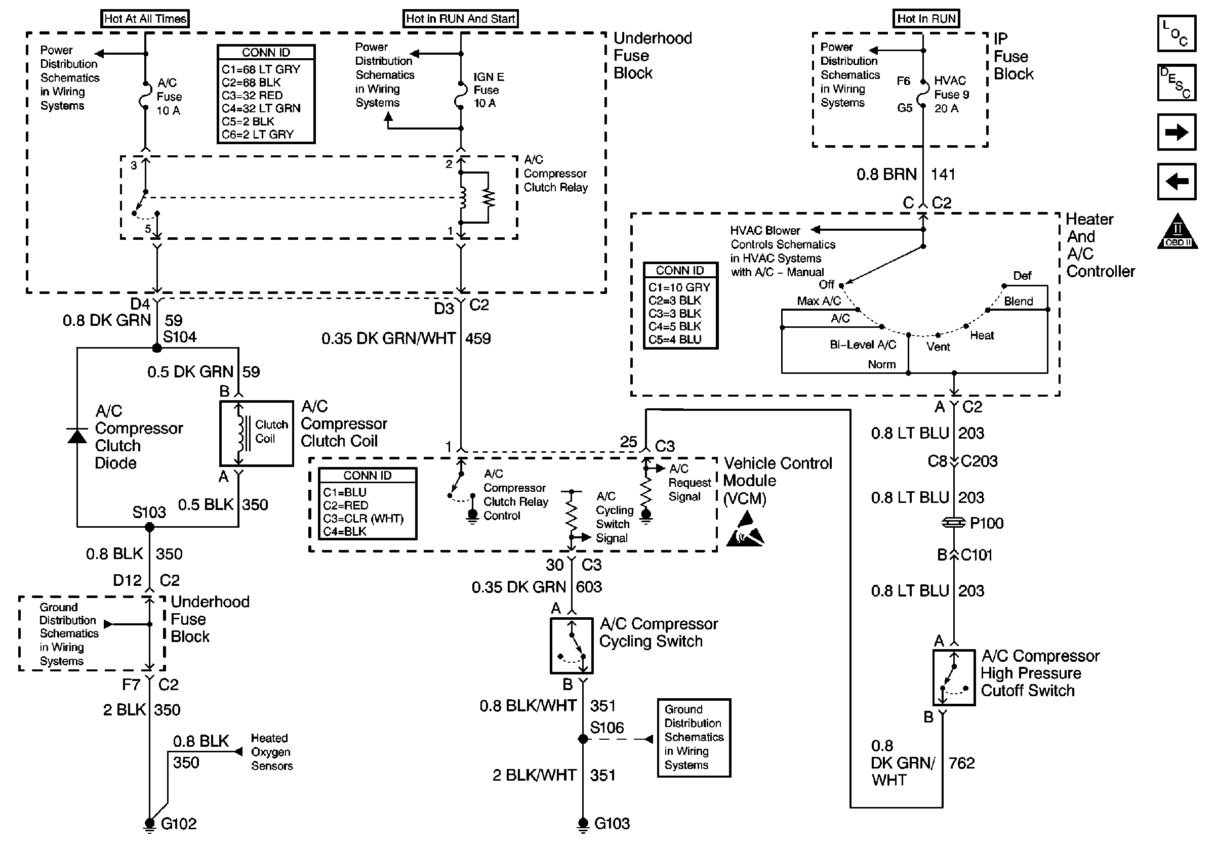
🢒 Manual A/C Compressor Control
Manual A/C Compressor Control
Manual A/C Compressor Control
Engine Controls Components
Vehicle Control Module Description
Automatic A/C Compressor Control
Secondary AIR Pump Control
OBD II Symbol Description Notice
B+ Bus Bar
Power and Grounding Connector End Views
Ign RUN and START Bus Bar
Ign ACC, RUN and RAP Bus Bar
G102 (Except Export)
Heated Oxygen Sensors
VCM Connector End Views
HVAC Connector End Views
G103 and G105 (4.3L)
Handling ESD Sensitive Parts Notice
RPO C60