GM Service Manual Online
For 1990-2009 cars only
Makes
🢒
GMC_Truck
🢒
2000
🢒
Jimmy - 2WD
🢒 RPO C60
RPO C60
RPO C60
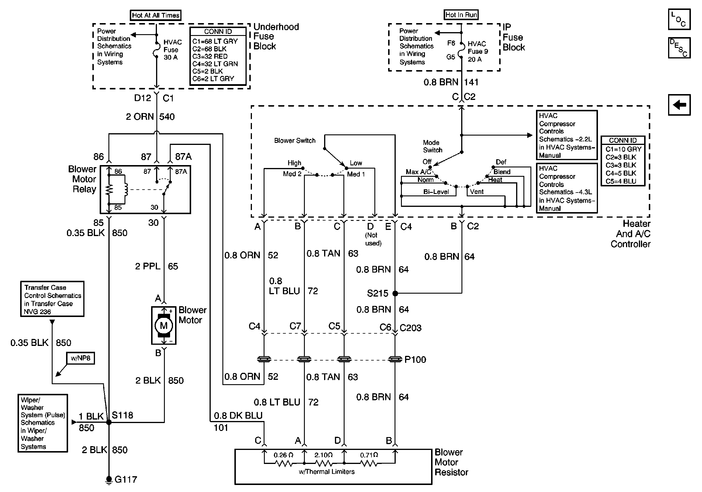
HVAC Components
HVAC Blower Controls Circuit Description
RPO C42
B+ Bus Bar
Power and Grounding Connector End Views
Ign ACC, RUN and RAP Bus Bar
2.2L
4.3L
HVAC Connector End Views
Speed Sensors
Wiper/Washer System (Pulse)