GM Service Manual Online
For 1990-2009 cars only
Makes
🢒
GMC_Truck
🢒
2000
🢒
Jimmy - 2WD
🢒 2.2L
2.2L
2.2L
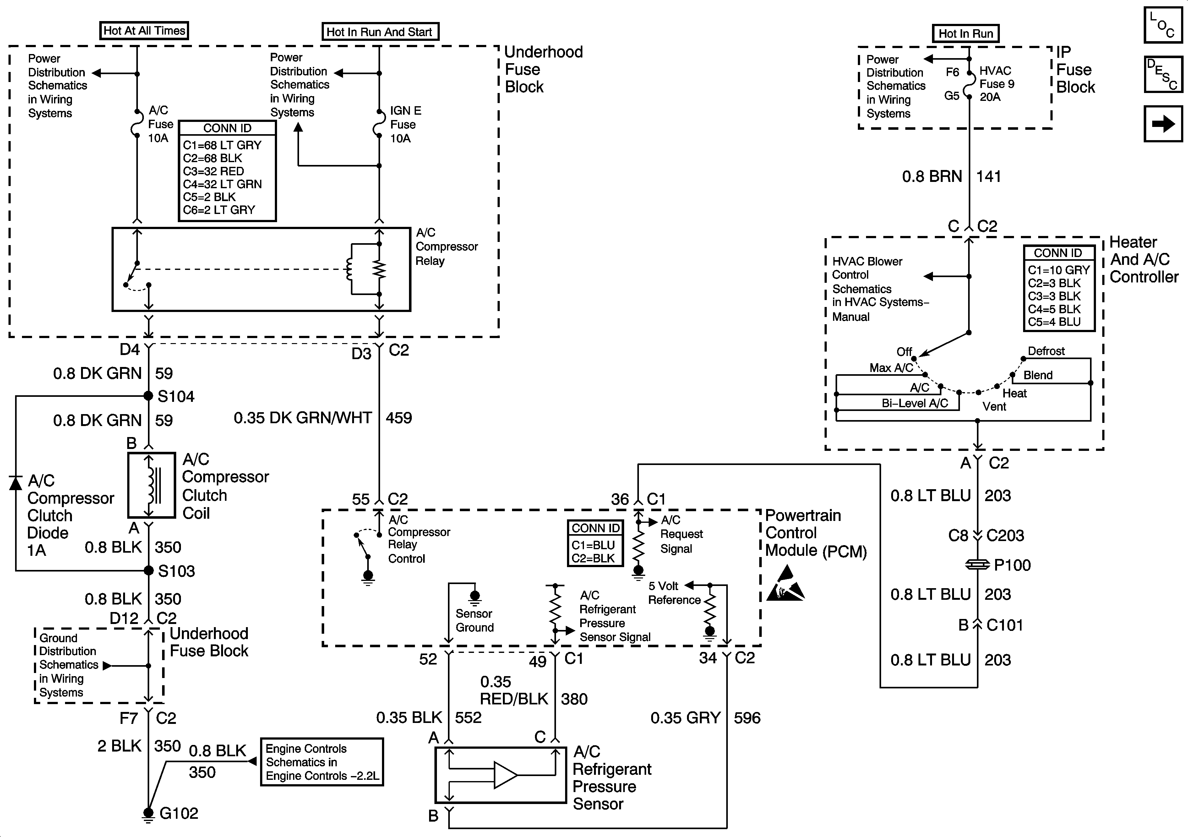
HVAC Components
HVAC Compressor Controls Circuit Description
4.3L
B+ Bus Bar
Ign RUN and START Bus Bar
Power and Grounding Connector End Views
G102 (Except Export)
Fuel Injectors and Fuel Pump
Powertrain Control Module Connector End Views
Ign ACC, RUN and RAP Bus Bar
RPO C60
HVAC Connector End Views
Handling ESD Sensitive Parts Notice