GM Service Manual Online
For 1990-2009 cars only
Makes
🢒
GMC_Truck
🢒
2000
🢒
Jimmy - 2WD
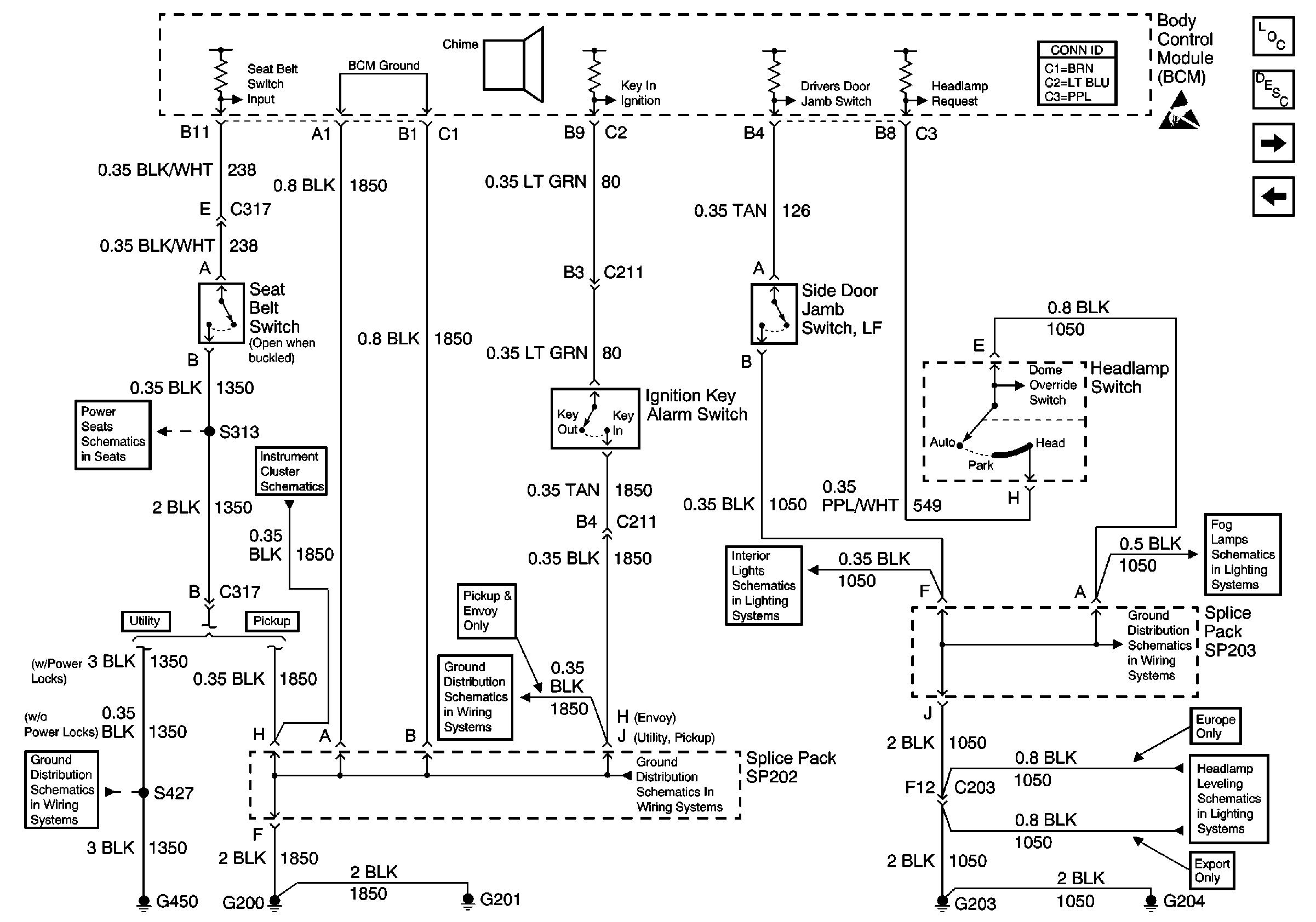
🢒 Seat Belt Switch, Ignition Key Alarm Switch, Door Jamb Switch and Headlamp Switch
Seat Belt Switch, Ignition Key Alarm Switch, Door Jamb Switch and Headlamp Switch
Seat Belt Switch, Ignition Key Alarm Switch, Door Jamb Switch and Headlamp Switch
Audible Warnings Components
Audible Warnings Circuit Description
Turn Signals
TBC, PARK LPS, GAUGES and CRUISE Fuses
Body Control System Connector End Views
Handling ESD Sensitive Parts Notice
6-Way LH Power Seat
G200, G201, G203, G204, Park Position Switch and PCM/VCM
G420 and G450 (Utility w/ Endgate)
G200, G201 and G207 (Envoy)
G200, G201 and G207 (Pickup)
Front Door Jamb and Door Handle Switches
Front Fog Lamps
G203 and G204 (Pickup)
2000 S/T Headlight Leveling