GM Service Manual Online
For 1990-2009 cars only
Figure 1:

Primary Blower and Air Delivery Controls (C42)


Object Number: 1400893  Size: FS
Master Electrical Component List
Air Delivery Description and Operation
Control Module References
Primary Blower and Air Delivery Controls (C60)
Ignition Switch - ACCY/RUN, RUN/START Bus Bars and IGN A Fuse
HVAC 1 Fuse
B+ Bus - Underhood Fuse Block
I/P Dimming Supply Voltage - 1 of 3 and LED Dimming Supply Voltage
G303 and G304
G102
Figure 2:

Primary Blower and Air Delivery Controls (C60)


Object Number: 1400897  Size: FS
Master Electrical Component List
Air Delivery Description and Operation
Control Module References
Compressor Controls (C60)
Primary Blower and Air Delivery Controls (C42)
Ignition Switch - ACCY/RUN, RUN/START Bus Bars and IGN A Fuse
HVAC 1 Fuse
B+ Bus - Underhood Fuse Block
I/P Dimming Supply Voltage - 1 of 3 and LED Dimming Supply Voltage
Compressor Controls (C60)
G303 and G304
G102
Figure 3:

Compressor Controls (C60)


Object Number: 1400899  Size: FS
Master Electrical Component List
Air Temperature Description and Operation
Control Module References
Rear HVAC with Rear Auxiliary Controls (C69) - 1 of 3
Primary Blower and Air Delivery Controls (C60)
B+ Bus - Underhood Fuse Block
Ignition Switch - ACCY/RUN, RUN/START Bus Bars and IGN B Fuse
IGN E, ISRV, SIR, SPARE andTBC IGN 1 Fuses
Ignition Switch - ACCY/RUN, RUN/START Bus Bars and IGN A Fuse
Primary Blower and Air Delivery Controls (C60)
G102
Figure 4:

Rear HVAC with Rear Auxiliary Controls (C69) - 1 of 3


Object Number: 1400901  Size: FS
Master Electrical Component List
Air Delivery Description and Operation
Control Module References
Rear HVAC with Rear Auxiliary Controls (C69) - 2 of 3
Compressor Controls (C60)
Ignition Switch - ACCY/RUN, RUN/START Bus Bars and IGN A Fuse
HVAC 1 Fuse
Rear HVAC with Rear Auxiliary Controls (C69) - 2 of 3
Rear HVAC with Rear Auxiliary Controls (C69) - 3 of 3
Rear HVAC with Rear Auxiliary Controls (C69) - 3 of 3
I/P Dimming Supply Voltage - 3 of 3
Rear HVAC with Rear Auxiliary Controls (C69) - 2 of 3
Rear HVAC with Rear Auxiliary Controls (C69) - 2 of 3
Rear HVAC with Rear Auxiliary Controls (C69) - 2 of 3
Rear HVAC with Rear Auxiliary Controls (C69) - 2 of 3
G347 - 3 of 3
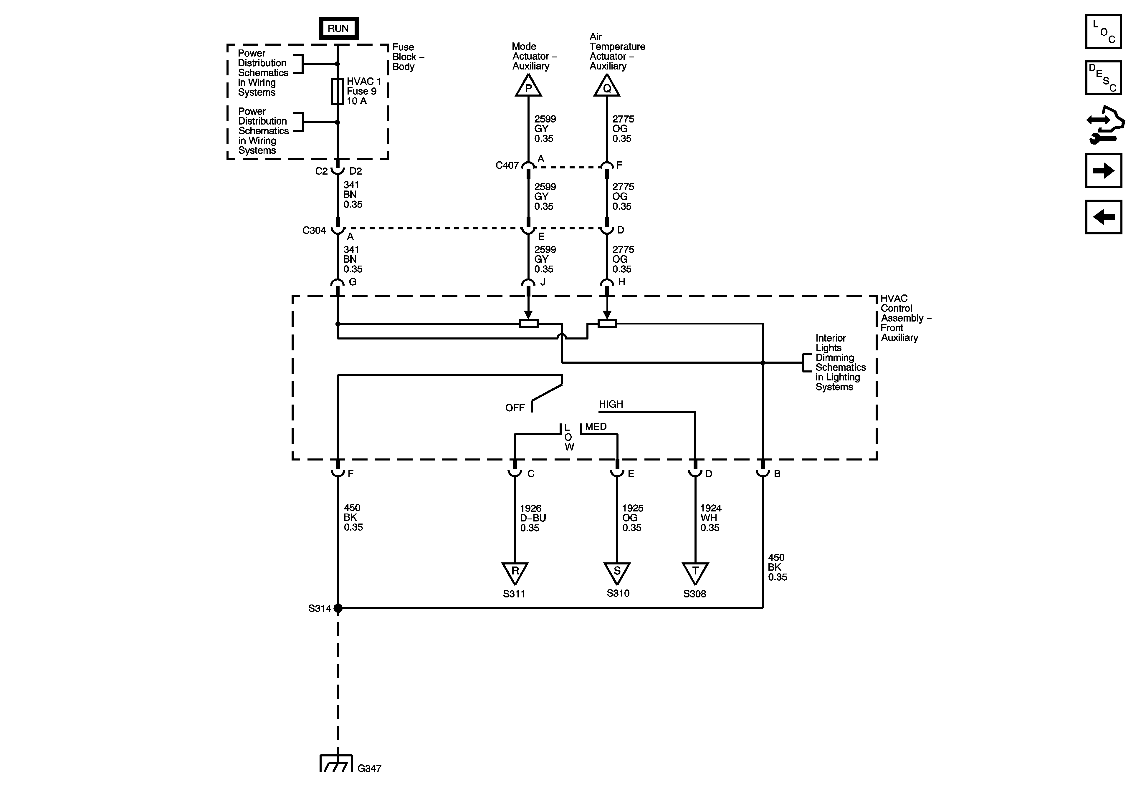
Figure 5:

Rear HVAC with Rear Auxiliary Controls (C69) - 2 of 3


Object Number: 1400906  Size: FS
Master Electrical Component List
Air Delivery Description and Operation
Control Module References
Rear HVAC with Rear Auxiliary Controls (C69) - 3 of 3
Rear HVAC with Rear Auxiliary Controls (C69) - 1 of 3
Rear HVAC with Rear Auxiliary Controls (C69) - 1 of 3
Rear HVAC with Rear Auxiliary Controls (C69) - 1 of 3
I/P Dimming Supply Voltage - 3 of 3
G347 - 3 of 3
Rear HVAC with Rear Auxiliary Controls (C69) - 1 of 3
Rear HVAC with Rear Auxiliary Controls (C69) - 3 of 3
Rear HVAC with Rear Auxiliary Controls (C69) - 1 of 3
Rear HVAC with Rear Auxiliary Controls (C69) - 3 of 3
Rear HVAC with Rear Auxiliary Controls (C69) - 1 of 3
Rear HVAC with Rear Auxiliary Controls (C69) - 3 of 3
G347 - 3 of 3
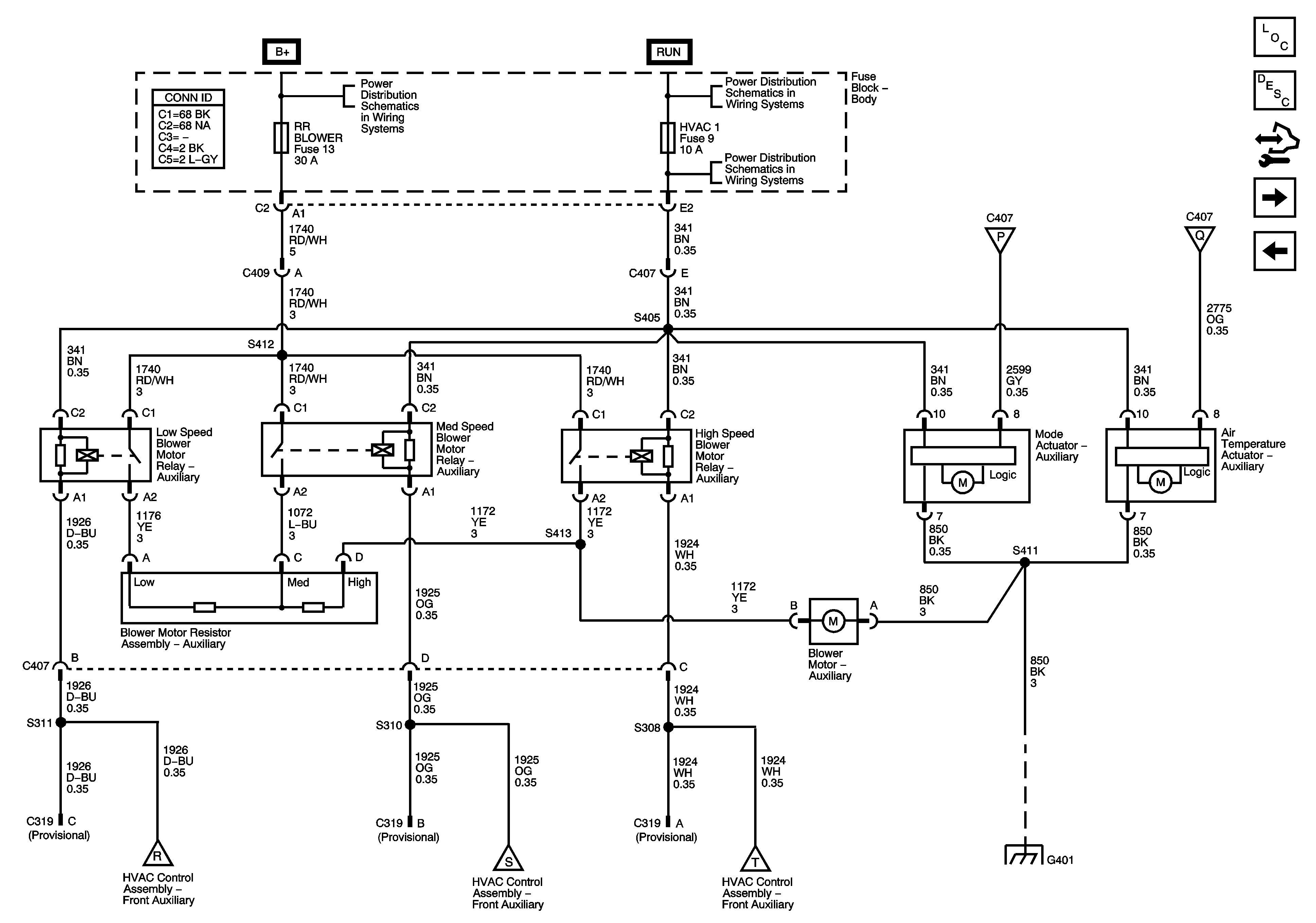
Figure 6:

Rear HVAC with Rear Auxiliary Controls (C69) - 3 of 3


Object Number: 1400907  Size: FS
Master Electrical Component List
Air Delivery Description and Operation
Control Module References
Rear HVAC w/o Rear Auxiliary Controls (C69) - 1 of 2
Rear HVAC with Rear Auxiliary Controls (C69) - 2 of 3
B+ Bus - Body Fuse Block
Ignition Switch - ACCY/RUN, RUN/START Bus Bars and IGN A Fuse
HVAC 1 Fuse
Rear HVAC with Rear Auxiliary Controls (C69) - 1 of 3
Rear HVAC with Rear Auxiliary Controls (C69) - 1 of 3
Rear HVAC with Rear Auxiliary Controls (C69) - 2 of 3
Rear HVAC with Rear Auxiliary Controls (C69) - 2 of 3
Rear HVAC with Rear Auxiliary Controls (C69) - 2 of 3
G401 - Passenger/Cargo
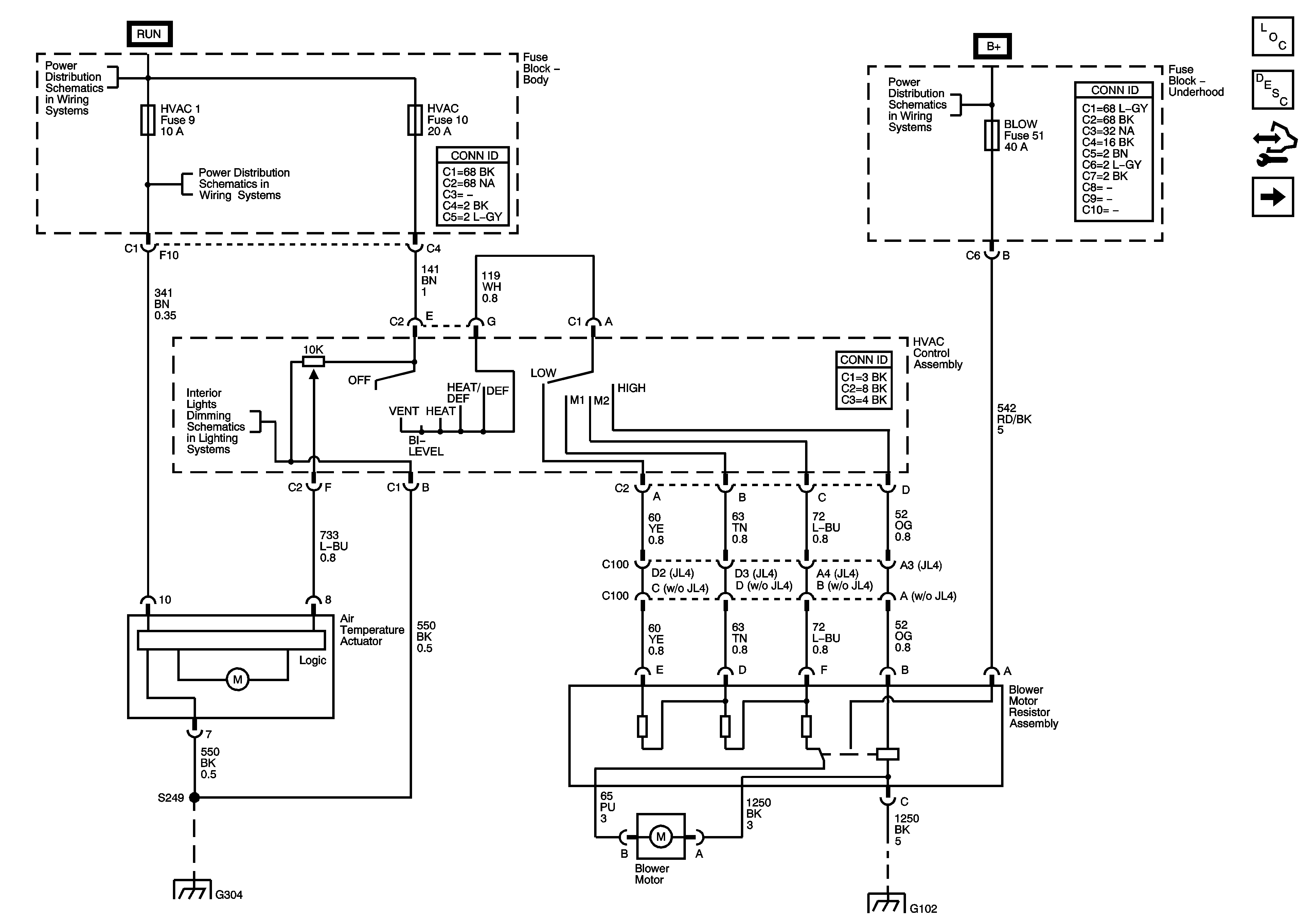
Figure 7:

Rear HVAC w/o Rear Auxiliary Controls (C69) - 1 of 2


Object Number: 1400908  Size: FS
Master Electrical Component List
Air Delivery Description and Operation
Control Module References
Rear HVAC w/o Rear Auxiliary Controls (C69) - 2 of 2
Rear HVAC with Rear Auxiliary Controls (C69) - 3 of 3
Ignition Switch - ACCY/RUN, RUN/START Bus Bars and IGN A Fuse
HVAC 1 Fuse
Rear HVAC w/o Rear Auxiliary Controls (C69) - 2 of 2
Rear HVAC w/o Rear Auxiliary Controls (C69) - 2 of 2
I/P Dimming Supply Voltage - 3 of 3
Rear HVAC w/o Rear Auxiliary Controls (C69) - 2 of 2
Rear HVAC w/o Rear Auxiliary Controls (C69) - 2 of 2
Rear HVAC w/o Rear Auxiliary Controls (C69) - 2 of 2
G347 - 3 of 3
Figure 8:

Rear HVAC w/o Rear Auxiliary Controls (C69) - 2 of 2


Object Number: 1400909  Size: FS
Master Electrical Component List
Air Delivery Description and Operation
Control Module References
Rear HVAC (C36 w/o C69)
Rear HVAC w/o Rear Auxiliary Controls (C69) - 1 of 2
B+ Bus - Body Fuse Block
Ignition Switch - ACCY/RUN, RUN/START Bus Bars and IGN A Fuse
HVAC 1 Fuse
Rear HVAC w/o Rear Auxiliary Controls (C69) - 1 of 2
Rear HVAC w/o Rear Auxiliary Controls (C69) - 1 of 2
Rear HVAC w/o Rear Auxiliary Controls (C69) - 1 of 2
Rear HVAC w/o Rear Auxiliary Controls (C69) - 1 of 2
Rear HVAC w/o Rear Auxiliary Controls (C69) - 1 of 2
G401 - Passenger/Cargo
Figure 9:

Rear HVAC (C36 w/o C69)


Object Number: 1400911  Size: FS
Master Electrical Component List
Air Delivery Description and Operation
Control Module References
Rear HVAC w/o Rear Auxiliary Controls (C69) - 2 of 2
B+ Bus - Body Fuse Block
Ignition Switch - ACCY/RUN, RUN/START Bus Bars and IGN A Fuse
HVAC 1 Fuse
I/P Dimming Supply Voltage - 2 of 3
G401 - Passenger/Cargo
G347 - 2 of 3