GM Service Manual Online
For 1990-2009 cars only
Figure 1:

Park Lamp Controls and Park Lamps


Object Number: 1883760  Size: FS
Master Electrical Component List
Exterior Lighting Systems Description and Operation
Control Module References
Turn Signal Control and Front Turn Signal Lamps
B+ Bus - Body Fuse Block
Trailer Connector/Provision Schematics
Module Power, Ground, Serial Data, Vehicle Rollover Sensor (ASF) and Disable Switch
G303
G401 Passenger/Cargo
G402 Passenger/Cargo
G401 Passenger/Cargo
G100 and G101
G100 and G101
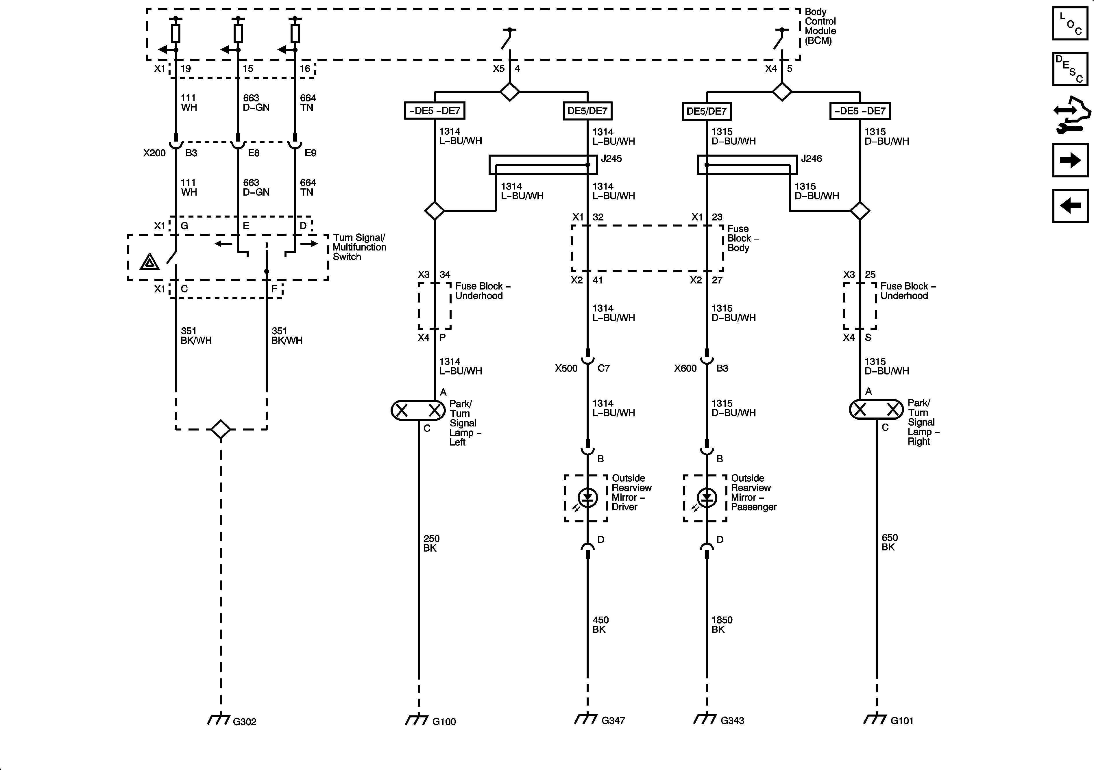
Figure 2:

Turn Signal Controls and Front Turn Signal Lamps


Object Number: 1883762  Size: FS
Master Electrical Component List
Exterior Lighting Systems Description and Operation
Control Module References
RearTurn Signal Lamps
Park Lamp Controls and Park Lamps
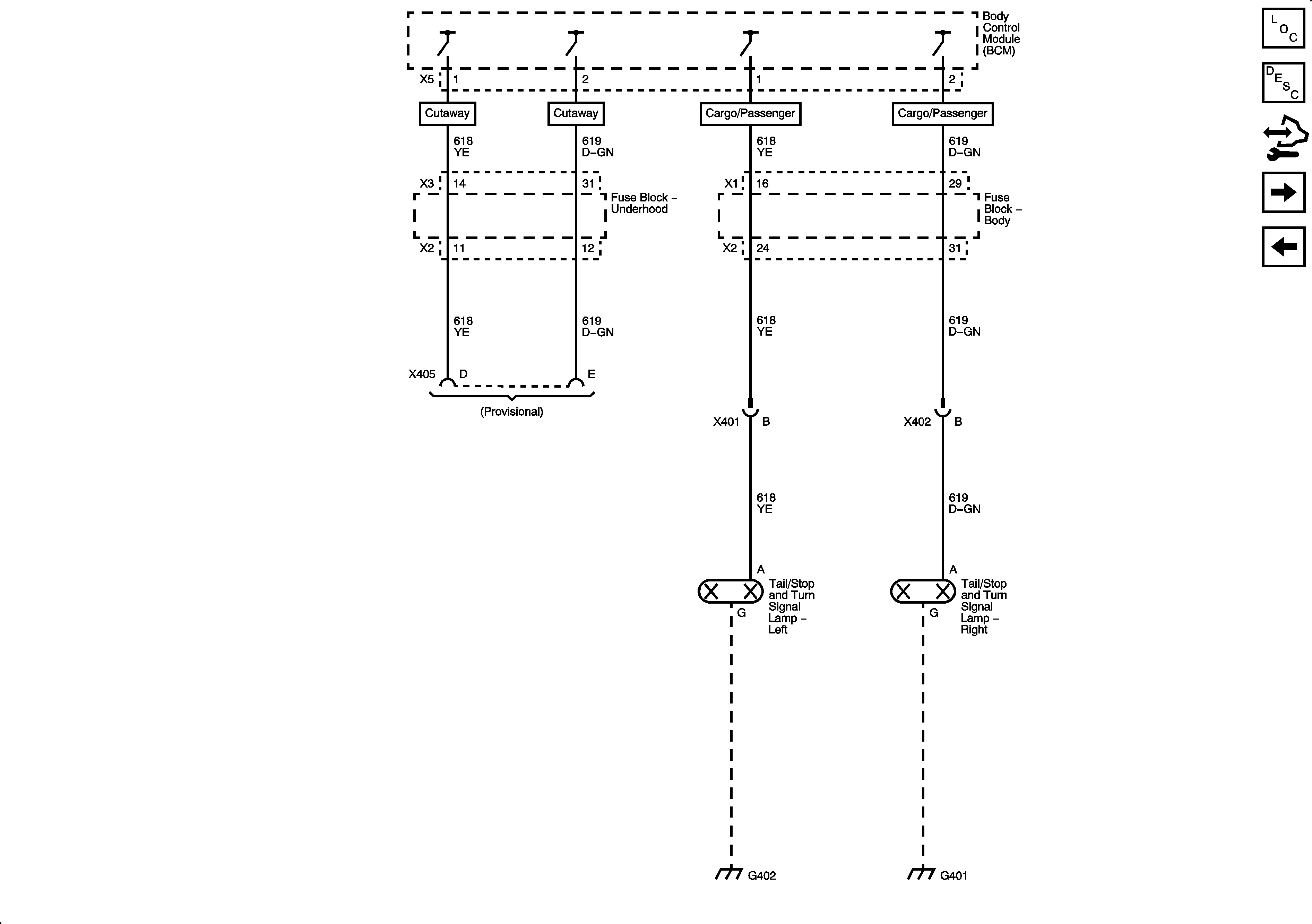
Figure 3:

Rear Stop/Turn Signal Lamps


Object Number: 1883764  Size: FS
Master Electrical Component List
Exterior Lighting Systems Description and Operation
Control Module References
Stop Lamp Controls and CHMSL
Turn Signal Control and Front Turn Signal Lamps
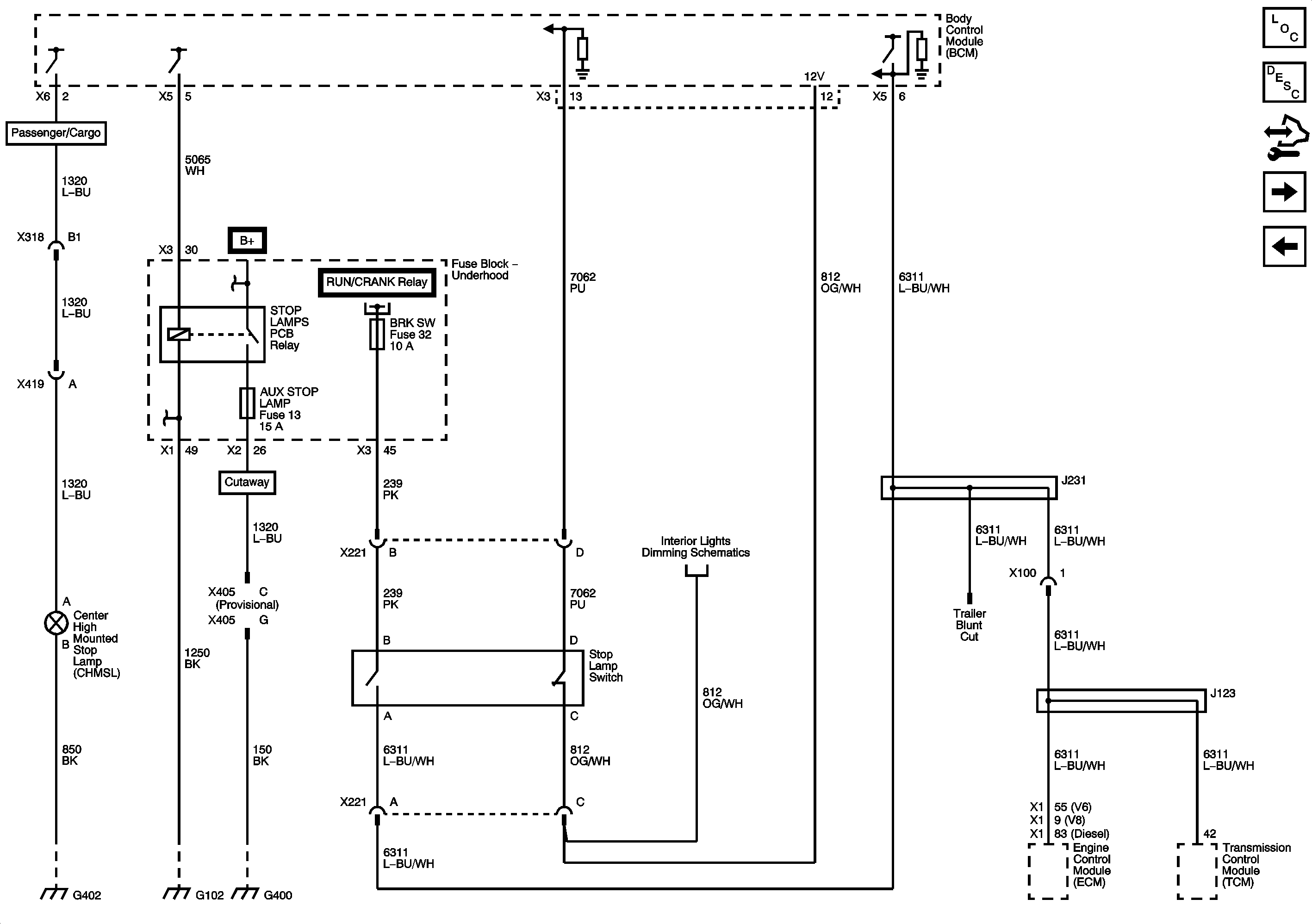
Figure 4:

Stop Lamp Controls and CHMSL


Object Number: 1883766  Size: FS
Master Electrical Component List
Exterior Lighting Systems Description and Operation
Control Module References
Backup Lamps and Backup Alarm
RearTurn Signal Lamps
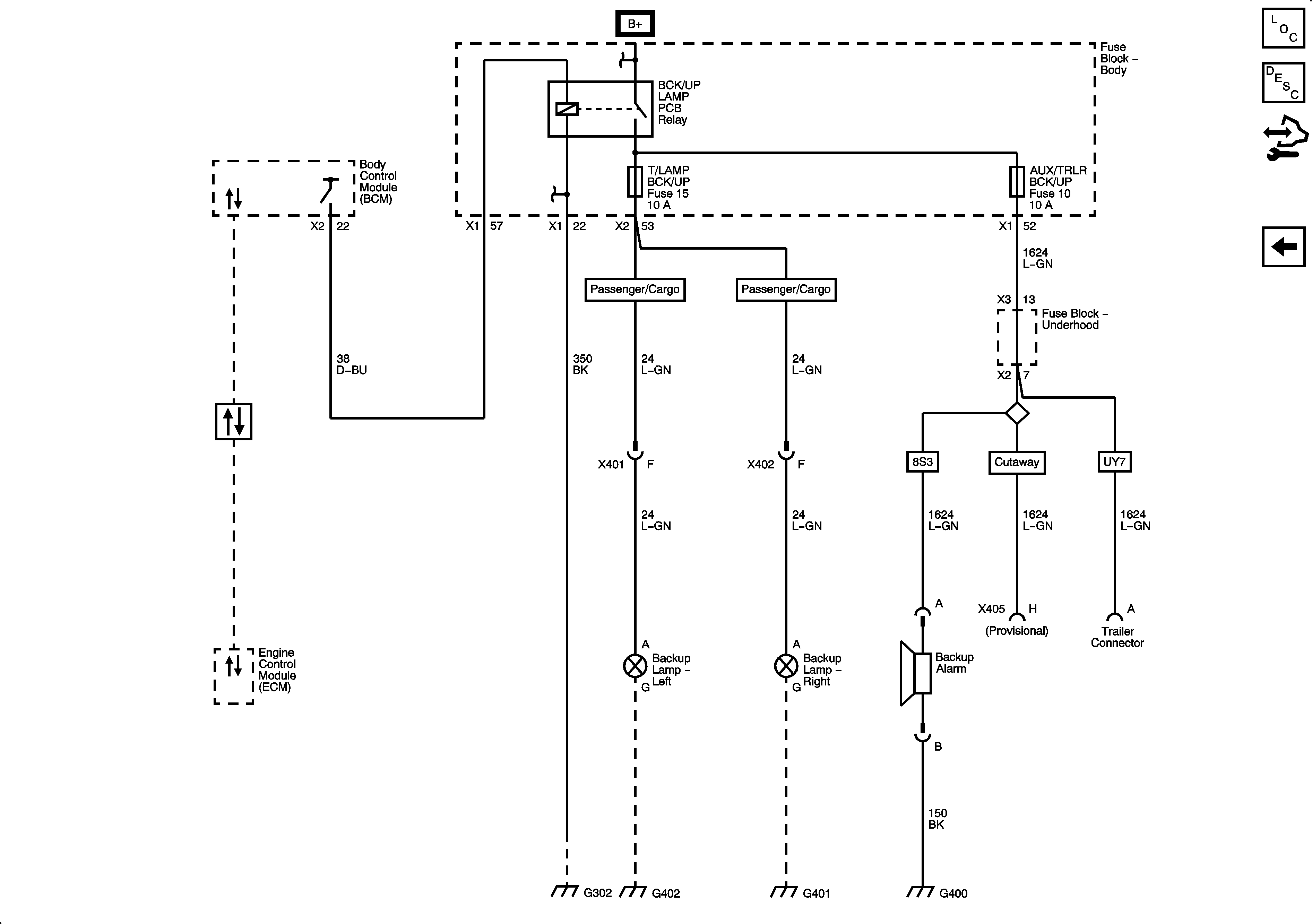
Figure 5:

Backup Lamps and Backup Alarm


Object Number: 1883768  Size: FS
Master Electrical Component List
Exterior Lighting Systems Description and Operation
Control Module References
Stop Lamp Controls and CHMSL