GM Service Manual Online
For 1990-2009 cars only
Makes
🢒
GMC_Truck
🢒
2003
🢒
Savana - AWD
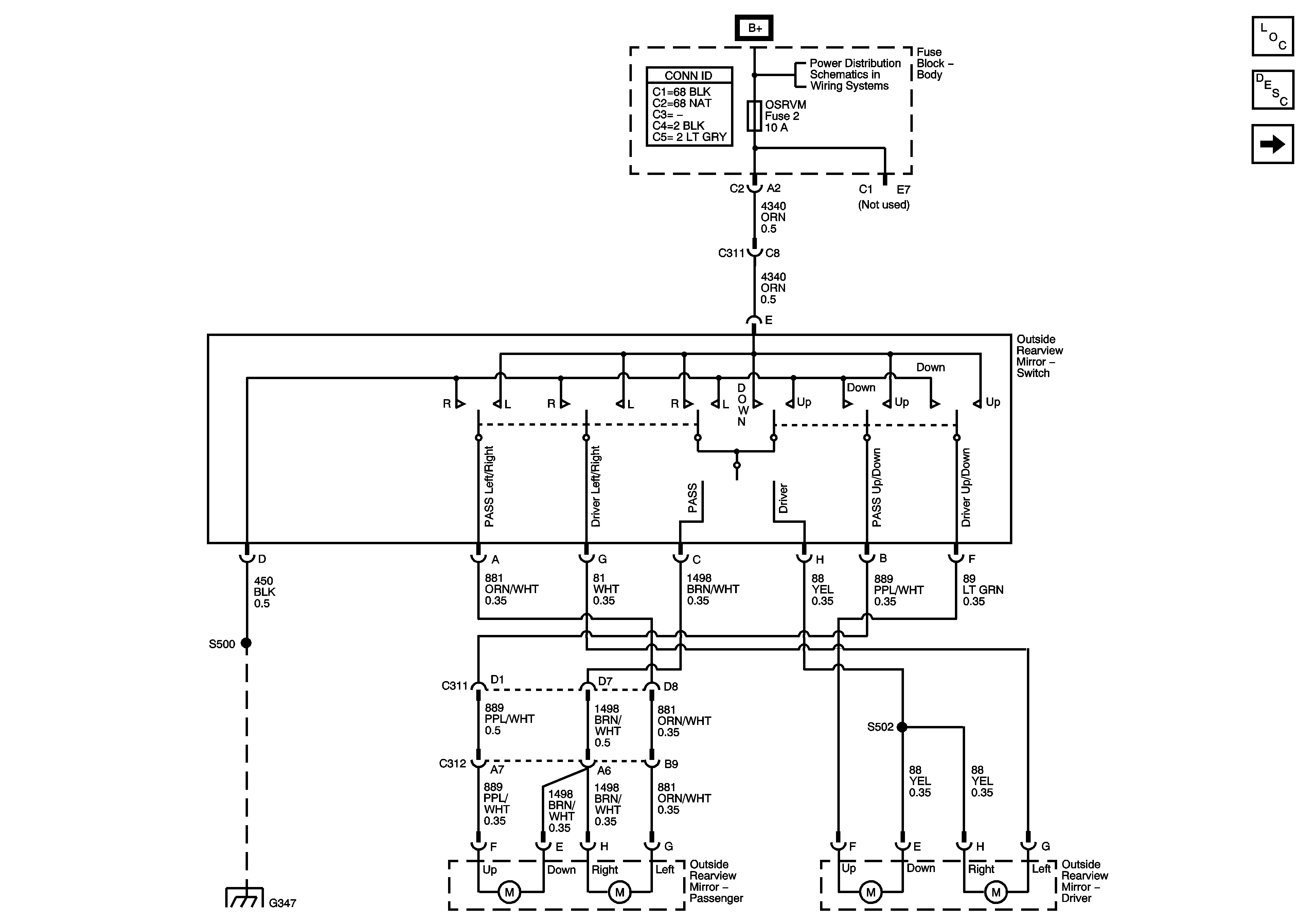
🢒 Power, Ground, Power Mirror Switches and Motors
Power, Ground, Power Mirror Switches and Motors
Power, Ground, Power Mirror Switches and Motors
Master Electrical Component List
Outside Mirror Description and Operation Power Mirrors
Heated Outside Mirrors
B+ Bus - Body Fuse Block
Splice Pack SP347, and G347 - 1 of 3