GM Service Manual Online
For 1990-2009 cars only
Makes
🢒
GMC_Truck
🢒
2003
🢒
Savana - AWD
🢒 Heated Outside Mirrors
Heated Outside Mirrors
Heated Outdoor Mirrors
Master Electrical Component List
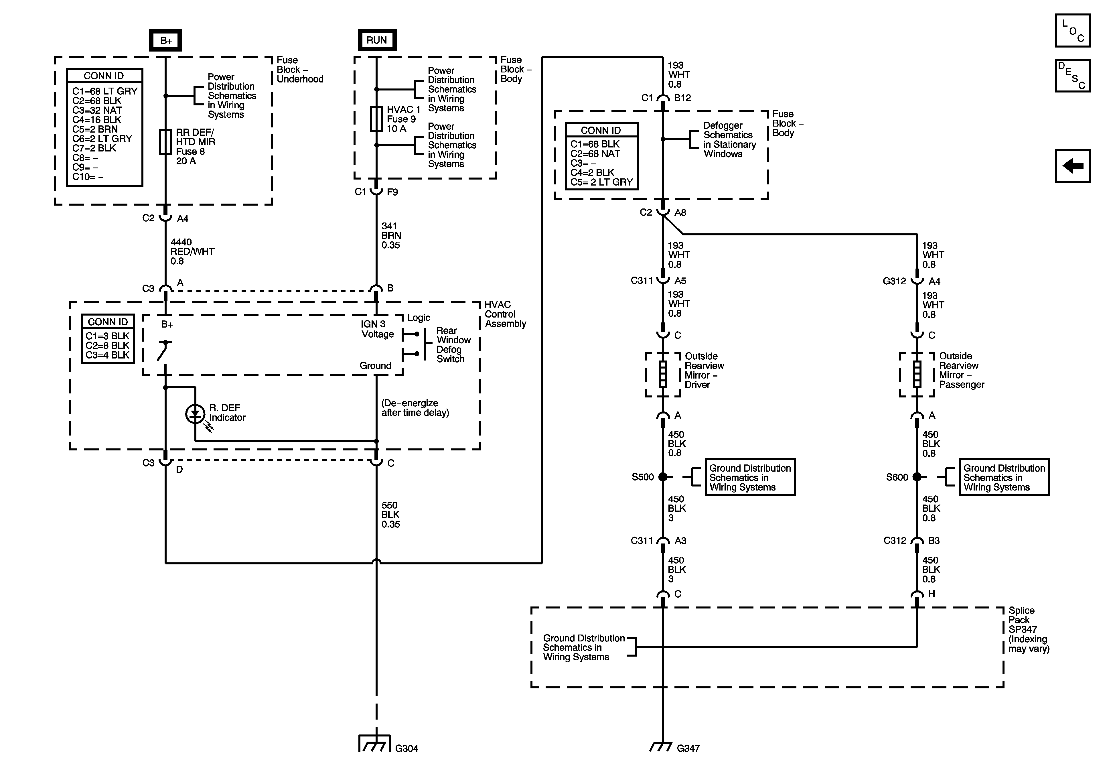
Outside Mirror Description and Operation Heated Mirrors
Power, Ground, Power Mirror Switches and Motors
B+ Bus - Underhood Fuse Block
IGN A Fuse
HVAC 1 Fuse
Defogger
Splice Pack SP347, and G347 - 1 of 3
Splice Pack SP347, and G347 - 2 of 3
Splice Pack SP347, and G347 - 1 of 3
G303, and G304