GM Service Manual Online
For 1990-2009 cars only
Figure 1:

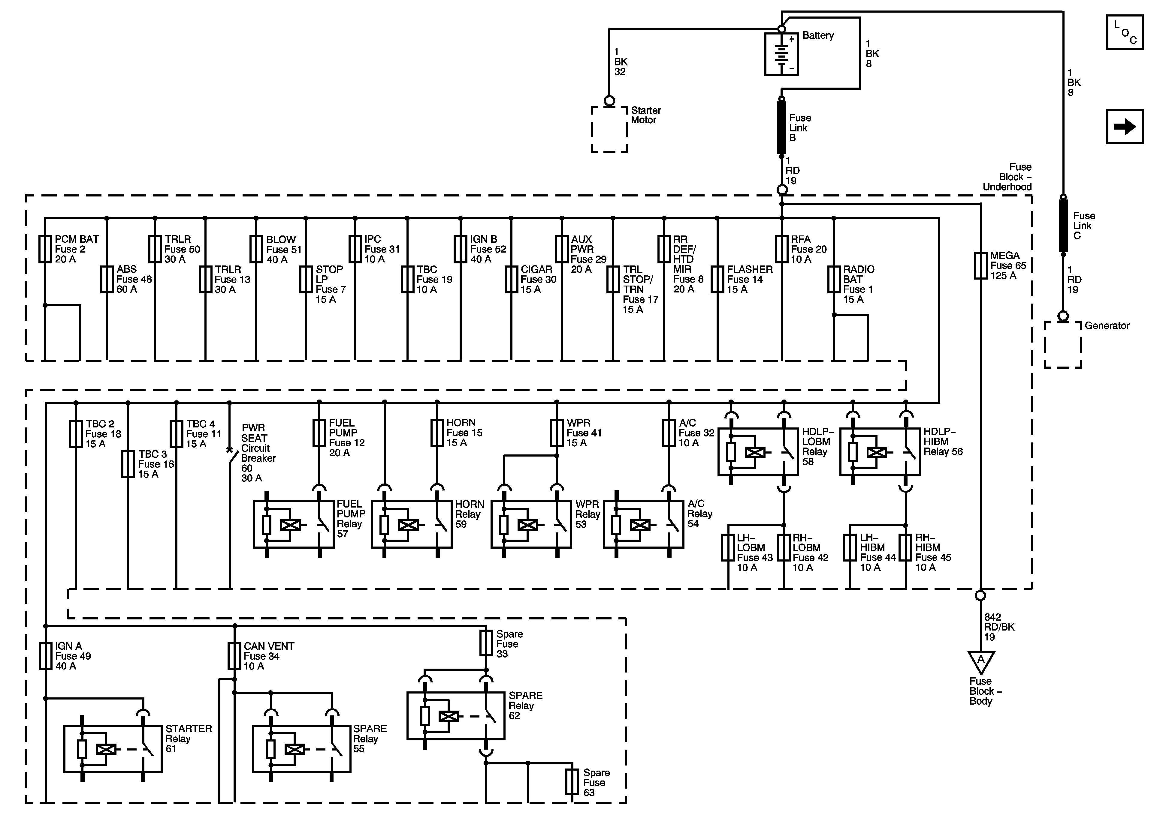
B+ Bus - Underhood Fuse Block


Object Number: 1243600  Size: FS
Master Electrical Component List
B+ Bus - Body Fuse Block
B+ Bus - Body Fuse Block
Figure 2:

B+ Bus - Body Fuse Block


Object Number: 1243604  Size: FS
Master Electrical Component List
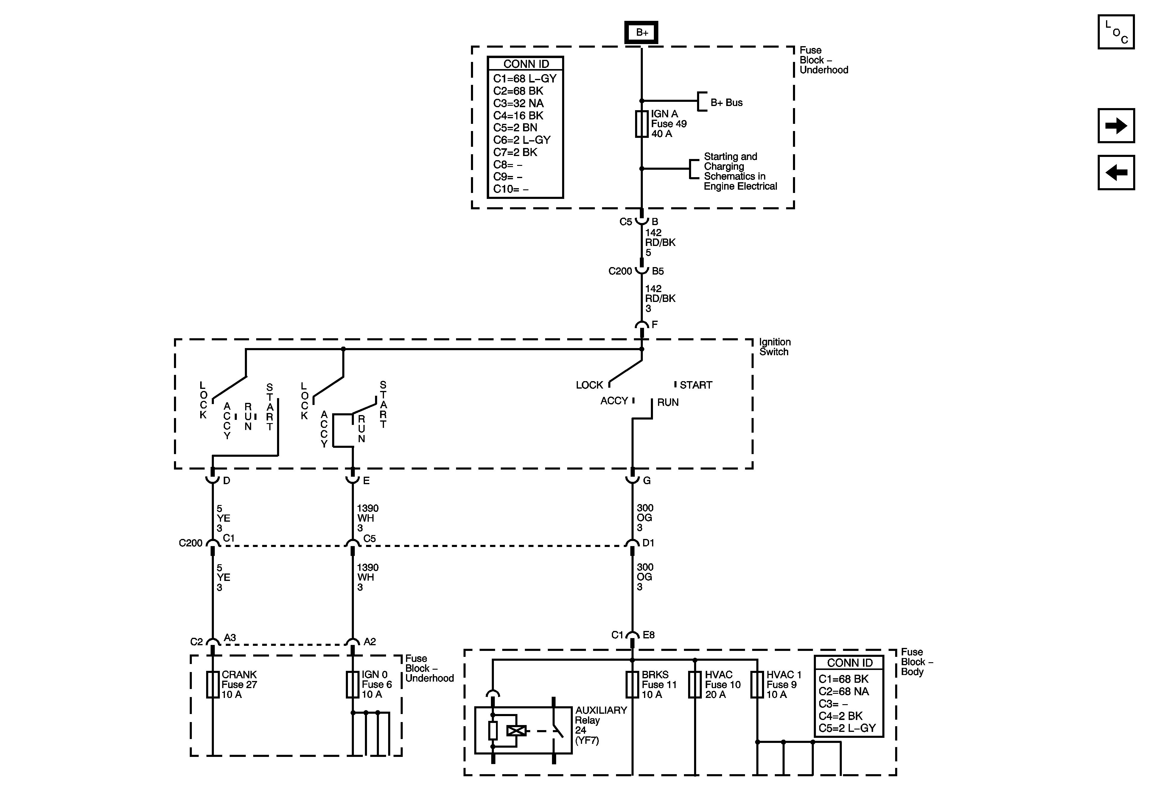
IGN A Fuse, Start, ACCY/RUN/START and RUN Bus Bars
B+ Bus - Underhood Fuse Block
B+ Bus - Underhood Fuse Block
Figure 3:

IGN A Fuse, START, ACCY/RUN/START and RUN Bus Bars


Object Number: 1243605  Size: FS
Master Electrical Component List
IGN B Fuse, ACCY/RUN and RUN/START Bus Bars
B+ Bus - Body Fuse Block
B+ Bus - Underhood Fuse Block
Starting System
Figure 4:

IGN B Fuse, ACCY/RUN and RUN/START Bus Bars


Object Number: 1243607  Size: FS
Master Electrical Component List
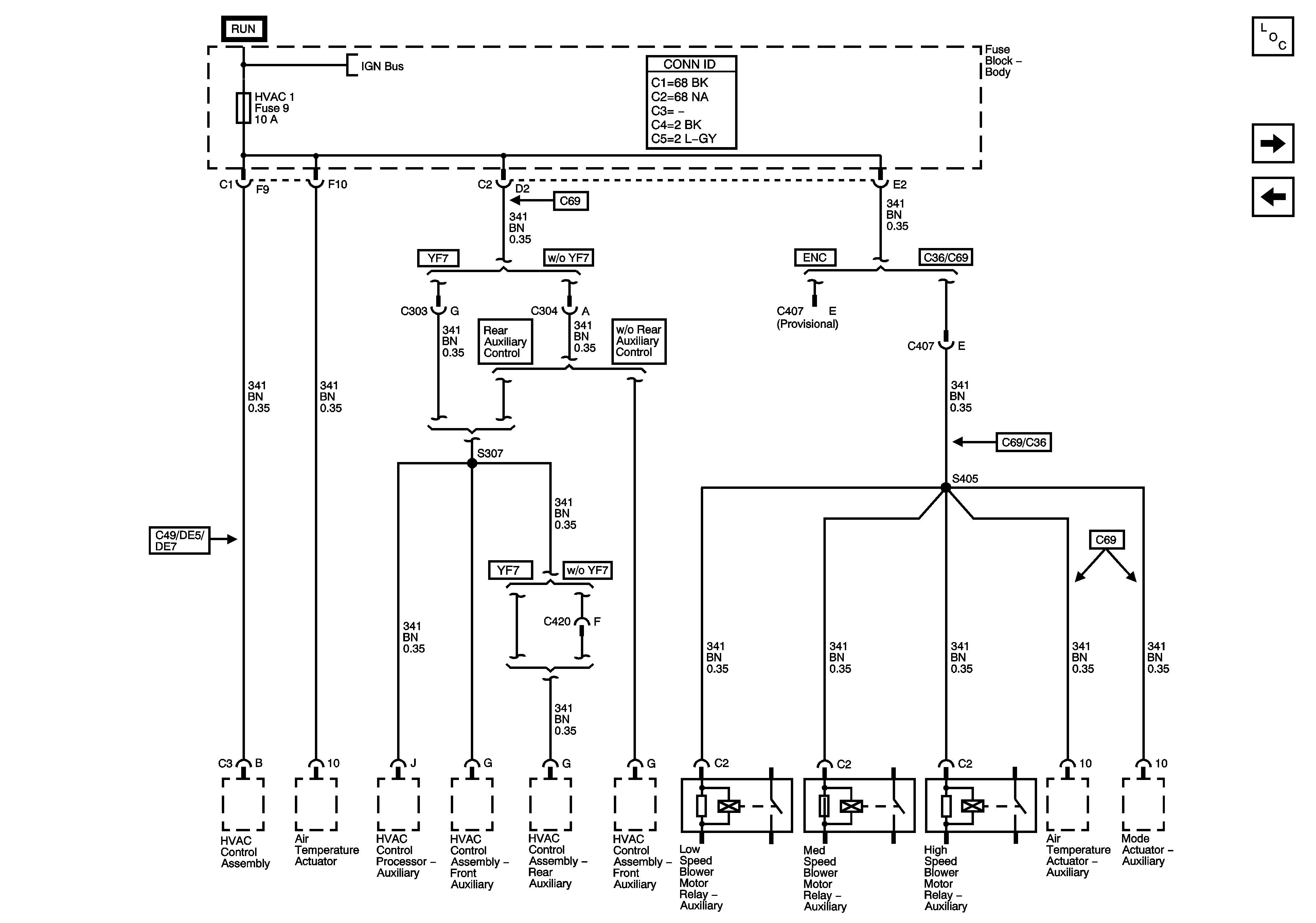
HVAC 1 Fuse
IGN A Fuse, Start, ACCY/RUN/START and RUN Bus Bars
B+ Bus - Underhood Fuse Block
Figure 5:

HVAC 1 Fuse


Object Number: 1243611  Size: FS
Master Electrical Component List
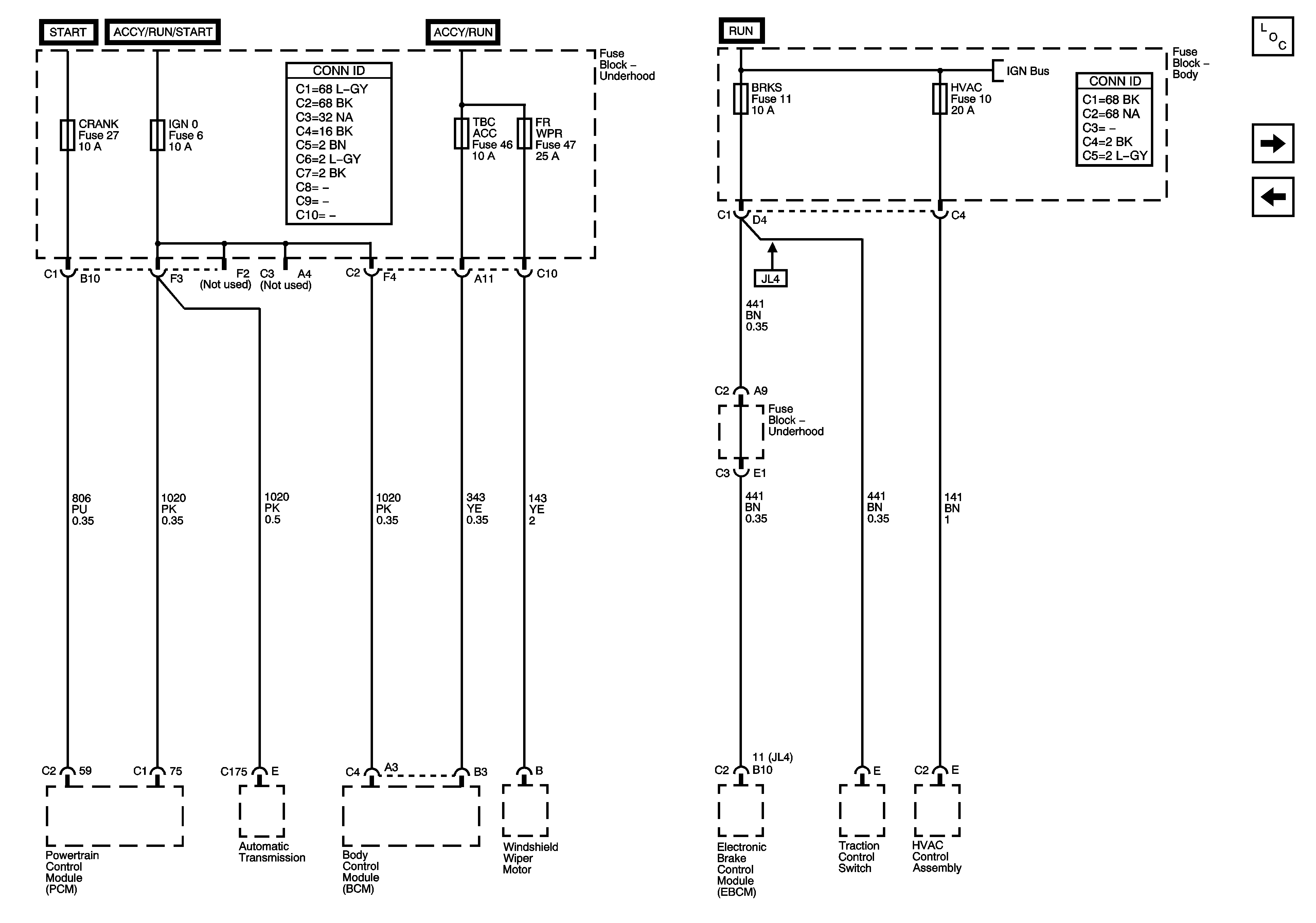
Crank, IGN 0, TBC ACC, FR WPR, BRKS and HVAC Fuses
IGN B Fuse, ACCY/RUN and RUN/START Bus Bars
IGN A Fuse, Start, ACCY/RUN/START and RUN Bus Bars
Figure 6:

CRANK, IGN 0, TBC ACC, FR WPR, BRKS and HVAC Fuses


Object Number: 1243613  Size: FS
Master Electrical Component List
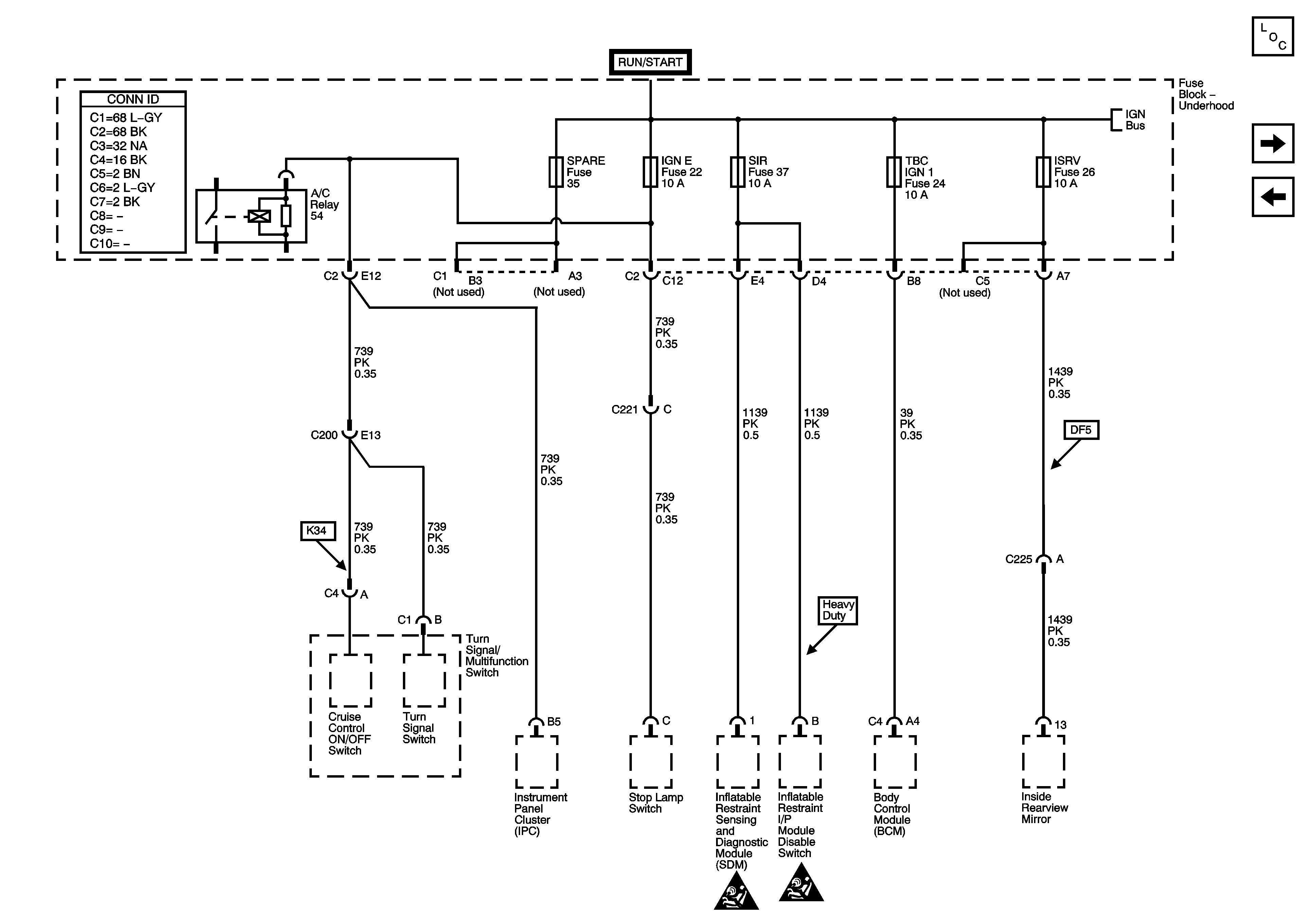
Spare, IGN E, SIR, TBC IGN 1 and ISRV Fuses
HVAC 1 Fuse
IGN A Fuse, Start, ACCY/RUN/START and RUN Bus Bars
Figure 7:

SPARE, IGN E, SIR, TBC IGN 1 and ISRV Fuses


Object Number: 1243617  Size: FS
Master Electrical Component List
ENG 1 and ENG 2 Fuses - 4.3L
Crank, IGN 0, TBC ACC, FR WPR, BRKS and HVAC Fuses
IGN B Fuse, ACCY/RUN and RUN/START Bus Bars
SIR Caution for Zoning
SIR Caution for Zoning
Figure 8:

ENG 1 and ENG 2 Fuses - 4.3L


Object Number: 1243620  Size: FS
Master Electrical Component List
ENG 1 and ENG 2 Fuses - 4.8L, 5.3L and 6.0L
Spare, IGN E, SIR, TBC IGN 1 and ISRV Fuses
IGN B Fuse, ACCY/RUN and RUN/START Bus Bars
Figure 9:

ENG 1 and ENG 2 Fuses - 4.8L, 5.3L and 6.0L


Object Number: 1243625  Size: FS
Master Electrical Component List
O2A, O2B, SPARE, BTSI/BU, PCM IGN 1, BTSI and TRLR BU Fuses
ENG 1 and ENG 2 Fuses - 4.3L
IGN B Fuse, ACCY/RUN and RUN/START Bus Bars
Figure 10:

O2A, O2B, SPARE, BTSI/BU, PCM IGN 1, BTSI and TRLR BU Fuses


Object Number: 1243631  Size: FS
Master Electrical Component List
PCM BAT, ABS, TRLR, BLOW, STOP LP, IPC AUX PWR and CIGAR Fuses
ENG 1 and ENG 2 Fuses - 4.8L, 5.3L and 6.0L
IGN B Fuse, ACCY/RUN and RUN/START Bus Bars
Figure 11:

PCM BAT, ABS, TRLR, BLOW, STOP LP, IPC, AUX PWR and CIGAR Fuses


Object Number: 1243635  Size: FS
Master Electrical Component List
TBC, TBC 2, TBC 3, TBC 4, RADIO BAT, RR DEF/HTD MIR, FLASHER and RFA Fuses, PWR SEAT Circuit Breaker
O2A, O2B, SPARE, BTSI/BU, PCM IGN 1, BTSI and TRLR BU Fuses
B+ Bus - Underhood Fuse Block
Figure 12:

TBC, TBC 2, TBC 3, TBC 4, RADIO BAT, RR DEF/HTD MIR, FLASHER, RFA Fuses and PWR SEAT Circuit Breaker


Object Number: 1243643  Size: FS
Master Electrical Component List
TRLR STOP/TRN, CAN VENT, LH-LOBM, RH-LOBM, LH-HIBM and RH-HIBM Fuses
PCM BAT, ABS, TRLR, BLOW, STOP LP, IPC AUX PWR and CIGAR Fuses
B+ Bus - Underhood Fuse Block
Figure 13:

TRLR STOP/TRN, CAN VENT, LH - LOBM, RH - LOBM, LH - HIBM, RH - HIBM and SPARE Fuses


Object Number: 1243651  Size: FS
Master Electrical Component List
FR PRK, LR PRK, RR PRK, TRLR PRK, UPFTR PRK Fuses
TBC, TBC 2, TBC 3, TBC 4, RADIO BAT, RR DEF/HTD MIR, FLASHER and RFA Fuses, PWR SEAT Circuit Breaker
B+ Bus - Underhood Fuse Block
Figure 14:

FR PRK, LR PRK, RR PRK, TRLR PRK and UPFTR PRK Fuses


Object Number: 1243657  Size: FS
Master Electrical Component List
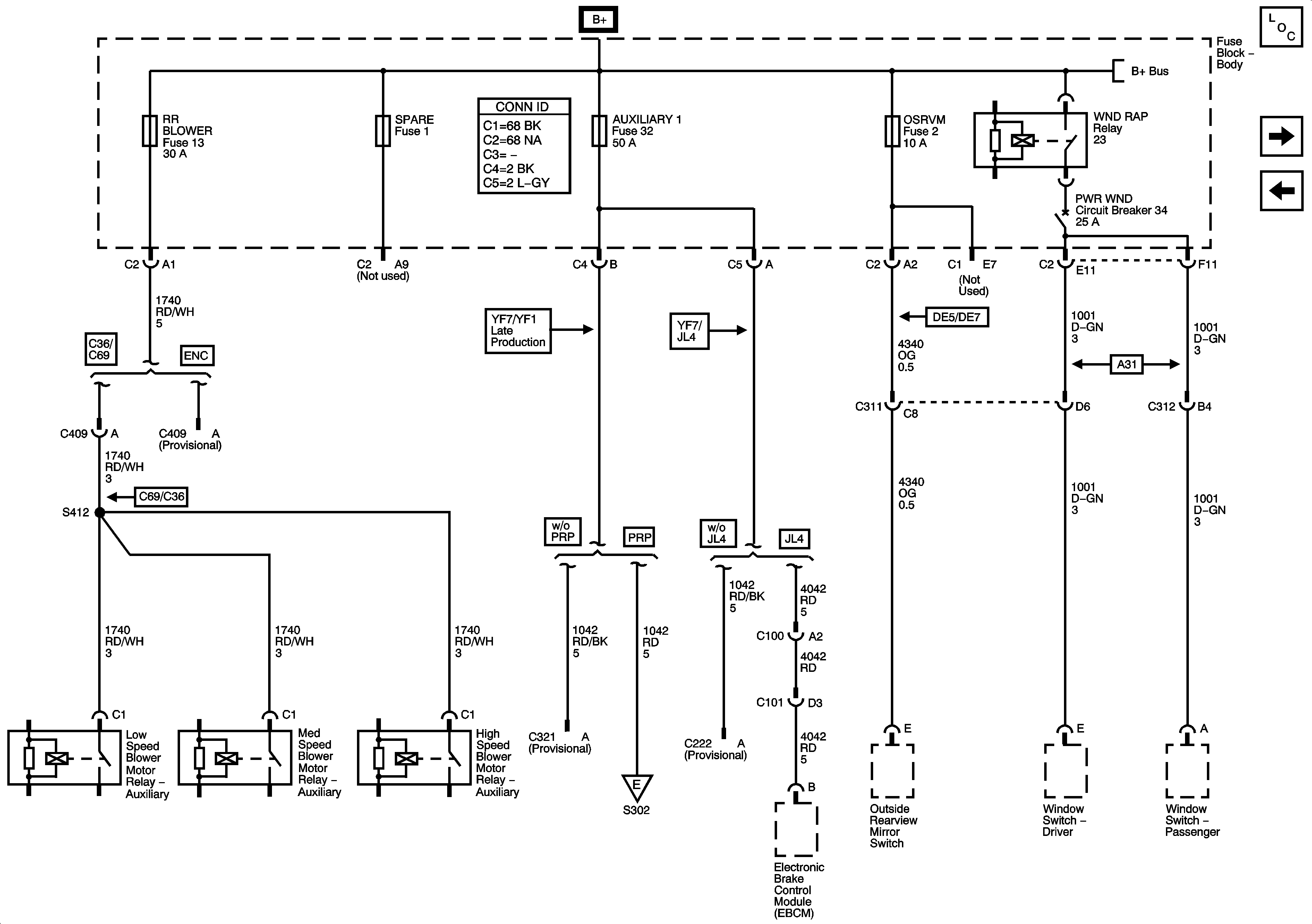
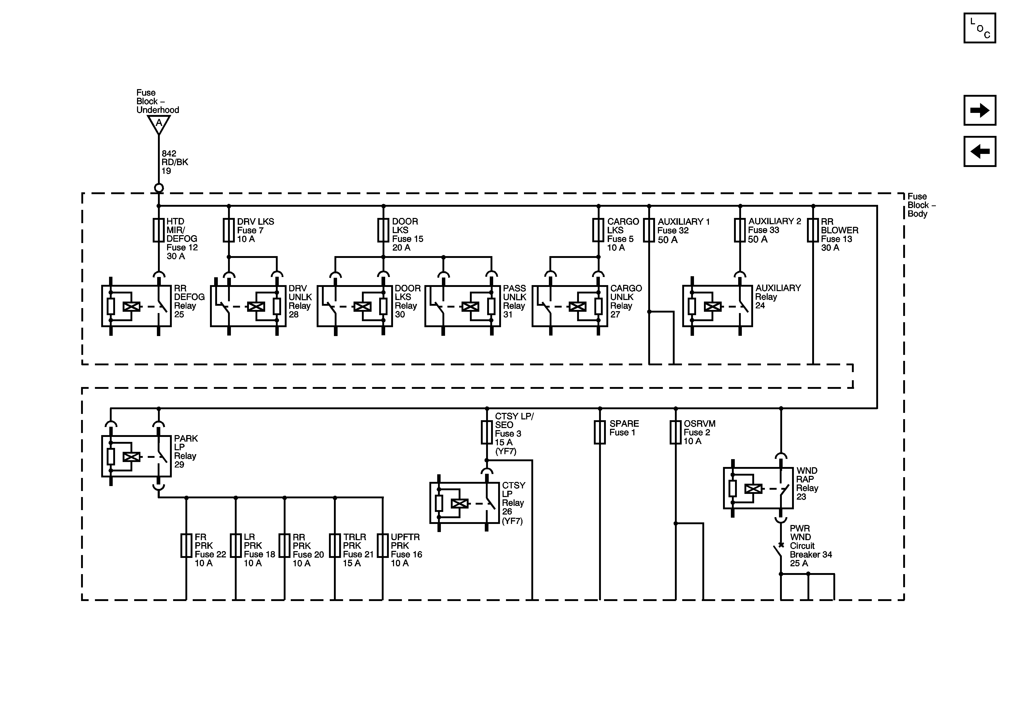
RR Blower, AUXILIARY 1, OSRVM and SPARE Fuses, PWR WND Circuit Breaker
TRLR STOP/TRN, CAN VENT, LH-LOBM, RH-LOBM, LH-HIBM and RH-HIBM Fuses
B+ Bus - Body Fuse Block
SIR Caution for Zoning
Figure 15:

RR BLOWER, AUXILIARY 1, OSRVM, SPARE Fuses and PWR WND Circuit Breaker


Object Number: 1243666  Size: FS
Master Electrical Component List
Fuse Block-U/H FLASHER, RR STOP/TRN and LR STOP/TRN Fuses, Fuse Block-Body RR STOP/TRN and LR STOP/TRN Fuses
FR PRK, LR PRK, RR PRK, TRLR PRK, UPFTR PRK Fuses
B+ Bus - Body Fuse Block
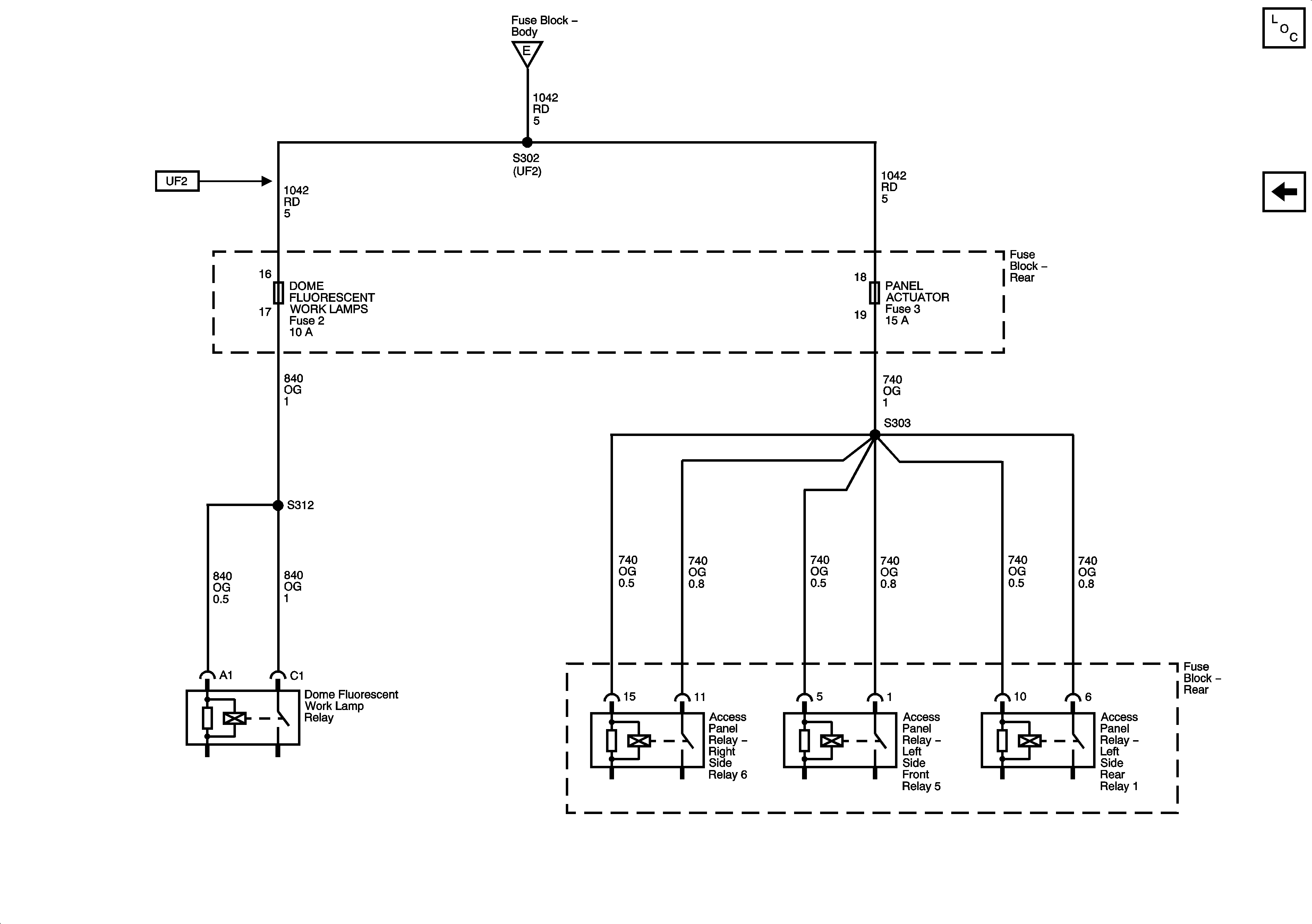
DOME FLUORESCENT WORK LAMPS and PANEL ACTUATOR Fuses
Figure 16:

Fuse Block Underhood - FLASHER, RR STOP/TRN, LR STOP/TRN, LT DRL/TRN, RT DRL/TRN Fuses and Fuse Block Body - RR STOP/TRN, LR STOP/TRN Fuses


Object Number: 1243660  Size: FS
Master Electrical Component List
DR TRN MIR, PASS TRN MIR and STOP/CHMSL Fuses
RR Blower, AUXILIARY 1, OSRVM and SPARE Fuses, PWR WND Circuit Breaker
B+ Bus - Underhood Fuse Block
DR TRN MIR, PASS TRN MIR and STOP/CHMSL Fuses
DR TRN MIR, PASS TRN MIR and STOP/CHMSL Fuses
DR TRN MIR, PASS TRN MIR and STOP/CHMSL Fuses
Figure 17:

DR TRN MIR, PASS TRN MIR and STOP/CHMSL Fuses


Object Number: 1243673  Size: FS
Master Electrical Component List
DOME FLUORESCENT WORK LAMPS and PANEL ACTUATOR Fuses
Fuse Block-U/H FLASHER, RR STOP/TRN and LR STOP/TRN Fuses, Fuse Block-Body RR STOP/TRN and LR STOP/TRN Fuses
Fuse Block-U/H FLASHER, RR STOP/TRN and LR STOP/TRN Fuses, Fuse Block-Body RR STOP/TRN and LR STOP/TRN Fuses
Fuse Block-U/H FLASHER, RR STOP/TRN and LR STOP/TRN Fuses, Fuse Block-Body RR STOP/TRN and LR STOP/TRN Fuses
Fuse Block-U/H FLASHER, RR STOP/TRN and LR STOP/TRN Fuses, Fuse Block-Body RR STOP/TRN and LR STOP/TRN Fuses
Figure 18:

DOME FLUORESCENT WORK LAMPS and PANEL ACTUATOR Fuses


Object Number: 1243674  Size: FS
Master Electrical Component List
DR TRN MIR, PASS TRN MIR and STOP/CHMSL Fuses
RR Blower, AUXILIARY 1, OSRVM and SPARE Fuses, PWR WND Circuit Breaker