GM Service Manual Online
For 1990-2009 cars only
Makes
🢒
GMC_Truck
🢒
2004
🢒
Savana - AWD
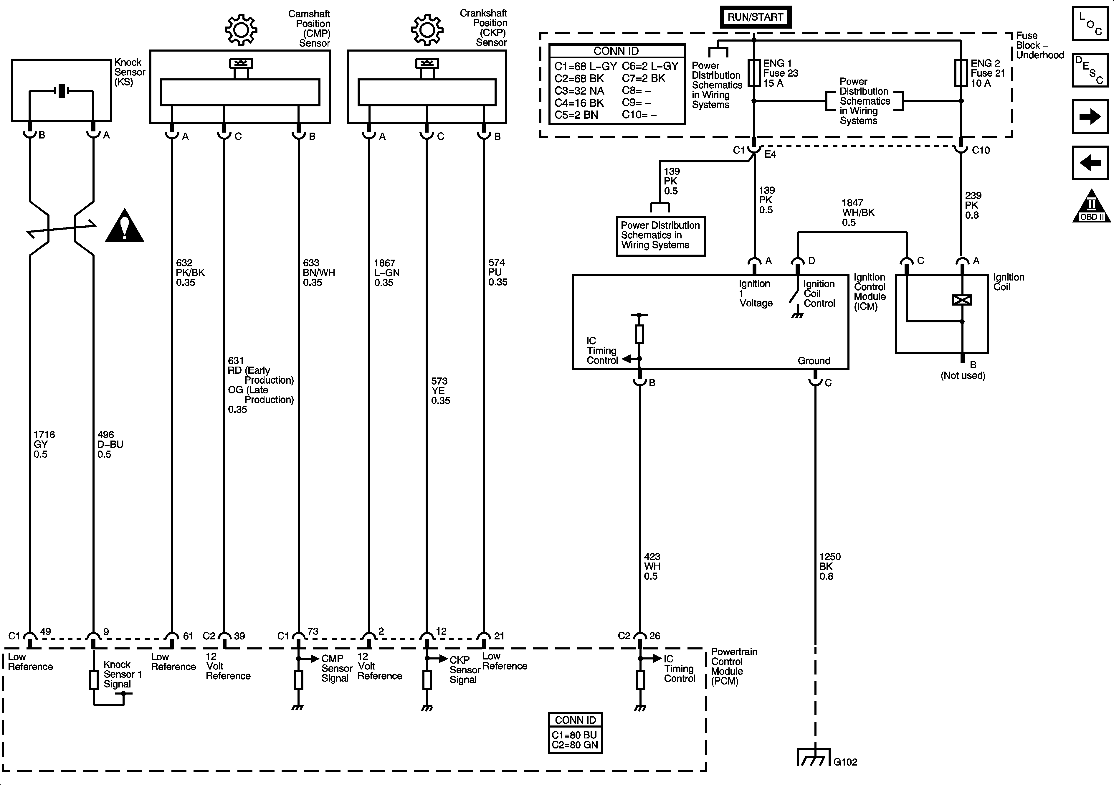
🢒 Ignition Controls
Ignition Controls
Ignition Controls
Master Electrical Component List
Powertrain Control Module Description
Fuel Controls - Fuel Pump Controls
Engine Data Sensors - Oxygen Sensors
OBD II Symbol Description Notice
IGN B Fuse, ACCY/RUN and RUN/START Bus Bars
ENG 1 and ENG 2 Fuses - 4.3L
ENG 1 and ENG 2 Fuses - 4.3L
Engine Controls Schematic Icons
G102