GM Service Manual Online
For 1990-2009 cars only
Makes
🢒
GMC_Truck
🢒
2004
🢒
Savana - AWD
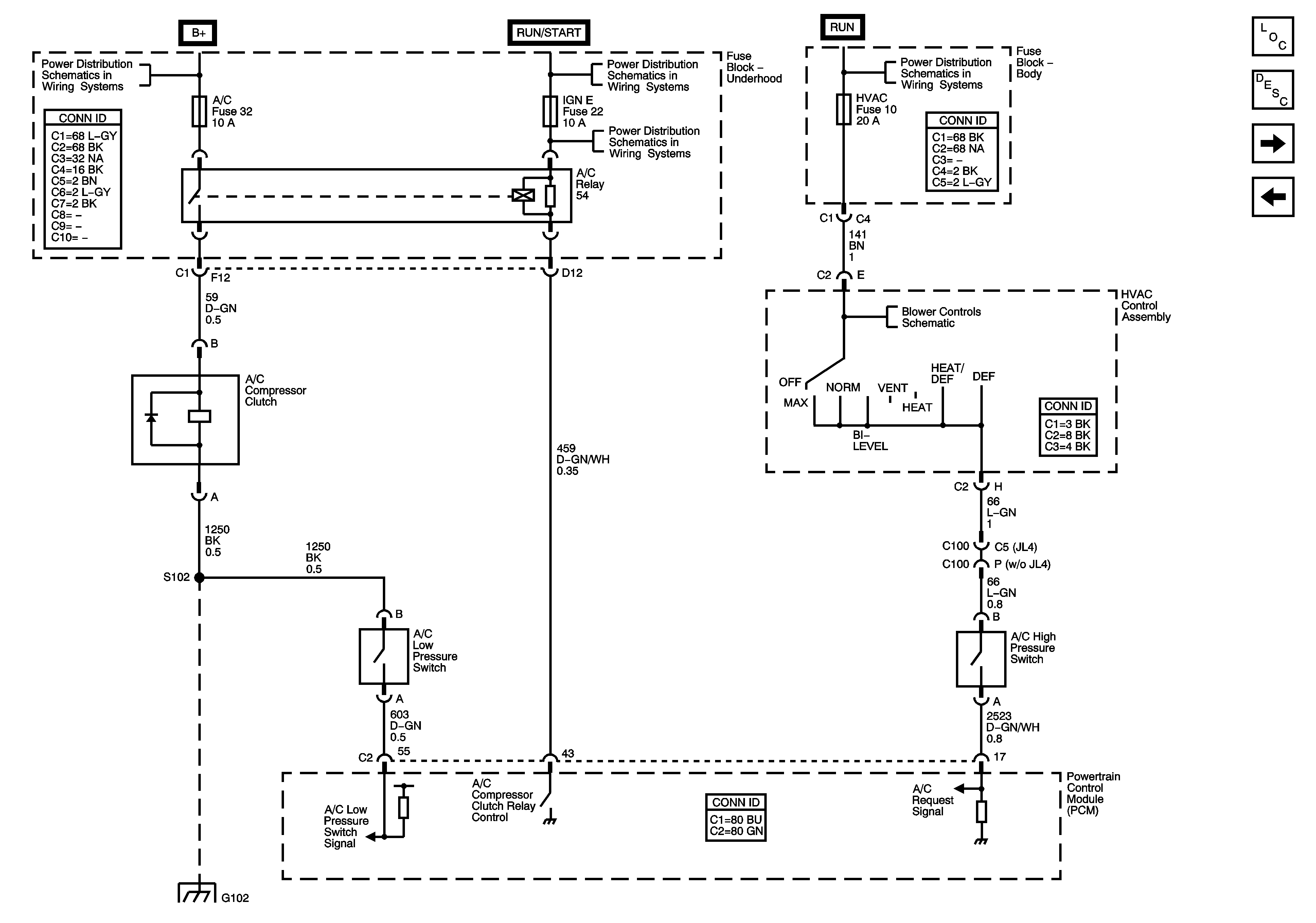
🢒 Compressor Controls - C60
Compressor Controls - C60
Compressor Controls - C60
Master Electrical Component List
Air Temperature Description and Operation
Rear HVAC with Rear Auxiliary Controls 1 of 3 - C69
Primary Blower and Air Delivery Controls - C60
B+ Bus - Underhood Fuse Block
IGN B Fuse, ACCY/RUN and RUN/START Bus Bars
Spare, IGN E, SIR, TBC IGN 1 and ISRV Fuses
IGN A Fuse, Start, ACCY/RUN/START and RUN Bus Bars
Primary Blower and Air Delivery Controls - C60
G102