GM Service Manual Online
For 1990-2009 cars only
Makes
🢒
GMC_Truck
🢒
2004
🢒
Savana - AWD
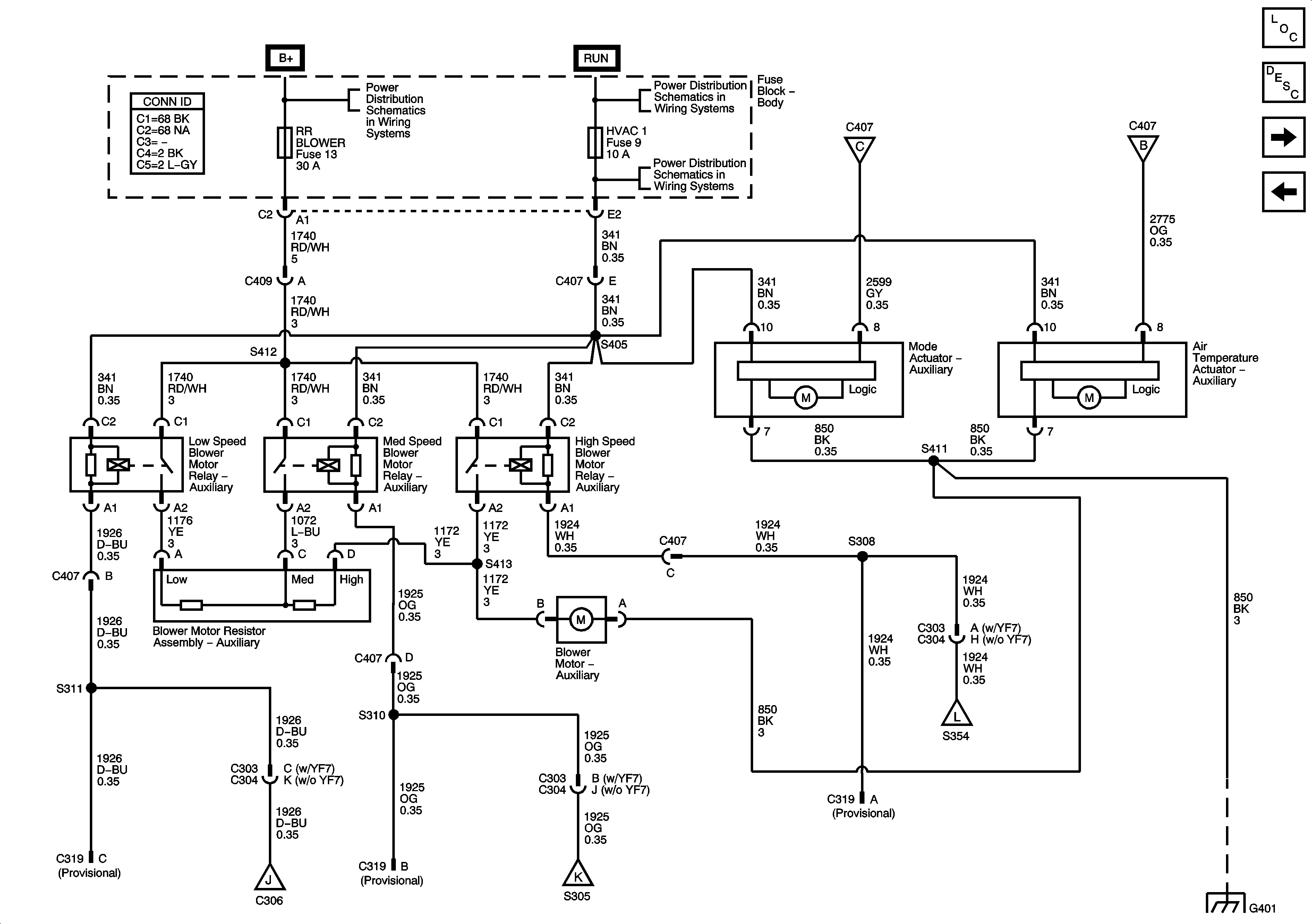
🢒 Rear HVAC with Rear Auxiliary Controls 3 of 3 - C69
Rear HVAC with Rear Auxiliary Controls 3 of 3 - C69
Rear HVAC with Rear Auxiliary Controls 3 of 3 - C69
Master Electrical Component List
Air Temperature Description and Operation
Rear HVAC w/o Rear Auxiliary Controls 1 of 2 - C69
Rear HVAC with Rear Auxiliary Controls 2 of 3 - C69
B+ Bus - Body Fuse Block
IGN A Fuse, Start, ACCY/RUN/START and RUN Bus Bars
HVAC 1 Fuse
Rear HVAC with Rear Auxiliary Controls 1 of 3 - C69
Rear HVAC with Rear Auxiliary Controls 1 of 3 - C69
Rear HVAC with Rear Auxiliary Controls 2 of 3 - C69
Rear HVAC with Rear Auxiliary Controls 2 of 3 - C69
Rear HVAC with Rear Auxiliary Controls 2 of 3 - C69
G401 - Passenger/Cargo