GM Service Manual Online
For 1990-2009 cars only
Makes
🢒
GMC_Truck
🢒
2004
🢒
Savana - AWD
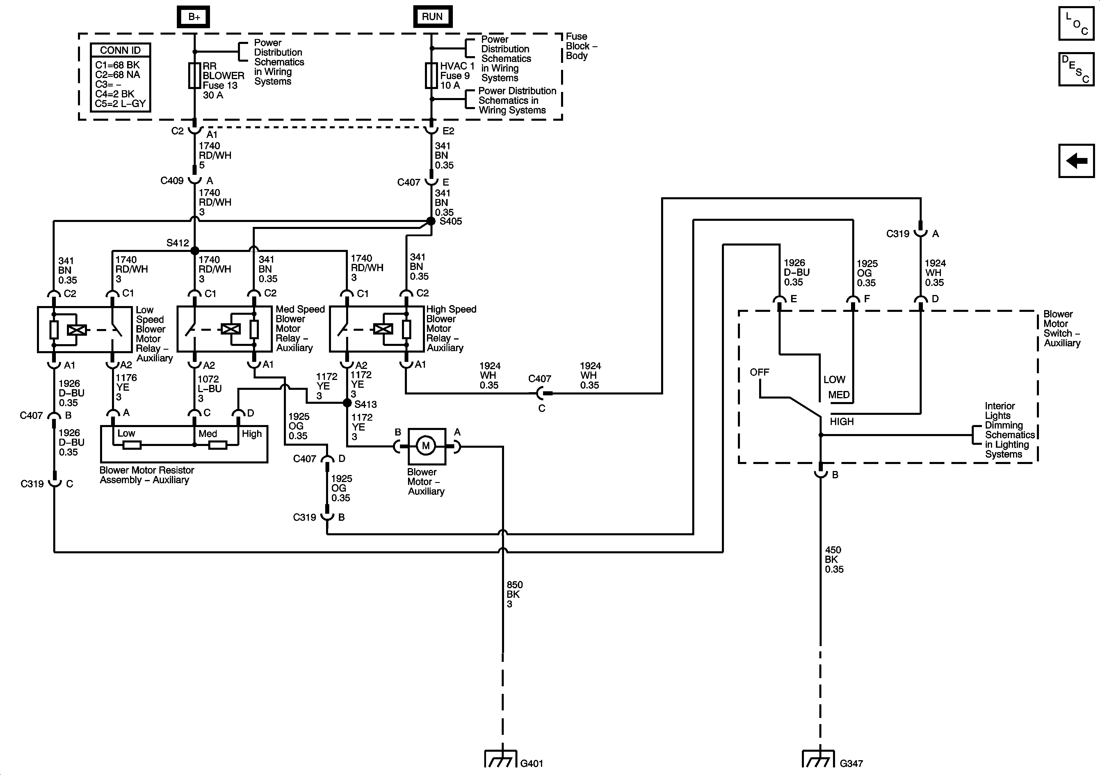
🢒 Rear HVAC - C36
Rear HVAC - C36
Rear HVAC - C36 w/o C69
Master Electrical Component List
Air Temperature Description and Operation
Rear HVAC w/o Rear Auxiliary Controls 2 of 2 - C69
B+ Bus - Body Fuse Block
IGN A Fuse, Start, ACCY/RUN/START and RUN Bus Bars
HVAC 1 Fuse
I/P Dimming Supply Voltage 2 of 3
G401 - Passenger/Cargo
G347 - 2 of 3