GM Service Manual Online
For 1990-2009 cars only
Makes
🢒
GMC_Truck
🢒
2004
🢒
Savana - AWD
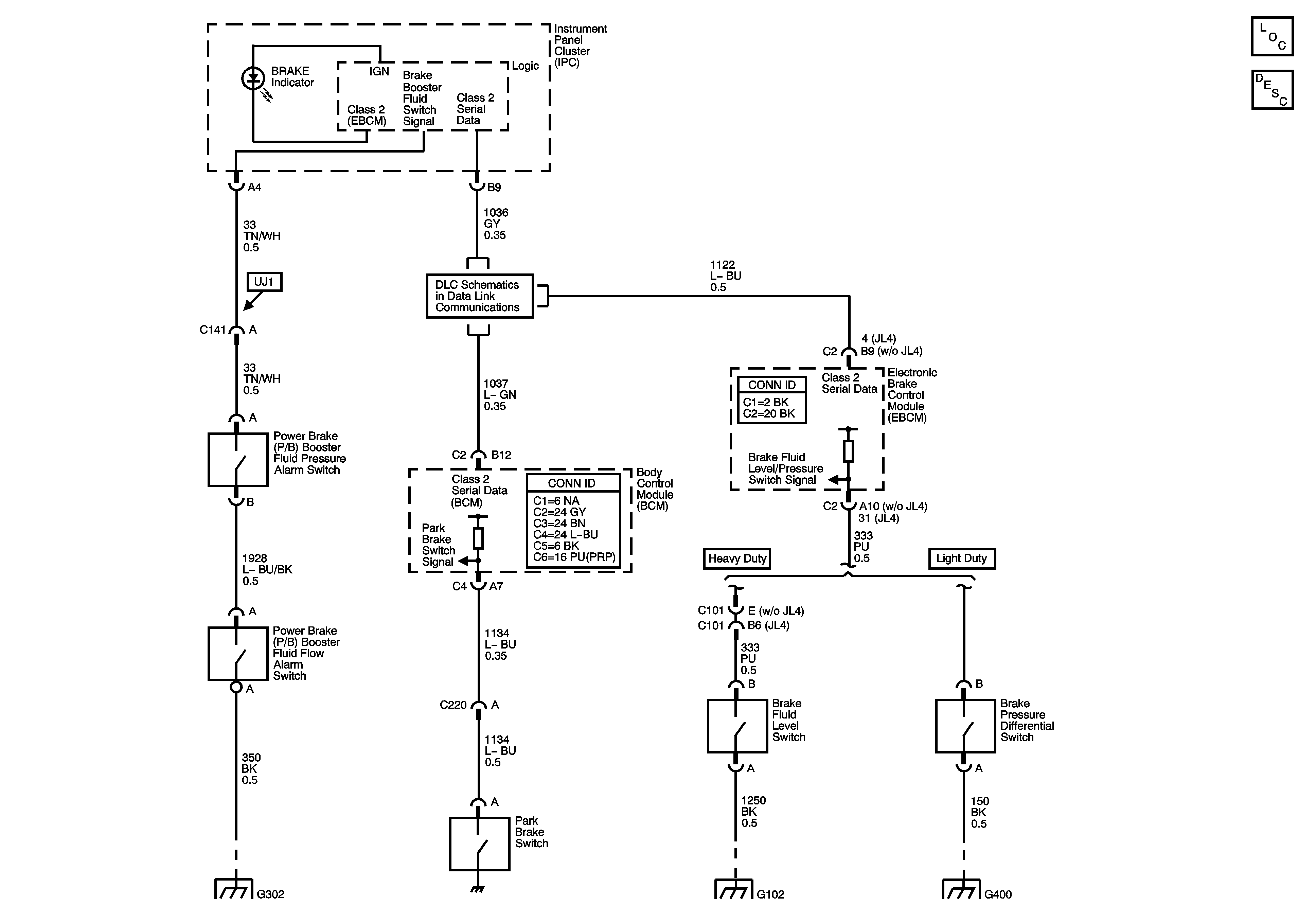
🢒 Brake Warning System Schematics
Brake Warning System Schematics
Master Electrical Component List
Brake Warning System Description and Operation
Data Link Connector (DLC)
G302
G102
G400