GM Service Manual Online
For 1990-2009 cars only
Makes
🢒
GMC_Truck
🢒
2004
🢒
Savana - AWD
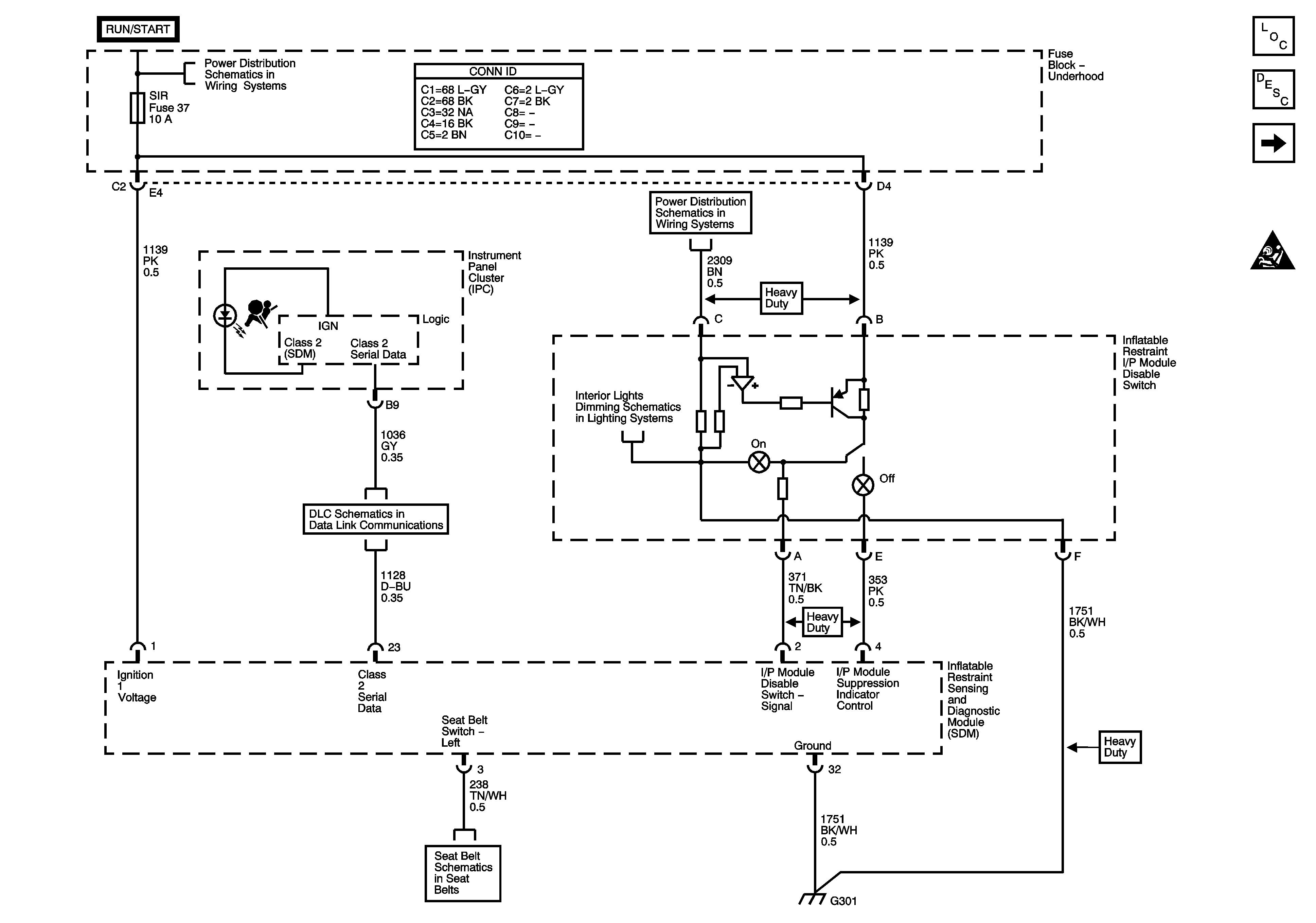
🢒 Module Power, Ground, Serial Data, Indicator and Disable Switch
Module Power, Ground, Serial Data, Indicator and Disable Switch
Module Power, Ground, Serial Data, Indicator and Disable Switch
Master Electrical Component List
SIR System Description and Operation
Air Bag Modules and Position Switches
SIR Caution for Zoning
IGN B Fuse, ACCY/RUN and RUN/START Bus Bars
Data Link Connector (DLC)
FR PRK, LR PRK, RR PRK, TRLR PRK, UPFTR PRK Fuses
I/P Dimming Supply Voltage 1 of 3 and LED Dimming Supply Voltage
Seat Belt Schematics