GM Service Manual Online
For 1990-2009 cars only
Makes
🢒
GMC_Truck
🢒
2004
🢒
Savana - AWD
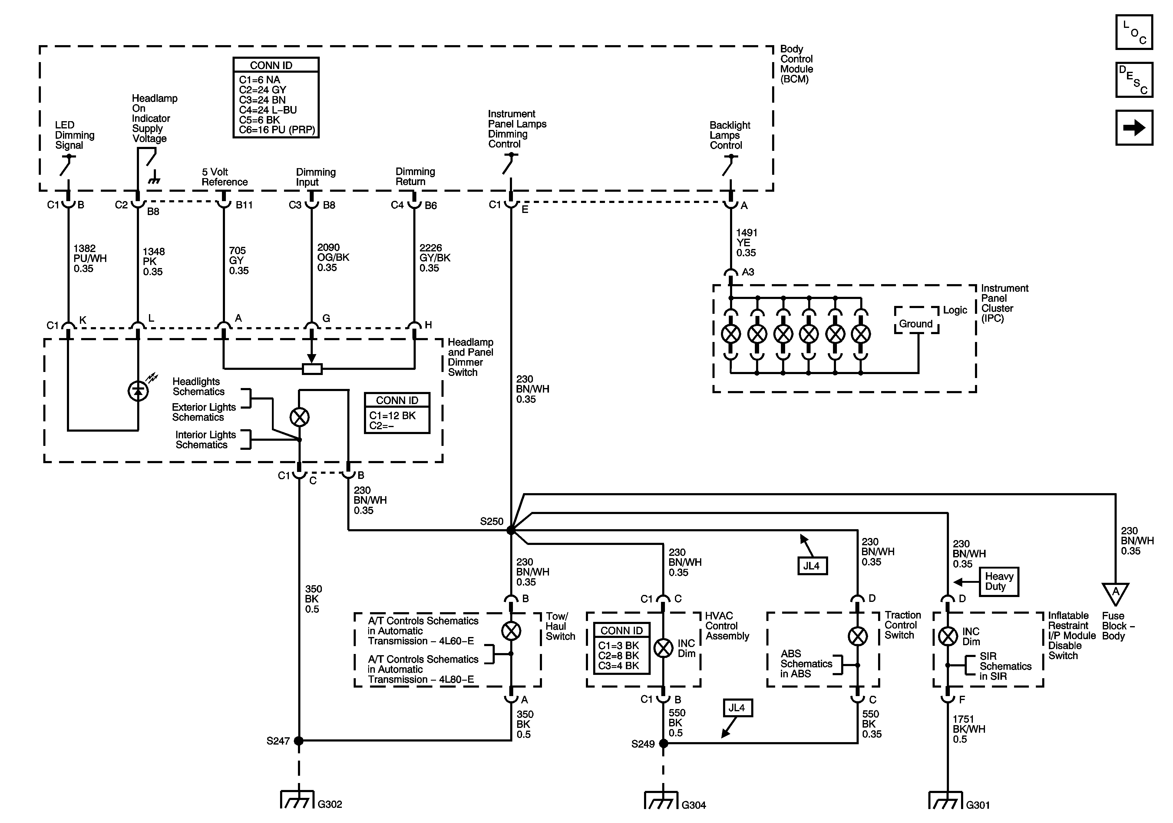
🢒 I/P Dimming Supply Voltage 1 of 3 and LED Dimming Supply Voltage
I/P Dimming Supply Voltage 1 of 3 and LED Dimming Supply Voltage
I/P Dimming Supply Voltage - 1 of 3 and LED Dimming Supply Voltage
Master Electrical Component List
Interior Lighting Systems Description and Operation
I/P Dimming Supply Voltage 2 of 3
Headlights Schematics
Headlamp and Panel Dimmer Switch Signals and Park Lamp Relay Control
Dome and Courtesy Lamp Switch Signals and Door Latch Assemblier
Tow/Haul and Park/Neutral Position Switch Inputs and Vehicle Speed Sensor
Stop Lamp, Tow/Haul, Park/Neutral Position Switch Inputs and Speed Sensors
Steering Wheel/Speed Position Inputs, Traction Control Switch and Precharge Pump - JL4
Module Power, Ground, Serial Data, Indicator and Disable Switch
I/P Dimming Supply Voltage 2 of 3
G302
G303 and G304
G103, G104, G105, G106, G300 and G301