GM Service Manual Online
For 1990-2009 cars only
Makes
🢒
GMC_Truck
🢒
2004
🢒
Savana - AWD
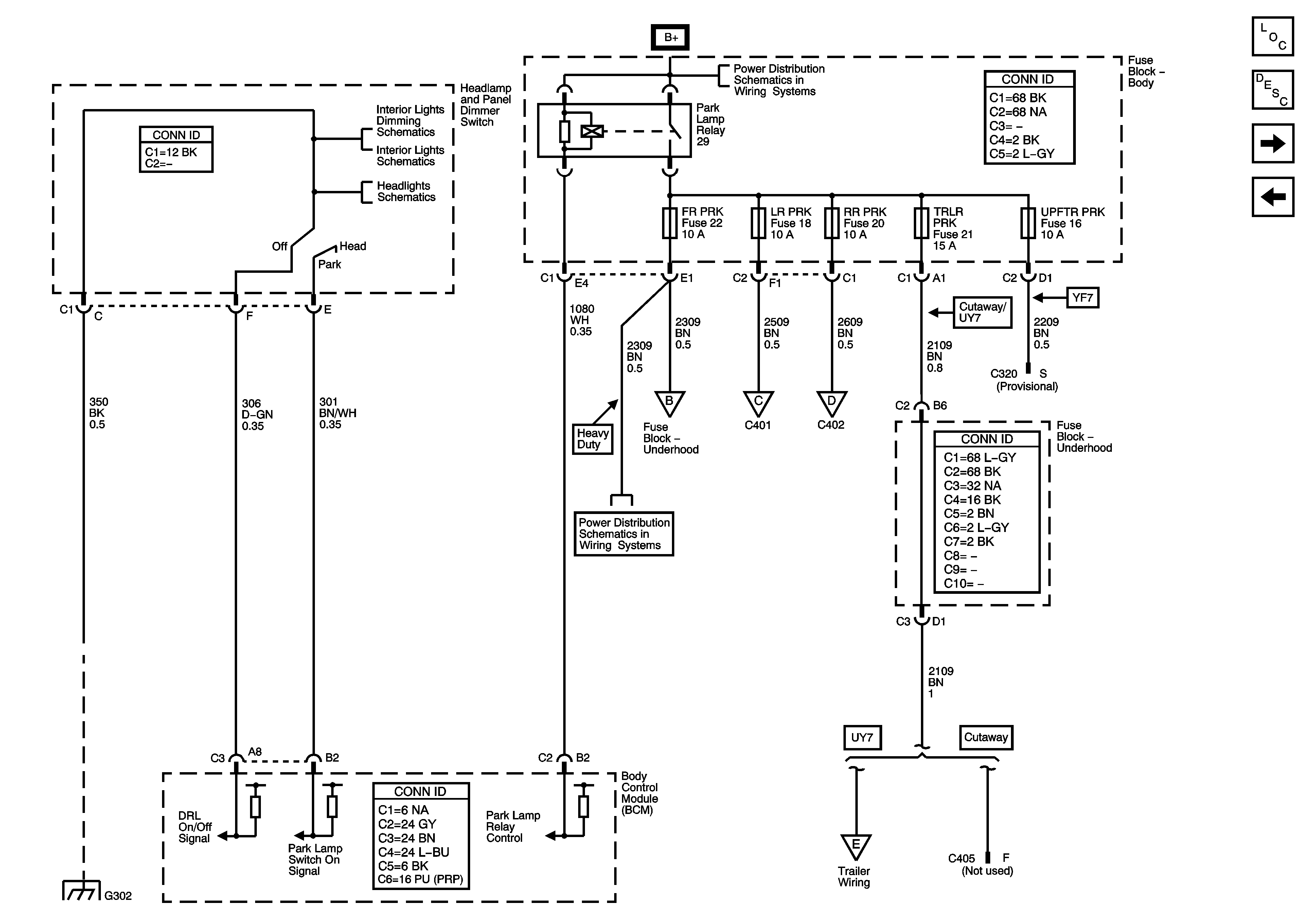
🢒 Headlamp and Panel Dimmer Switch Signals and Park Lamp Relay Control
Headlamp and Panel Dimmer Switch Signals and Park Lamp Relay Control
Headlamp and Panel Dimmer Switch Signals and Park Lamp Relay Control
Master Electrical Component List
Exterior Lighting Systems Description and Operation
Turn Signals
Hazard, Turn and Stop Lamp Signals
I/P Dimming Supply Voltage 1 of 3 and LED Dimming Supply Voltage
Dome and Courtesy Lamp Switch Signals and Door Latch Assemblier
Headlights Schematics
B+ Bus - Body Fuse Block
Backup (Except Cutaway), Park/Turn, and Marker Lamps
Tail/Stop and License Lamps
Tail/Stop and License Lamps
FR PRK, LR PRK, RR PRK, TRLR PRK, UPFTR PRK Fuses
Backup (Cutaway) and Trailer Wiring
G302