GM Service Manual Online
For 1990-2009 cars only
Makes
🢒
GMC_Truck
🢒
2007
🢒
Savana - AWD
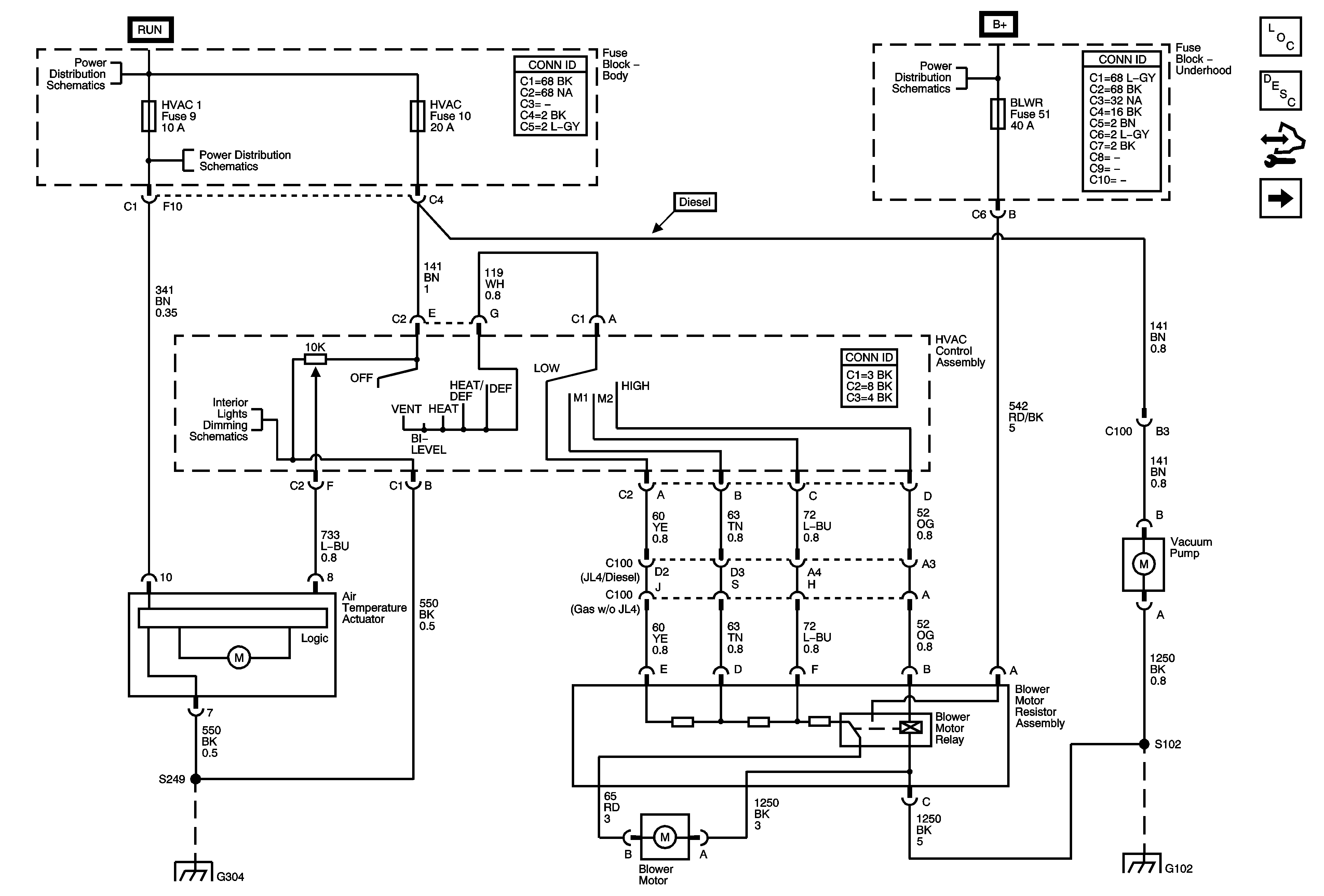
🢒 Primary Blower and Air Delivery Controls - C42 and Vacuum Pump - Diesel
Primary Blower and Air Delivery Controls - C42 and Vacuum Pump - Diesel
Primary Blower and Air Delivery Controls (C42) and Vacuum Pump (Diesel)
Master Electrical Component List
Air Delivery Description and Operation
Control Module References
Primary Blower and Air Delivery Controls - C60
Ignition Switch - ACCY/RUN/START, RUN, START Bus Bars and IGN A Fuse
HVAC 1 Fuse
B+ Bus - Underhood Fuse Block - Gas
I/P Dimming Supply Voltage - 1 of 3 and LED Dimming Supply Voltage
G304
G102