GM Service Manual Online
For 1990-2009 cars only
Makes
🢒
GMC_Truck
🢒
2007
🢒
Savana - AWD
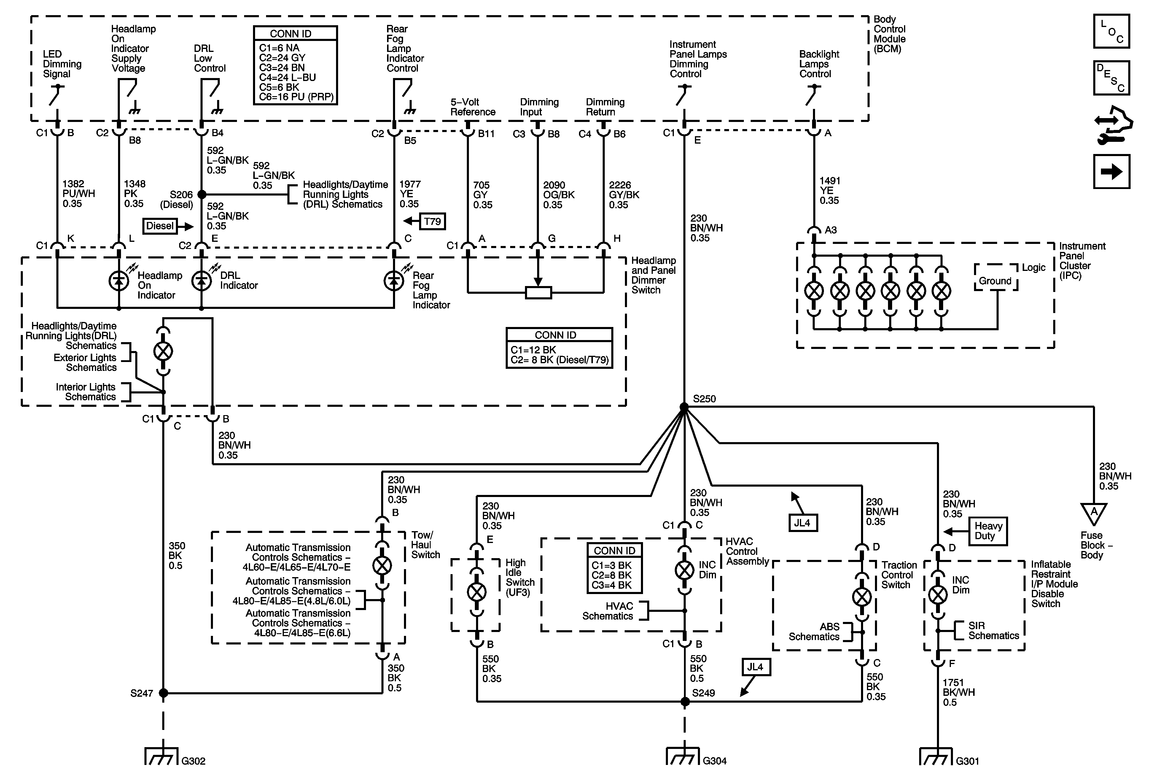
🢒 I/P Dimming Supply Voltage - 1 of 3 and LED Dimming Supply Voltage
I/P Dimming Supply Voltage - 1 of 3 and LED Dimming Supply Voltage
I/P Dimming Supply Voltage 1 of 3 and LED Dimming Supply Voltage
Master Electrical Component List
Interior Lighting Systems Description and Operation
Control Module References
I/P Dimming Supply Voltage - 2 of 3
Daytime Running Lights (DRL)
Headlamps
Park Lamp Relay Control and Front Park Lamps
Dome and Courtesy Lamp Switch Signals and Door Latch Assemblies
PNP Switch, Tow/Haul Switch, Serial Data and Indicator
PNP Switch, Tow/Haul Switch, Serial Data and Indicator
Pressure Controls, Tow/Haul Switch, Temperature and Speed Sensors
G302
Primary Blower and Air Delivery Controls - C42 and Vacuum Pump - Diesel
G304
Steering Wheel/Speed Position Inputs, Traction Control Switch and Precharge Pump - JL4
I/P Dimming Supply Voltage - 2 of 3
Module Power, Ground, Serial Data, Indicator and Disable Switch
G103, G104, G105, G106, G107, G108, G300, G301 and G305