GM Service Manual Online
For 1990-2009 cars only
Makes
🢒
GMC_Truck
🢒
2007
🢒
Savana - AWD
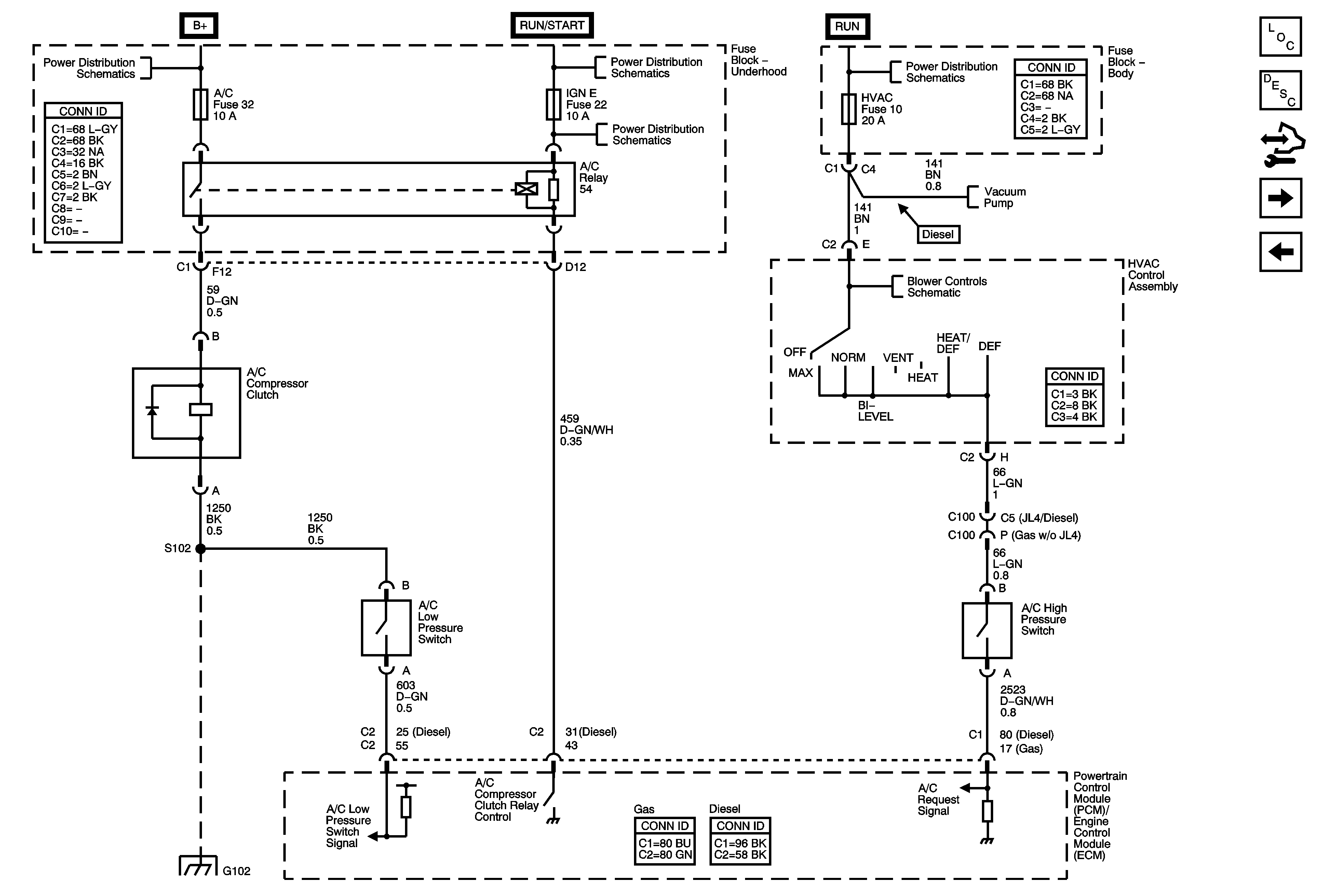
🢒 Compressor Controls - C60
Compressor Controls - C60
Compressor Controls (C60)
Master Electrical Component List
Air Temperature Description and Operation
Control Module References
Rear HVAC with Rear Auxiliary Controls 1 of 3 - C69
Primary Blower and Air Delivery Controls - C60
B+ Bus - Underhood Fuse Block - Gas
Ignition Switch - ACCY/RUN, RUN/START Bus Bars and IGN B Fuse
AIRBAG, FAN CLTCH, IGN E, ISRVM, SPARE and TBC IGN 1 Fuses
Ignition Switch - ACCY/RUN/START, RUN, START Bus Bars and IGN A Fuse
Primary Blower and Air Delivery Controls - C42 and Vacuum Pump - Diesel
Primary Blower and Air Delivery Controls - C60
G102