GM Service Manual Online
For 1990-2009 cars only
Makes
🢒
GMC_Truck
🢒
2007
🢒
Sierra - 2WD
🢒
Power and Signal Distribution
🢒
Wiring Systems and Power Management
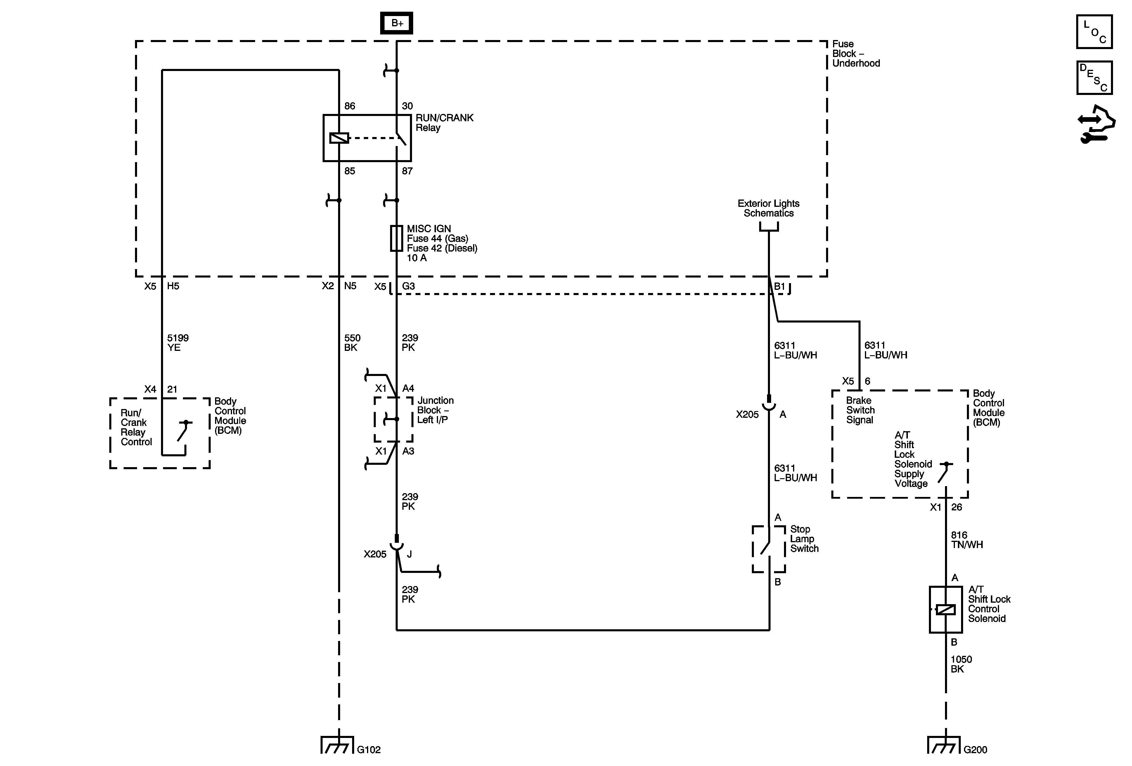
🢒 Shift Lock Control Schematics
Master Electrical Component List
Automatic Transmission Shift Lock Control Description and Operation
Control Module References
RUN/CRANK BUS - AIRBAG IGN, MISC IGN and SEO/ALC Fuses
Stop Lamp Controls and CHMSL
G102, G107 (4.3L), G104, G108
G200 1 of 2